电脑桌面
添加小米粒文库到电脑桌面
安装后可以在桌面快捷访问

工程安全管理体系及措施

工程安全管理体系及措施_第1页
1/33
工程安全管理体系及措施_第2页
2/33
工程安全管理体系及措施_第3页
3/33
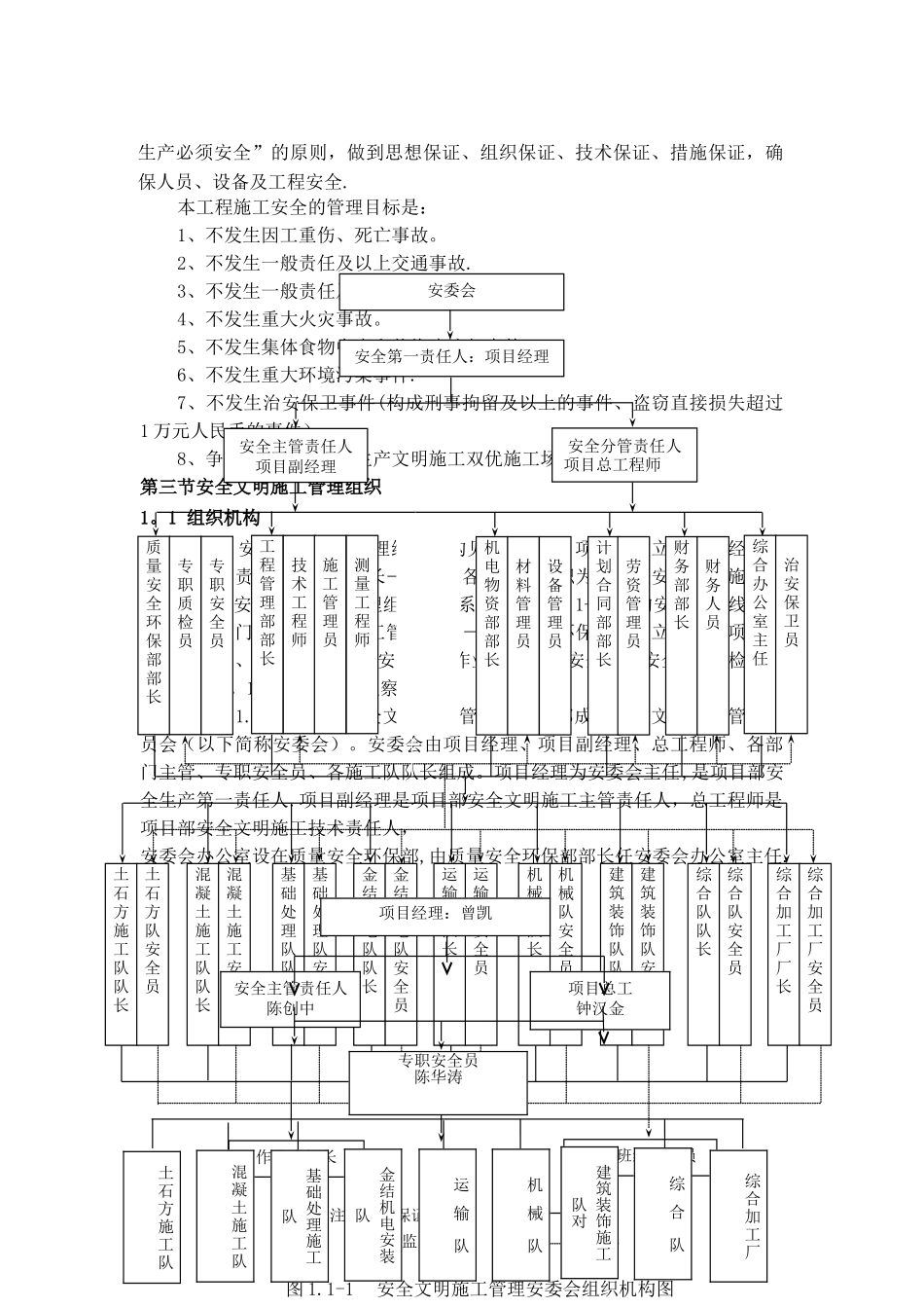
目 录第一节 工程概况 2 第二节 安全管理方针、目标及措施 2 第三节 安全文明施工管理组织 3 1 。 1 组织机构 3 2.1 主要岗位人员安全职责 4 3 。 1 安全文明施工管理制度 11 3 。 1 。 1 安全文明施工责任制 11 3 。 1 。 2 安全文明施工措施计划制度 11 3 。 1 。 3 安全文明施工资金保证制度 12 3 。 1 .4 安全文明施工教育培训制度 12 3.1 。 5 安全文明施工交底制度 12 3.1 。 6 安全文明施工标准施工场地建设制度 13 3 。 1 .7 安全文明施工检查制度 13 3.1 。 8 事故调查和处理制度 14 3 。 1 .9 安全文明施工奖惩制度 14 3.1. 10 安全文明施工报表、报告制度 14 4 。 1 施工 安全技术措施 15 4.1 。 1 劳动保护措施 15 4.1.2 照明安全措施 16 4.1 。 3 混凝土施工安全技术措施 16 4.1 。 4 接地及避雷装置安全措施 16 4.1 .5 消防安全措施 16 4.1 .6 洪(潮)水和气象灾害防护安全措施 17 4 。 1 。 7 信号装置配备及保护措施 18 4 。 1 。 8 防电气损害安全措施 19 4 。 1 .9 防交通事故安全措施 20 4 。 1 。 10 防机械损害安全措施 20 4.1 。 11 防起重损害安全措施 21 4 。 1 .12 应急预案与应急响应措施 22 4.1 .13 施工期对围内影响的应对措施 22 4 。 1 .14 预防与相邻建筑物、构筑物、市政基础发生安全事 故措施 23 4 。 1 。 15 模板体系监测措施 23 4 。 1 。 16 生活区的安全和卫生措施 24 4 。 1 。 17 基坑开挖安全技术措施 24 4.1.19 高处作业坠落事故的预防安全技术措施 25 4 。 1 。 20 预防土方坍塌安全技术措施 26 5.1 安全事故的处理 27 6 。 1 文明施工措施 27 6 。 1 。 1 施工场地管理措施 27 6 。 1 。 2 施工人员管理措施 28 6.1 。 3 施工道路管理措施 29 6.1 。 4 风、水、电管线、通讯、照明设施管理措施 29 6.1 。 5 施工设备管理措施 30 7.1 .6 物资材料的堆放管理措施 30 8 。 1 。 7 施工作业过程管理措施 31 9 。 1 。 8 办公和生活区管理措施 31 9.1 。 9 治安保卫管理措施 32 10.1 附件(安全组织机构人员资格证书) 33 第一节 工程概况1、工程名称:金湾区小林联围涝区整治工程—小林片区排涝及主河道清淤工程(排河泵站);2...

1、当您付费下载文档后,您只拥有了使用权限,并不意味着购买了版权,文档只能用于自身使用,不得用于其他商业用途(如 [转卖]进行直接盈利或[编辑后售卖]进行间接盈利)。
2、本站所有内容均由合作方或网友上传,本站不对文档的完整性、权威性及其观点立场正确性做任何保证或承诺!文档内容仅供研究参考,付费前请自行鉴别。
3、如文档内容存在违规,或者侵犯商业秘密、侵犯著作权等,请点击“违规举报”。

碎片内容

工程安全管理体系及措施

您可能关注的文档

确认删除?
VIP
微信客服
  • 扫码咨询
会员Q群
  • 会员专属群点击这里加入QQ群
客服邮箱
回到顶部