电脑桌面
添加小米粒文库到电脑桌面
安装后可以在桌面快捷访问

工程安排及施工进度计划书

工程安排及施工进度计划书_第1页
1/3
工程安排及施工进度计划书_第2页
2/3
工程安排及施工进度计划书_第3页
3/3
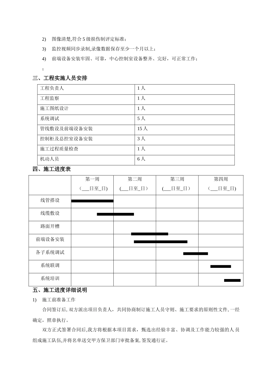
工程安排及施工进度计划书文件编号:________________一、工程简况工程名称果岭里停车场智能管理系统管理工程类型工程地址北京市望京果岭里建设单位北京金慧益电子科技有限公司联系人地址联系电话设计单位联系人地址联系电话施工单位联系人地址联系电话二、项目实施说明本项目由停车场智能管理系统和车场出入口视频监控系统我方拟定出 3 名技术工程师,外调项目实施人员 15 人组成工程安装调试队伍,进行整个工程的安装调试工作。工期初步预定为 40 天,其中线管搭设约为 8 天,线缆敷设约 8 天,前端设备安装需时 16 天,各子系统调试拟定 5 天,系统联调 3 天,安装调试完毕后,对甲方值班、操作人员进行为期 2 天的系统培训;其中有交叉情况存在。工期计算以设备到现场后为开工日期,结束时间以培训结束时间为准;工期最后一天如遇休息日,则以下一工作日为准;其中,若遇甲方现场停电、协调人员未到位等特别情况,双方协商后,工期顺延。安装调试完毕后,拟达到如下要求:停车场智能管理系统:1) 车场出入车辆必须持有本车场智能管理电子感应卡2) 出入车场需驾驶机动车辆方可有效刷卡抬杆通过3) 出入车场非机动车辆则刷卡无效,无法通过4) 前端设备安装牢固、可靠,中心控制室设备整齐、完好,可正常工作;闭路电视监控系统:1)可监看到各车场出入口情况及车辆进出情况;2)图像清楚,符合 5 级损伤制评定标准;3)监控视频同步录制,录像数据保存至少一个月以上;4)前端设备安装牢固、可靠,中心控制室设备整齐、完好,可正常工作;;三、工程实施人员安排工程负责人1 人工程监察1 人施工图纸设计1 人系统调试5 人管线敷设及前端设备安装15 人控制柜及总控室设备安装3 人施工过程质量检查1 人机动人员6 人四、施工进度表第一周(___日至_日)第二周(___日至_日)第三周(___日至_日)第四周(___日至_日)线管搭设线缆敷设路面开槽前端设备安装各子系统调试系统联调系统培训五、施工进度详细说明1)施工前准备工作合同签订后,双方派出项目负责人,共同协商制订施工人员守则、施工要求的原则性文件,一经确定,照章执行。双方正式签署合同后,我方将根据本项目需求,甄选出经验丰富、协调及工作能力较强的人 员组成施工队伍,并将名单送交甲方保卫部门审批备案,签发通行证。在此基础上明确工程的组织领导关系、权利和责任,确定各项目负责人名单,以便在组织上保证工程进度和质量。2)施工进度说明我方施工队伍携工程器材及...

1、当您付费下载文档后,您只拥有了使用权限,并不意味着购买了版权,文档只能用于自身使用,不得用于其他商业用途(如 [转卖]进行直接盈利或[编辑后售卖]进行间接盈利)。
2、本站所有内容均由合作方或网友上传,本站不对文档的完整性、权威性及其观点立场正确性做任何保证或承诺!文档内容仅供研究参考,付费前请自行鉴别。
3、如文档内容存在违规,或者侵犯商业秘密、侵犯著作权等,请点击“违规举报”。

碎片内容

工程安排及施工进度计划书

您可能关注的文档

人从众+ 关注
实名认证
内容提供者

欢迎光临小店,本店以公文和教育为主,希望符合您的需求。

确认删除?
VIP
微信客服
  • 扫码咨询
会员Q群
  • 会员专属群点击这里加入QQ群
客服邮箱
回到顶部