电脑桌面
添加小米粒文库到电脑桌面
安装后可以在桌面快捷访问

工程投入的主要施工机械设备情况、主要施工机械进场计划

工程投入的主要施工机械设备情况、主要施工机械进场计划_第1页
1/3
工程投入的主要施工机械设备情况、主要施工机械进场计划_第2页
2/3
工程投入的主要施工机械设备情况、主要施工机械进场计划_第3页
3/3
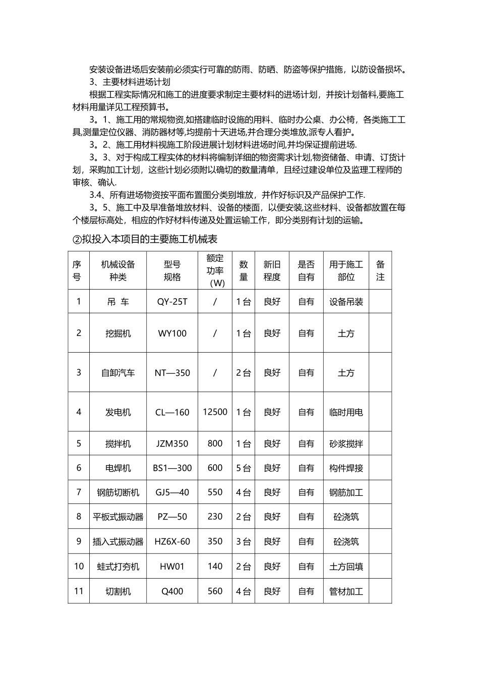
(2)、工程投入的主要施工机械设备情况、主要施工机械进场计划① 工程投入的主要物资(材料)情况描述和进场计划1、物资的准备1。1、物资准备工作内容1。1。1、根据施工进度计划要求和施工图预算的材料分析编制工程材料需用量计划,为施工备料、确定仓库和材料堆场面积以及为组织运输提供依据,需业主提供的材料提前15 天将材料分批需用量计划报送业主,使业主能有充分的时间进行市场调查和采购。1。1.2、(配)件和制品的加工准备:根据施工预算所提供的构(配)件和缺口加工要求,编制构(配)件加工计划,为组织运输和确定堆场面积提供依据。1.1.3、我方自行采购的材料,材料部门应根据材料品种建立采购主渠道,然后根据材料供应计划分批组织进场。1。2、物资准备工作程序(1)编制各种物资需要量计划(2)签订物资采购合同(3)确定物资运输方案和计划(4)组织物资按计划进场和保管2、工程所需物资的采购及供应计划项目经理部材料设备科负责物资统一采购、供应与管理、并根据 ISO9001 质量标准和公司物资《采购标准》,对所需采购和分供方供应的物资进行严格的质量检验和控制.2。1、主要材料的采购供应必须根据工程施工进度要求和施工图纸提前编制材料需要计划。该计划的内容包括:材料的品种、规格、型号、质量标准、分批供应量和进场日期.2。2、协商定价主要材料进场前,除业主指定的供应厂家和价格外,我们首先对拟采购其材料供应商的商业信誉、产品质量、供应能力、价格等进行综合评价,然后向业主提出采购意见,经业主同意签认后,方可与选定的材料供应单位订立购货合同或直接购进材料.主要材料的采购必须从业主已确定的合格供应商处组织进货,不允许任何部门或个人随意订购,以保证购进材料的质量,在主要材料的采购工作中要积极听取、采纳业主的意见。2。3、材料的验收材料进场后必须先会同监理组织验收.首先进行外观检验,需做复试检测的还必须进行复试检测。检测结果未出来之前,该批材料应悬挂“待验"标识;检验合格后悬挂有材料名称、规格、型号及合格状态的标牌,方准使用。经验收不合格的材料应立即悬挂“不合格”标牌并及时组织退货,运出场外。2.4、材料的使用材料的使用实行材料领料单制度,禁止乱拿乱用,同时对各种材料各批次的使用部位应记录清楚,保持材料使用的可追溯性。没有产品质量合格证、未经检验或试验不合格的材料严禁在工程上使用。2.5、安装设备的采购供应业主提供的安装设备,我方在得到业主提供的产品质量证明和有关...

1、当您付费下载文档后,您只拥有了使用权限,并不意味着购买了版权,文档只能用于自身使用,不得用于其他商业用途(如 [转卖]进行直接盈利或[编辑后售卖]进行间接盈利)。
2、本站所有内容均由合作方或网友上传,本站不对文档的完整性、权威性及其观点立场正确性做任何保证或承诺!文档内容仅供研究参考,付费前请自行鉴别。
3、如文档内容存在违规,或者侵犯商业秘密、侵犯著作权等,请点击“违规举报”。

碎片内容

工程投入的主要施工机械设备情况、主要施工机械进场计划

您可能关注的文档

确认删除?
VIP
微信客服
  • 扫码咨询
会员Q群
  • 会员专属群点击这里加入QQ群
客服邮箱
回到顶部