电脑桌面
添加小米粒文库到电脑桌面
安装后可以在桌面快捷访问

工程施工中的锚杆施工工艺

工程施工中的锚杆施工工艺_第1页
1/4
工程施工中的锚杆施工工艺_第2页
2/4
工程施工中的锚杆施工工艺_第3页
3/4
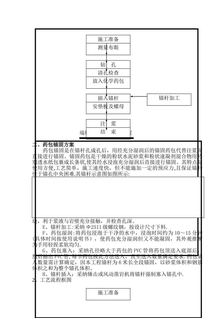
长锚杆施工工艺结合工程实际,考虑便于施工、低成本等,确保锚杆施作质量,充分发挥其作用,以保证施工安全,确定锚杆施作的三种方案。三种方案的锚杆眼成孔均相同,采纳液压凿岩台车成孔,成孔深度 6m,位置及方向按设计要求。三种方案的区别在于其杆体及锚固工艺等不同.一、端锚注浆方案端锚注浆是在锚杆孔成孔后,在锚杆底端部采纳化学药包将锚杆进行锚固后,再放入注浆管及排气管,封堵锚杆端头,再进行有压注浆。其特点是端部化学药包内含两种密封的化学浆液,施工时利用外力将密封层破坏后两种浆液反生化学反应,迅速将锚杆预锚固,可以对锚杆体系施加一定的预应力。其锚杆示意图如图所示:1、施工方法A、准备:凿岩台车就位,并接好供电、供水管线.B、测量布眼:根据锚杆设计间距及围岩层理、节理分布实际情况,用油漆标出眼位。布眼时对层理及节理发育部位,需加密布设。C、钻孔:用二臂液压钻孔台车钻孔,钻孔时钻杆垂于岩面或层理面.D、清孔及检查:用高压风吹净孔中石屑及细小石块,利于浆液与岩壁充分接触,并检查孔深。E、锚杆加工:锚杆采纳Ⅱ级 Φ25 螺纹钢,按设计尺寸下料,将外露端头 20cm 范围内攻丝,其丝口深度和成型后直径与锚杆端头垫板匹配。F、放入化学药包:用略小于孔径的 PVC 管将化学药包轻顶送入锚杆孔底部,实行分节送入,然后抽出 PVC 管。再放入牛皮纸团作止浆塞。G、锚杆插入:将锚杆插入,用锤子轻击将锚杆插至孔底,再旋转杆体,将化学药包内两种浆液间隔层破坏,使化学浆液迅速反应将锚杆端部锚固浆液凝固约需时间 3 分钟,其间需人工扶稳锚杆。H、上垫板及螺母:端锚完毕,再插入 φ6 排气管及 φ10 注浆管,再上密封垫板,锚固板及 M20 螺母,并施加少量的预加力旋紧,以利于岩体稳定。I、注浆:采纳 BW250 灰浆泵注浆,注浆压力 0。1~0.3Mpa。浆液材料为 1:1。5 水泥砂浆,砂浆采纳现场砂浆拌合机拌合,拌合时间不少于 3分钟。注浆时匀速注入,直至排气管浆液均匀流出时,则注浆饱满。2、注意事项A、钻孔,钻孔应垂直于岩石节理面,锚杆轴线应与岩体主结构面或滑移面成较大角度相交。不得生搬硬套采纳径向锚杆,并应视现场情况适当调整。B、化学药包在放入堵塞时,要确保堵塞严实,以免化学浆液溢出端锚段而造成锚固不实。C、化学药包在锚固时间内,必须保持锚杆稳固,不得晃动、转动,以确保锚固质量。D、上垫板时,如孔口不平,应采纳砂浆抹平处理。E、锚杆在未锚固前,其自重大,应防止锚杆滑...

1、当您付费下载文档后,您只拥有了使用权限,并不意味着购买了版权,文档只能用于自身使用,不得用于其他商业用途(如 [转卖]进行直接盈利或[编辑后售卖]进行间接盈利)。
2、本站所有内容均由合作方或网友上传,本站不对文档的完整性、权威性及其观点立场正确性做任何保证或承诺!文档内容仅供研究参考,付费前请自行鉴别。
3、如文档内容存在违规,或者侵犯商业秘密、侵犯著作权等,请点击“违规举报”。

碎片内容

工程施工中的锚杆施工工艺

您可能关注的文档

一帆文传+ 关注
实名认证
内容提供者

欢迎光临店铺,各类公文供您挑选。

确认删除?
VIP
微信客服
  • 扫码咨询
会员Q群
  • 会员专属群点击这里加入QQ群
客服邮箱
回到顶部