电脑桌面
添加小米粒文库到电脑桌面
安装后可以在桌面快捷访问

工程机械分类&属性

工程机械分类&属性_第1页
1/42
工程机械分类&属性_第2页
2/42
工程机械分类&属性_第3页
3/42
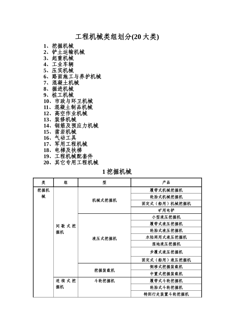
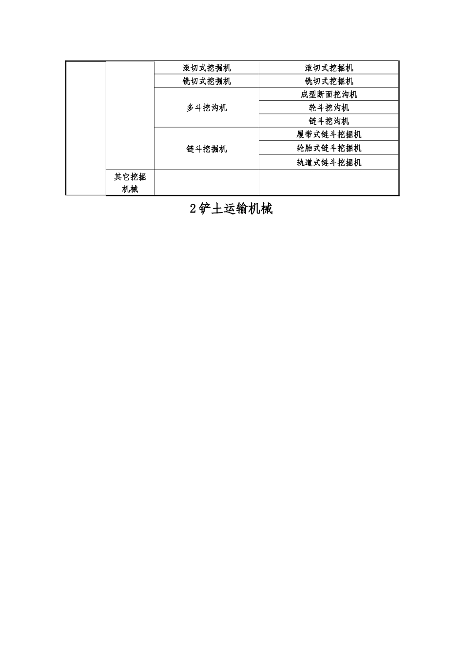
工程机械类组划分(20 大类)1、挖掘机械2、铲土运输机械3、起重机械4、工业车辆5、压实机械6、路面施工与养护机械7、混凝土机械8、掘进机械9、桩工机械10、市政与环卫机械11、混凝土制品机械12、高空作业机械13、装修机械14、钢筋及预应力机械15、凿岩机械16、气动工具17、军用工程机械18、电梯及扶梯19、工程机械配套件20、其它专用工程机械1 挖掘机械类组型产品挖掘机械间 歇 式 挖掘机机械式挖掘机履带式机械挖掘机轮胎式机械挖掘机固定式(船用)机械挖掘机矿用电铲液压式挖掘机小型液压挖掘机履带式液压挖掘机轮胎式液压挖掘机水陆两用式液压挖掘机湿地液压挖掘机步履式液压挖掘机固定式(船用)液压挖掘机挖掘装载机侧移式挖掘装载机中置式挖掘装载机连 续 式 挖掘机斗轮挖掘机履带式斗轮挖掘机轮胎式斗轮挖掘机特别行走装置斗轮挖掘机滚切式挖掘机滚切式挖掘机铣切式挖掘机铣切式挖掘机多斗挖沟机成型断面挖沟机轮斗挖沟机链斗挖沟机链斗挖掘机履带式链斗挖掘机轮胎式链斗挖掘机轨道式链斗挖掘机其它挖掘机械2 铲土运输机械类组型产品铲土运输机械装载机履带式装载机机械装载机液力机械装载机全液压装载机轮胎式装载机机械装载机液力机械装载机全液压装载机滑移转向式滑移转向装载机多斗装载机多斗装载机特别用途装载机履带湿地式装载机侧卸装载机井下装载机木材装载机铲运机自行铲运机自行轮胎式铲运机轮胎式双发动机铲运机自行履带式铲运机拖式铲运机机械铲运机液压铲运机推土机履带式推土机机械推土机液力机械推土机全液压推土机履带湿地式推土机轮胎式推土机液力机械推土机3 起重机械类组型产品起重机械流动式起重机轮胎式起重机汽车起重机全地面起重机轮胎起重机越野轮胎起重机随车起重机全液压推土机通井机通井机推耙机推耙机平地机自行式机械式平地机液力机械平地机全液压平地机拖式拖式平地机类组型产品铲土运输机械非公路自卸车刚性机械传动后卸式自卸车液力机械传动后卸式自卸车静液压传动后卸式自卸车电传动后卸式自卸车液力机械传动底卸式自卸车铰接式机械传动后卸式自卸车液力机械传动后卸式自卸车静液压传动后卸式自卸车电传动后卸式自卸车侧卸式机械传动侧卸式自卸车液力机械传动侧卸式自卸车静液压传动侧卸式自卸车电传动侧卸式自卸车回转式自卸车静液压传动后卸式自卸车重力翻斗车重力翻斗车作业准备机械除荆机除荆机除根机除根机其它铲土运输机械履带式起重机桁架臂履带起重机伸缩臂履带起重机专用流动式起重机...

1、当您付费下载文档后,您只拥有了使用权限,并不意味着购买了版权,文档只能用于自身使用,不得用于其他商业用途(如 [转卖]进行直接盈利或[编辑后售卖]进行间接盈利)。
2、本站所有内容均由合作方或网友上传,本站不对文档的完整性、权威性及其观点立场正确性做任何保证或承诺!文档内容仅供研究参考,付费前请自行鉴别。
3、如文档内容存在违规,或者侵犯商业秘密、侵犯著作权等,请点击“违规举报”。

碎片内容

工程机械分类&属性

MY shop+ 关注
实名认证
内容提供者

欢迎挑选适合自己的材料。

确认删除?
VIP
微信客服
  • 扫码咨询
会员Q群
  • 会员专属群点击这里加入QQ群
客服邮箱
回到顶部