电脑桌面
添加小米粒文库到电脑桌面
安装后可以在桌面快捷访问

2025年二建施工管理考点

2025年二建施工管理考点_第1页
1/28
2025年二建施工管理考点_第2页
2/28
2025年二建施工管理考点_第3页
3/28
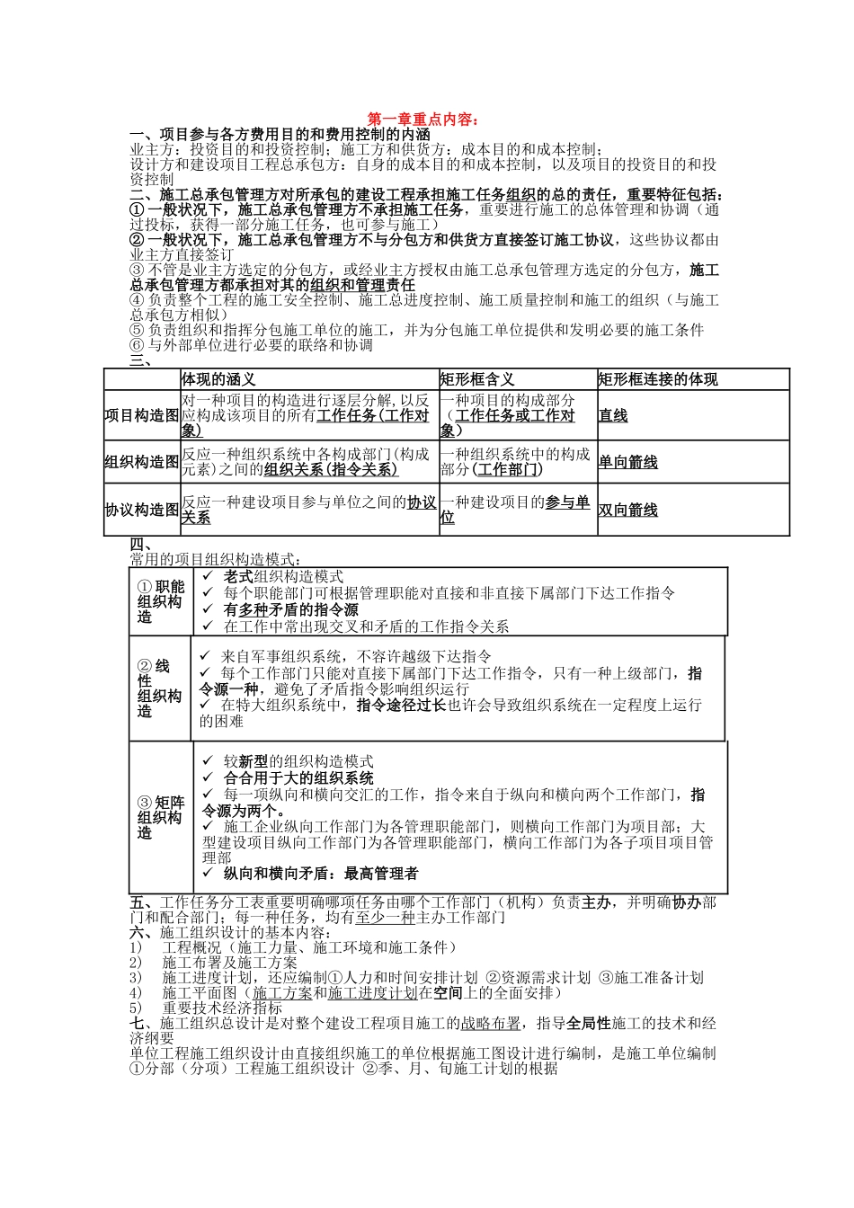
第一章重点内容:一、项目参与各方费用目的和费用控制的内涵业主方:投资目的和投资控制;施工方和供货方:成本目的和成本控制;设计方和建设项目工程总承包方:自身的成本目的和成本控制,以及项目的投资目的和投资控制二、施工总承包管理方对所承包的建设工程承担施工任务组织的总的责任,重要特征包括:① 一般状况下,施工总承包管理方不承担施工任务,重要进行施工的总体管理和协调(通过投标,获得一部分施工任务,也可参与施工)② 一般状况下,施工总承包管理方不与分包方和供货方直接签订施工协议,这些协议都由业主方直接签订③ 不管是业主方选定的分包方,或经业主方授权由施工总承包管理方选定的分包方,施工总承包管理方都承担对其的组织和管理责任④ 负责整个工程的施工安全控制、施工总进度控制、施工质量控制和施工的组织(与施工总承包方相似)⑤ 负责组织和指挥分包施工单位的施工,并为分包施工单位提供和发明必要的施工条件⑥ 与外部单位进行必要的联络和协调三、 体现的涵义矩形框含义矩形框连接的体现项目构造图对一种项目的构造进行逐层分解,以反应构成该项目的所有工作任务 ( 工作对 象 ) 一种项目的构成部分(工作任务或工作对象)直线组织构造图反应一种组织系统中各构成部门(构成元素)之间的组织关系 ( 指令关系 ) 一种组织系统中的构成部分(工作部门)单向箭线协议构造图反应一种建设项目参与单位之间的协议关系一种建设项目的参与单位双向箭线四、常用的项目组织构造模式:① 职能组织构造 老式组织构造模式 每个职能部门可根据管理职能对直接和非直接下属部门下达工作指令 有多种矛盾的指令源 在工作中常出现交叉和矛盾的工作指令关系② 线性组织构造 来自军事组织系统,不容许越级下达指令 每个工作部门只能对直接下属部门下达工作指令,只有一种上级部门,指令源一种,避免了矛盾指令影响组织运行 在特大组织系统中,指令途径过长也许会导致组织系统在一定程度上运行的困难③ 矩阵组织构造 较新型的组织构造模式 合合用于大的组织系统 每一项纵向和横向交汇的工作,指令来自于纵向和横向两个工作部门,指令源为两个。 施工企业纵向工作部门为各管理职能部门,则横向工作部门为项目部;大型建设项目纵向工作部门为各管理职能部门,横向工作部门为各子项目项目管理部 纵向和横向矛盾:最高管理者五、工作任务分工表重要明确哪项任务由哪个工作部门(机构)负...

1、当您付费下载文档后,您只拥有了使用权限,并不意味着购买了版权,文档只能用于自身使用,不得用于其他商业用途(如 [转卖]进行直接盈利或[编辑后售卖]进行间接盈利)。
2、本站所有内容均由合作方或网友上传,本站不对文档的完整性、权威性及其观点立场正确性做任何保证或承诺!文档内容仅供研究参考,付费前请自行鉴别。
3、如文档内容存在违规,或者侵犯商业秘密、侵犯著作权等,请点击“违规举报”。

碎片内容

2025年二建施工管理考点

静心书店+ 关注
实名认证
内容提供者

专注于各类考试试卷和真题。

相关文档

确认删除?
VIP
微信客服
  • 扫码咨询
会员Q群
  • 会员专属群点击这里加入QQ群
客服邮箱
回到顶部