电脑桌面
添加小米粒文库到电脑桌面
安装后可以在桌面快捷访问

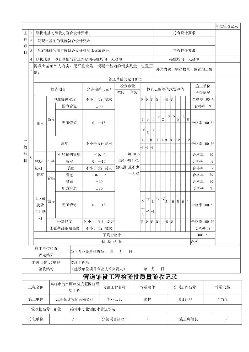
市政给排水管道工程检验批质量验收记录表

市政给排水管道工程检验批质量验收记录表_第1页
1/6
市政给排水管道工程检验批质量验收记录表_第2页
2/6
市政给排水管道工程检验批质量验收记录表_第3页
3/6
沟槽开挖与地基处理工程检验批质量验收记录工程名称高邮市清水潭旅游度假区普照街工程分部工程名称土方工程分项工程名称沟槽开挖施工单位江苏扬建集团有限公司专业工长张林项目经理李竹全验收批名称、部位接待中心北侧雨水管道分包单位/分包项目经理/施工班组长/GB50268-2024《给水排水管道工程施工及验收法律规范》的规定施工单位检查评定记录监理(建设)单位验收记录主控项目1 原状地基土不得扰动、受水浸泡或受冻;未受扰动、未受水浸泡2 地基承载力应满足设计要求;3 地基处理时,压实度、厚度应满足设计要求;一般项目4沟槽开挖的允许偏差检查项目允许偏差(㎜)检查数量检查点偏差值或实测值施工单位检查情况范围点数槽底高程土方±20两井之间3-5783 —5 —4 7 —5 7合格率 100 %石方+20、-200槽底中线每侧宽度不小于规定两井之间6不 小 于 规 定合格率 %沟槽边坡不陡于规定两井之间6不 陡 于 规 定合格率 %平均合格率100%检 验 结 论合格施工单位检查评定结果项目专业质量检查员: 年 月 日 监理(建设)单位验收结论监理工程师(建设单位项目专业技术负责人) 年 月 日沟槽回填(柔性管道)工程检验批质量验收记录工程名称高邮市清水潭旅游度假区普照街工程分部工程名称土方工程分项工程名称管槽回填施工单位江苏扬建集团有限公司专业工长张林项目经理李竹全验收批名称、部位1 号教学楼东侧、南侧雨水管道管槽回填分包单位分包项目经理施工班组长GB50268-2024《给水排水管道工程施工及验收法律规范》的规定施工单位检查评定记录监理(建设)单位验收记录主控项目1 回填材料符合设计要求;符合要求2 沟槽不得带水回填,回填应密实;未带水回填,回填密实3 柔性管道的变形率不得超过设计或法律规范要求;符合法律规范要求4回填土压实度应符合设计或法律规范要求;符合设计要求一般项目5 柔性管道沟槽回填土压实度槽内部位压实度(%)回填材料检查数量检查点偏差值或实测值施工单位检查情况范围点数管道基础管底基础≥90中、粗砂--9192919394929192合格率 100%管道有效支撑角范围≥95每100m每层每侧一组(每组 3点)合格率 %管道两侧≥95中、粗砂、碎 石 屑 , 最大粒径小于40㎜的砂砾或符合要求的原土两 井之 间或 每1000㎡96959496989698979695合格率91。7%9695989695989698979694959698管顶以上500㎜管道两侧≥90合格率 %管道上部85±2合格率 %管顶 500~1000㎜≥90原土回填合格率 %平...

1、当您付费下载文档后,您只拥有了使用权限,并不意味着购买了版权,文档只能用于自身使用,不得用于其他商业用途(如 [转卖]进行直接盈利或[编辑后售卖]进行间接盈利)。
2、本站所有内容均由合作方或网友上传,本站不对文档的完整性、权威性及其观点立场正确性做任何保证或承诺!文档内容仅供研究参考,付费前请自行鉴别。
3、如文档内容存在违规,或者侵犯商业秘密、侵犯著作权等,请点击“违规举报”。

碎片内容

市政给排水管道工程检验批质量验收记录表

MY shop+ 关注
实名认证
内容提供者

欢迎挑选适合自己的材料。

确认删除?
VIP
微信客服
  • 扫码咨询
会员Q群
  • 会员专属群点击这里加入QQ群
客服邮箱
回到顶部