电脑桌面
添加小米粒文库到电脑桌面
安装后可以在桌面快捷访问

建筑公司施工管理工作流程

建筑公司施工管理工作流程_第1页
1/36
建筑公司施工管理工作流程_第2页
2/36
建筑公司施工管理工作流程_第3页
3/36
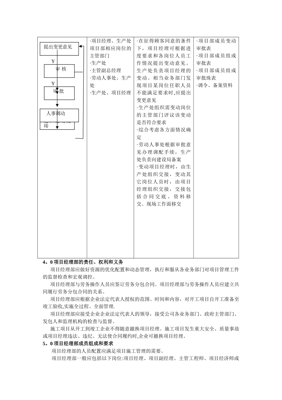
建筑公司施工管理手册目录项目施工管理内容………………………………………………………………………………项目经理部的建立和变更流程…………………………………………………………………图纸会审及设计变更流程………………………………………………………………………施工组织设计和方案的编制、审核和审批流程………………………………………………临时设施的搭建和验收流程…………………………………………………………………….办理开工申请手续流程…………………………………………………………………………。施工进度控制流程………………………………………………………………………………。劳动力控制流程…………………………………………………………………………………。施工材料控制流程………………………………………………………………………………。。施工设备控制流程……………………………………………………………………………….。技术交底和安全技术交底流程…………………………………………………………………。。工程分包控制流程………………………………………………………………………………。。特别过程控制流程………………………………………………………………………………..检验批、分项工程和分部工程验收流程………………………………………………………。.竣工验收流程……………………………………………………………………………………。.项目施工管理内容本手册所述的项目施工管理的内容与流程包括企业管理层和项目经理部参加的项目施工管理活动,并以施工现场的管理为重点。项目管理的每一个过程,都应体现计划、实施、检查、处理(PDCA)的持续改进过程。 项目经理部的管理内容应“项目承包合同”(自营项目)、“项目管理目标责任书”(合作型项目)确定,并由项目经理负责组织实施。项目经理部应按监理机构提供的“监理规划”和“监理实施细则"的要求,接受并配合监理工作。 项目施工管理的内容和流程包括:1。0 施工准备控制阶段1。1 项目经理部的建立和变更1.2 图纸会审和设计变更1。3 施工组织设计和方案的编制、审核和审批1。4 临时设施的搭建和验收1.5 开工申请2。0 施工过程控制阶段2。1 施工进度计划控制2。2 劳动力控制2。3 材料控制2.4 设备控制2。5 技术交底和安全技术交底2。6 工程分包控制2。7 特别过程近程2。8 检验批、分项工程、分部工程验收3。0 竣工验收阶段3....

1、当您付费下载文档后,您只拥有了使用权限,并不意味着购买了版权,文档只能用于自身使用,不得用于其他商业用途(如 [转卖]进行直接盈利或[编辑后售卖]进行间接盈利)。
2、本站所有内容均由合作方或网友上传,本站不对文档的完整性、权威性及其观点立场正确性做任何保证或承诺!文档内容仅供研究参考,付费前请自行鉴别。
3、如文档内容存在违规,或者侵犯商业秘密、侵犯著作权等,请点击“违规举报”。

碎片内容

建筑公司施工管理工作流程

元素商铺+ 关注
实名认证
内容提供者

欢迎挑选合适的文档

确认删除?
VIP
微信客服
  • 扫码咨询
会员Q群
  • 会员专属群点击这里加入QQ群
客服邮箱
回到顶部