电脑桌面
添加小米粒文库到电脑桌面
安装后可以在桌面快捷访问

建筑给排水安装工程质量控制要点

建筑给排水安装工程质量控制要点_第1页
1/6
建筑给排水安装工程质量控制要点_第2页
2/6
建筑给排水安装工程质量控制要点_第3页
3/6
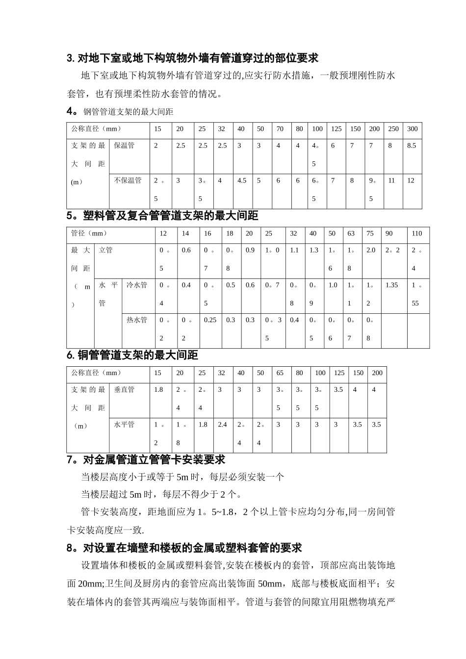
建筑给排水安装工程质量控制要点一、建筑给排水及采暖工程分部、分项工程划分分部工程序号子分部工程分项工程建筑给排水及采暖工程1室内给水系统 给水管道及配件安装、室内消火栓统安装、给水设备安装、管道防腐、绝热2室内排水系统排水管道及配件安装、雨水管道及配件安装3室内热水供应系统管道及配件安装、辅助设备安装、防腐、绝热4卫生器具安装卫生器具安装、卫生器具给水配件安装、卫生器具排水管道安装5室内采暖系统管道及配件安装、辅助设备及散热器安装、金属辐射板安装、低温热水地板辐射采暖系统安装、系统水压试验及调试、防腐、绝热6室外给水管网给水管道安装、消防水泵接合器及室外消火栓安装、管沟及井室7室外排水管网排水管道安装、排水管沟及井池8室外供热管网管道及配件安装、系统水压试验及调试、防腐、绝热9建筑中水系统游泳池系统建筑中水系统管道及辅助设备安装、游泳池水系统安装10供热锅炉及辅助设备安装锅炉安装、辅助设备及管道安装、安全附件安装、烘炉、煮炉和试运行、换热站安装、防腐、绝热二、重点关注内容1。建筑给排水工程所使用的主要材料设备验收要求主要材料、成品、半成品、配件、器具和设备必须有中文合格证、检测报告、安装使用说明书。材料的品种规格、型号、外观等应符合技术标准或设计要求.2.对阀门试验持续时间的规定公称直径DN(mm)最短试验持续时间(S)严密性试验强度试验金属密封非金属密封≤5015151565~200301560250~45060301803.对地下室或地下构筑物外墙有管道穿过的部位要求地下室或地下构筑物外墙有管道穿过的,应实行防水措施,一般预埋刚性防水套管,也有预埋柔性防水套管的情况。4。钢管管道支架的最大间距公称直径(mm)1520253240507080100125150200250300支 架 的 最大间距(m)保温管22.52.52.533444。567788.5不保温管2 。533。544.55666。5789。511125。塑料管及复合管管道支架的最大间距管径(mm)121416182025324050637590110最 大间 距(m)立管0 。50.60 。70。80.91。01.11.31。61。82.02。22 。4水 平管冷水管0 。40.40 。50.50.60。70。80。91.01。11。21.351 。55热水管0 。20 。20.250.30.30 。 350.40。50。60。70。86.铜管管道支架的最大间距公称直径(mm)1520253240506580100125150200支 架 的 最大间距(m)垂直管1.82 。42。43333。53。53。53.544水平管1 。21 。81.82.42。42。433333.53.57。对金属管道立管管卡安装要求当楼层高度小于或等于...

1、当您付费下载文档后,您只拥有了使用权限,并不意味着购买了版权,文档只能用于自身使用,不得用于其他商业用途(如 [转卖]进行直接盈利或[编辑后售卖]进行间接盈利)。
2、本站所有内容均由合作方或网友上传,本站不对文档的完整性、权威性及其观点立场正确性做任何保证或承诺!文档内容仅供研究参考,付费前请自行鉴别。
3、如文档内容存在违规,或者侵犯商业秘密、侵犯著作权等,请点击“违规举报”。

碎片内容

建筑给排水安装工程质量控制要点

一二三四传媒+ 关注
实名认证
内容提供者

大量资料供您选择,没有合适的可以联系小二。

确认删除?
VIP
微信客服
  • 扫码咨询
会员Q群
  • 会员专属群点击这里加入QQ群
客服邮箱
回到顶部