电脑桌面
添加小米粒文库到电脑桌面
安装后可以在桌面快捷访问

排污许可证申请登记表

排污许可证申请登记表_第1页
1/3
排污许可证申请登记表_第2页
2/3
排污许可证申请登记表_第3页
3/3
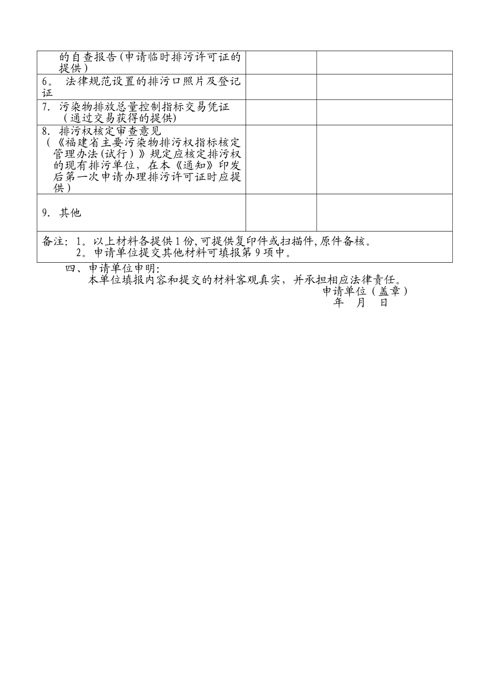
福建省排污许可证申请登记表 (以下内容,没有的应填写“无”或“/”)申请类别: 排污许可证 □ 临时排污许可证 □一、申请单位基本情况(申请单位填写)单位名称(公章)组织机构代码证号营业执照注册号行业代码名称单位地址邮政编码中心位置经、纬度法定代表人、联系电话环保联系人、联系电话项目类型1、新建项目□; 2、现有项目□; 3、改、扩建项目□环评审批部门、文号、时间环评验收部门、文号、时间突发环境事件预案制定新奇用水量(万吨/年)能源消耗量(万吨标煤/年)二、污染物排放情况(申请单位填写)废水排放量(万吨/年)废气排放量(万标立方米/年)排污口情编号(名称)位置排放方式排放去向是否安装自动监控设施是否与环保部门联网在线监测污染物种类是否法律规范况主要污染物排放情况(填写排放现状:浓度、总量等)主要生产工艺(可附页)水污染物处理方式(处理工艺、处理能力)(可附页)气污染物处理方式(处理工艺、处理能力)(可附页)其他三、申请单位提交的相关材料(申请单位填写)名称是否已提交备注1.工商营业执照2.组织机构代码证3.建设项目环境影响评价批复意见4. 建设项目竣工环境保护验收合格材料 (申请临时排污许可证不需提交)5. 建设项目落实环评批复文件批复意见的自查报告(申请临时排污许可证的提供)6。 法律规范设置的排污口照片及登记证7.污染物排放总量控制指标交易凭证(通过交易获得的提供)8.排污权核定审查意见(《福建省主要污染物排污权指标核定管理办法(试行)》规定应核定排污权的现有排污单位,在本《通知》印发后第一次申请办理排污许可证时应提供)9.其他备注:1。以上材料各提供 1 份,可提供复印件或扫描件,原件备核。 2。申请单位提交其他材料可填报第 9 项中。四、申请单位申明:本单位填报内容和提交的材料客观真实,并承担相应法律责任。 申请单位(盖章) 年 月 日

1、当您付费下载文档后,您只拥有了使用权限,并不意味着购买了版权,文档只能用于自身使用,不得用于其他商业用途(如 [转卖]进行直接盈利或[编辑后售卖]进行间接盈利)。
2、本站所有内容均由合作方或网友上传,本站不对文档的完整性、权威性及其观点立场正确性做任何保证或承诺!文档内容仅供研究参考,付费前请自行鉴别。
3、如文档内容存在违规,或者侵犯商业秘密、侵犯著作权等,请点击“违规举报”。

碎片内容

排污许可证申请登记表

不二商店+ 关注
实名认证
内容提供者

我是你的不二选择

确认删除?
VIP
微信客服
  • 扫码咨询
会员Q群
  • 会员专属群点击这里加入QQ群
客服邮箱
回到顶部