电脑桌面
添加小米粒文库到电脑桌面
安装后可以在桌面快捷访问

施工组织设计安全措施部分

施工组织设计安全措施部分_第1页
1/14
施工组织设计安全措施部分_第2页
2/14
施工组织设计安全措施部分_第3页
3/14
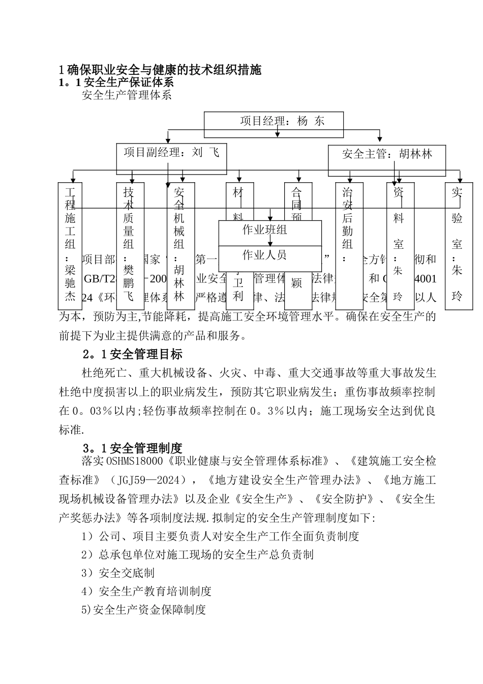
安全主管:胡林林1 确保职业安全与健康的技术组织措施1。1 安全生产保证体系安全生产管理体系项目部执行国家“安全第一,预防为主,综合治理”的安全方针。贯彻和执行 GB/T28001-2001《职业安全健康管理体系、法律规范》和 GB/T24001—2024《环境管理体系》。严格遵守法律、法规和法律规范.安全第一,以人为本,预防为主,节能降耗,提高施工安全环境管理水平。确保在安全生产的前提下为业主提供满意的产品和服务。2。1 安全管理目标杜绝死亡、重大机械设备、火灾、中毒、重大交通事故等重大事故发生杜绝中度损害以上的职业病发生,预防其它职业病发生;重伤事故频率控制在 0。03%以内;轻伤事故频率控制在 0。3%以内;施工现场安全达到优良标准.3。1 安全管理制度落实 OSHMS18000《职业健康与安全管理体系标准》、《建筑施工安全检查标准》(JGJ59—2024),《地方建设安全生产管理办法》、《地方施工现场机械设备管理办法》以及企业《安全生产》、《安全防护》、《安全生产奖惩办法》等各项制度法规.拟制定的安全生产管理制度如下:1)公司、项目主要负责人对安全生产工作全面负责制度2)总承包单位对施工现场的安全生产总负责制3)安全交底制4)安全生产教育培训制度5)安全生产资金保障制度项目经理:杨 东项目副经理:刘 飞工程施工组:梁驰杰技术质量组:樊鹏飞安全机械组:胡林林材料组:李卫利合同预算组:张颖治安后勤组:资料室:朱玲实验室:朱玲作业班组作业人员6)班组班前安全活动制度7)安全检查制度8)施工现场文明施工管理制度9)消防管理制度10)生活卫生规章制度11)安全用电制度12)工伤事故报告制度13)保卫值班制度4.安全责任制为了仔细贯彻执行国家有关安全生产的方针、政策、法令、法规和公司的各项安全生产管理制度,本项目全面落实安全生产责任制度,分工明确,责任落实到人。4。1 管理人员岗位职责1)项目经理安全生产职责:项目经理是项目安全生产的第一责任人,对项目的安全生产全面负责;召开安全生产专题会议,讨论解决安全生产中突出问题;不断改善劳动条件和工作环境;配备安全管理人员,积极支持安全员开展工作;参加生产性事故的调查处理;负责对项目副经理、主任工程师安全生产责任制的考核。2)项目生产副经理安全生产职责:对本项目的安全生产负直接领导责任;结合项目实际制定相应的措施,并检查落实;参加施工方案及其安全措施的编制,主持制定并审批项目安全生产管理方案的实施细则,负责安全教育和培训...

1、当您付费下载文档后,您只拥有了使用权限,并不意味着购买了版权,文档只能用于自身使用,不得用于其他商业用途(如 [转卖]进行直接盈利或[编辑后售卖]进行间接盈利)。
2、本站所有内容均由合作方或网友上传,本站不对文档的完整性、权威性及其观点立场正确性做任何保证或承诺!文档内容仅供研究参考,付费前请自行鉴别。
3、如文档内容存在违规,或者侵犯商业秘密、侵犯著作权等,请点击“违规举报”。

碎片内容

施工组织设计安全措施部分

您可能关注的文档

确认删除?
VIP
微信客服
  • 扫码咨询
会员Q群
  • 会员专属群点击这里加入QQ群
客服邮箱
回到顶部