电脑桌面
添加小米粒文库到电脑桌面
安装后可以在桌面快捷访问

施工设备进场报验单

施工设备进场报验单_第1页
1/3
施工设备进场报验单_第2页
2/3
施工设备进场报验单_第3页
3/3
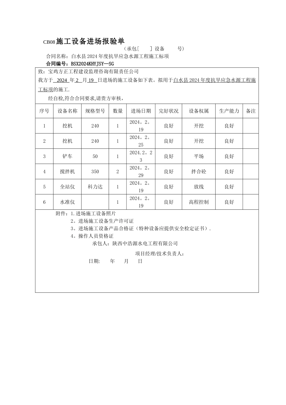
CB08施工设备进场报验单 (承包[ ]设备 号) 合同名称:白水县 2024 年度抗旱应急水源工程施工标项 合同编号:BSX2024KHYJSY—SG致:宝鸡方正工程建设监理咨询有限责任公司我方于 2024 年 2 月 19 日进场的施工设备如下表。拟用于白水县 2024 年度抗旱应急水源工程施 工标项的施工.经自检,符合合同要求,请贵方审核,序号设备名称规格型号数量进场日期完好状况设备权属生产能力备注1挖机24012024。2。19良好开挖良好2挖机24012024。2。25良好开挖良好3铲车5012024.2。23良好平场良好4搅拌机35022024。2。29良好拌合砼良好5全站仪科力达12024。2。19良好放线良好6水准仪12024。2。19良好高程控制良好 附件:1.进场施工设备照片 2。进场施工设备生产许可证 3。进场施工设备产品合格证(特种设备应提供安全检定证书). 4。操作人员资格证 承包人:陕西中浩源水电工程有限公司 项目经理/技术负责人: 日期: 年 月 日 审核意见:□同意进场使用□不同意进场使用 理由: 监 理 机 构 : 宝 鸡 方 正 工 程 建 设 监 理 咨 询 有 限 责 任 公 司 监理工程师: 日期: 年 月 日说明:本表一式份,由承包人填写,监理机构审签后,承包商人、监理机构、发包人各 1 份。CB13 施工测量成果报验单 (承包[ ]测量 号)合同名称:白水县 2024 年度抗旱应急水源工程施工标项 合同编号:BSX2024KHYJSY—SG致:宝鸡方正工程建设监理咨询有限责任公司 我方已完成□施工控制测量/□工程计量测量/□地形测量/□施工期变形检测的施工测量工作,经自检合格,请贵方审核。 施测部位:抽水站 施测说明:采纳科力达全站仪恢复轴线,水准仪测量原地面高程 附件:□施工控制测量□工程计量测量□地形测量□施工期变形检测1.测量数据.2.数据分析及平差成果1.工程量计算表。2.断面图.3.其他1.测量数据.2.数据分析及成果(数据处理方法,断面图或地形图)1.观测数据。2.数据分析及评价 承包人:陕西中浩源水电工程有限公司 项目经理/技术负责人:(签名) 日期: 年 月 日 审核意见: 监理机构:宝鸡方正工程建设监理咨询有限责任公司 监理工程师: 日期: 年 月 日说明:本表一式份,由承包人填写,监理机构审签后,承包商人、监理机构、发包人各 1 份。

1、当您付费下载文档后,您只拥有了使用权限,并不意味着购买了版权,文档只能用于自身使用,不得用于其他商业用途(如 [转卖]进行直接盈利或[编辑后售卖]进行间接盈利)。
2、本站所有内容均由合作方或网友上传,本站不对文档的完整性、权威性及其观点立场正确性做任何保证或承诺!文档内容仅供研究参考,付费前请自行鉴别。
3、如文档内容存在违规,或者侵犯商业秘密、侵犯著作权等,请点击“违规举报”。

碎片内容

施工设备进场报验单

确认删除?
VIP
微信客服
  • 扫码咨询
会员Q群
  • 会员专属群点击这里加入QQ群
客服邮箱
回到顶部