电脑桌面
添加小米粒文库到电脑桌面
安装后可以在桌面快捷访问

2025年造价员考试案例培训范本

2025年造价员考试案例培训范本_第1页
1/29
2025年造价员考试案例培训范本_第2页
2/29
2025年造价员考试案例培训范本_第3页
3/29
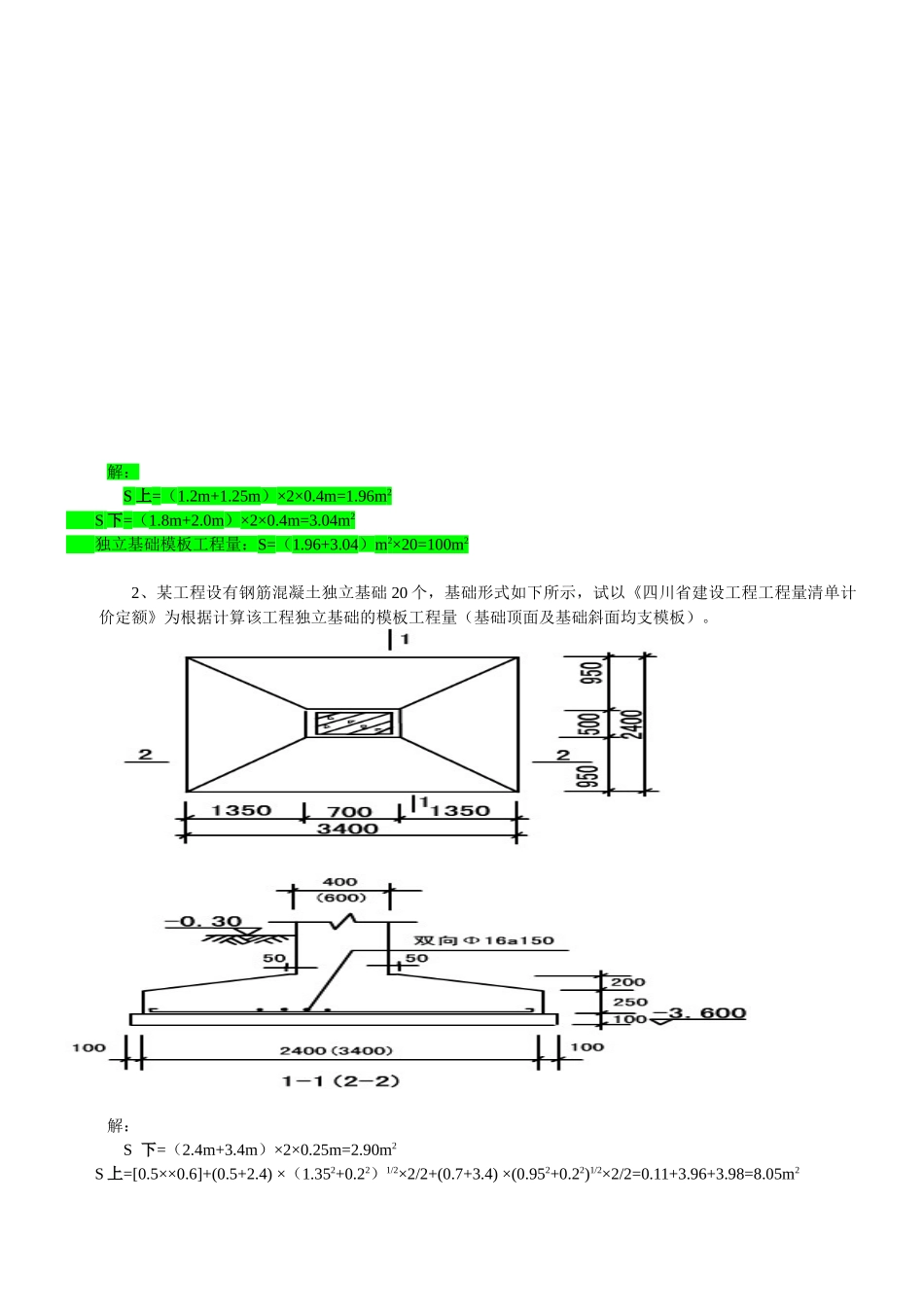
全国造价员培训《土建专业》 工程计量与计价 (案例)教师:陈胜明教师:陈胜明-8-21-8-21案例一:(模板工程量计算案例)1、某工程设有钢筋混凝土独立基础 20 个,基础形式如下所示,试以《四川省建设工程工程量清单计价定额》为根据计算该工程独立基础的模板工程量。解:S 上=(1.2m+1.25m)×2×0.4m=1.96m2 S 下=(1.8m+2.0m)×2×0.4m=3.04m2 独立基础模板工程量:S=(1.96+3.04)m2×20=100m22、某工程设有钢筋混凝土独立基础 20 个,基础形式如下所示,试以《四川省建设工程工程量清单计价定额》为根据计算该工程独立基础的模板工程量(基础顶面及基础斜面均支模板)。解:S 下=(2.4m+3.4m)×2×0.25m=2.90m2 S 上=[0.5××0.6]+(0.5+2.4) ×(1.352+0.22)1/2×2/2+(0.7+3.4) ×(0.952+0.22)1/2×2/2=0.11+3.96+3.98=8.05m2 独立基础模板工程量:S=(2.90+8.05)m2×20=219m23、梁模板工程量计算:(略。当梁与柱子连接并以柱子作为支座时,模板长度算至柱侧面,计算面积时不计算梁上表面,只算两个侧面和一种底面,同步扣掉梁与柱子相交处面积;当梁以墙作为支座时,模板长度仅扣掉支座宽度,计算面积时计算梁沿宽度方向两个侧面积和除支座宽度以外的梁底面积,同步还要计算沿着长度方向的两个端面面积)案例二(有关基础土方工程量计算及综合单价计算) 背景资料:一、 设计阐明1、 某工程+0.000 如下的柱及独立基础平面、剖面图详见下图,此独立基础及柱合计 20 个。2、 基础垫层为非原槽浇筑,垫层考虑支模,混凝土强度等级为 C 一五(中砂、砾石 5-40mm),独立基础及柱子混凝土强度等级为(中砂、5-40mm 砾石)C20。基础及垫层混凝土均考虑为现场搅拌。3、 本工程建设方已经完毕三通一平,基础土壤类别及填土均为三类土壤,均属于天然密实土壤,室内外高差 300mm。二、 其他规定1、 本基础工程为非桩基工程,土方开挖为人工开挖、放坡,不考虑开挖时地表水排放及基底钎探,工作面为 300mm,放坡系数为 1:0.3。2、 开挖的基础土方中有 60%通过人力车运送、堆放在现场 50m 的地方。此外的一部分土壤堆放在基坑边。3、 余土外运或取土回填,采用机械运送,场外运送距离为 5km。4、 回填仅有基础回填,考虑为人工夯填。问题:一、 根据设计阐明、其他规定、平面剖面图,审查如下分部分项工程量清单中+0.000 如下的清单工程量(表一)及计算挖基础土方项目、基础土方回填项目工程量清单...

1、当您付费下载文档后,您只拥有了使用权限,并不意味着购买了版权,文档只能用于自身使用,不得用于其他商业用途(如 [转卖]进行直接盈利或[编辑后售卖]进行间接盈利)。
2、本站所有内容均由合作方或网友上传,本站不对文档的完整性、权威性及其观点立场正确性做任何保证或承诺!文档内容仅供研究参考,付费前请自行鉴别。
3、如文档内容存在违规,或者侵犯商业秘密、侵犯著作权等,请点击“违规举报”。

碎片内容

2025年造价员考试案例培训范本

您可能关注的文档

确认删除?
VIP
微信客服
  • 扫码咨询
会员Q群
  • 会员专属群点击这里加入QQ群
客服邮箱
回到顶部