电脑桌面
添加小米粒文库到电脑桌面
安装后可以在桌面快捷访问

暗浜处理施工方案

暗浜处理施工方案_第1页
1/7
暗浜处理施工方案_第2页
2/7
暗浜处理施工方案_第3页
3/7
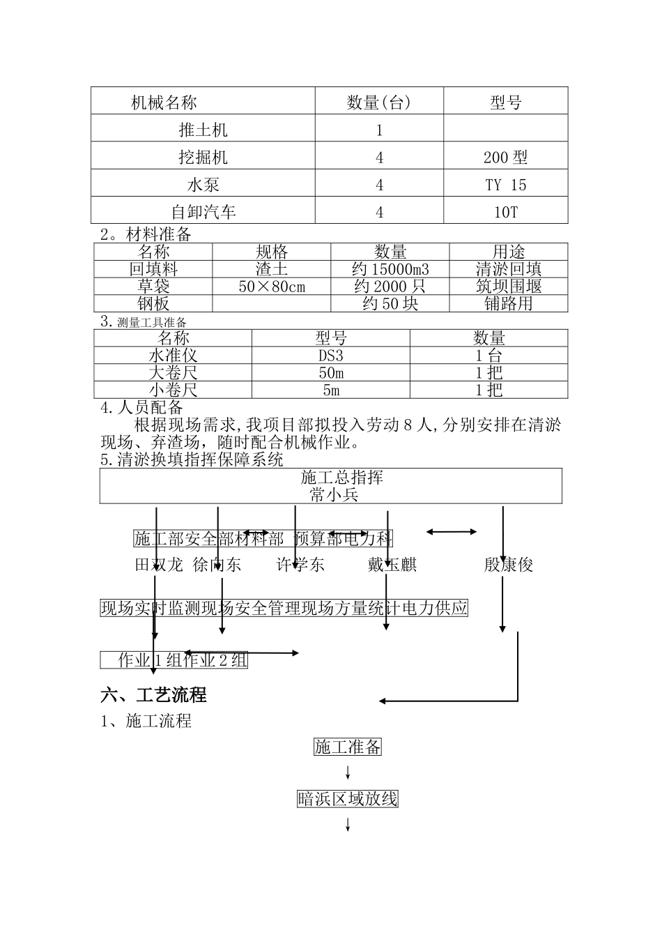
上海金山红星国际广场项目暗浜清淤换填施工方案施工单位:江苏苏南建筑安装工程有限公司 编 制 人: 田双龙 审 核 人: 二 00 一四年二月目 录一 、 工程概况 1二 、 编制依据 Error: Reference source not found 三 、 暗浜分布范围 1 四 、 工期安排 3 五 、 施工 组织与 部署 3 六 、 施工方案 4 七 、 进度保证措施 6 八 、 质量保证措施 7 九 、 安全文明保证措施 8 金山红星国际广场工程暗浜处理方案 一、工程概况上海金山红星广场位于金山区松卫南路以东、龙山路以北龙翔路以南、海芙路以西地块内,占地面积约 10 万 M2,根据勘察报告及现场实际情况显示,本项目场地内有暗浜交错通过,且贯穿整个场地。暗浜均宽度约 5。4 米,深度在 2。8—3.5 米,局部超过 3。5 米!暗浜内土质为软塑状灰黑色淤泥,含有机质及腐植物,土质很差。这将严重影响打桩及挖土工作的正常进行,故必须对此先进行清淤挖除、换填道渣处理.现作暗浜处理具体方案,旨在明确施工操作顺序和质量管理,为后续工作提供可靠依据和保障!二、编制依据 《建筑地基基础工程施工质量验收法律规范》GB50202—2024《建筑地基处理技术法律规范》JGJ79—2024《金山红星美凯龙岩土工程勘察报告》上海金山红星国际广场总平面蓝图。三、暗浜分布范围金山项目场地内暗浜分布如下图: 上图为:上海金山项目范围内暗浜图 上图为:上海金山项目场地内暗浜现场照片本场地内东、西、南、北四侧均分布有暗浜,呈“王"字状,大致为三纵一横向分布.为了方便计算与统计,现将暗浜分段标注,从Ⅰ—Ⅴ段,以下为各标段的详细数据:Ⅰ标段总长约215m,宽度最宽处为 5。8m,最窄处为 4.2m,平均宽度约为5。05m,深度约为 3。4m,Ⅰ 标段总总面积为 10875。75m2;Ⅱ标段总长约为 165m,宽度最宽处 6.2m,最窄处约 4。6m,均宽约5.4m。深度约为 4m,总面积约 891m2;Ⅲ 标段总长约 290m,宽度最宽处约 6.5m,最窄处约 4.9m,均宽约 5。7m,深度约为4.2m,总面积约 1653m2;Ⅳ标段总长约为 160m,宽度最宽处为7.2m,最窄处宽度约为 6。5m,均宽约为 6.85m,深度约为3.9m,最深处约为 4。4m,总面积约为 1096m2;Ⅴ标段总长约为 65m,均宽约为 5。8m,深度约为 3.8m,总面积约为 377m2。Ⅰ-Ⅴ 标段(整个现场暗浜)总长度约为 895m,按统一宽度5.4m 算,总面积约为 5155m2;暗浜深度统一根据 3m 算,那么填土总方量约为 145...

1、当您付费下载文档后,您只拥有了使用权限,并不意味着购买了版权,文档只能用于自身使用,不得用于其他商业用途(如 [转卖]进行直接盈利或[编辑后售卖]进行间接盈利)。
2、本站所有内容均由合作方或网友上传,本站不对文档的完整性、权威性及其观点立场正确性做任何保证或承诺!文档内容仅供研究参考,付费前请自行鉴别。
3、如文档内容存在违规,或者侵犯商业秘密、侵犯著作权等,请点击“违规举报”。

碎片内容

暗浜处理施工方案

确认删除?
VIP
微信客服
  • 扫码咨询
会员Q群
  • 会员专属群点击这里加入QQ群
客服邮箱
回到顶部