电脑桌面
添加小米粒文库到电脑桌面
安装后可以在桌面快捷访问

2025年高等职业学院技能竞赛数控车床理论知识竞赛试卷含答案

2025年高等职业学院技能竞赛数控车床理论知识竞赛试卷含答案_第1页
1/6
2025年高等职业学院技能竞赛数控车床理论知识竞赛试卷含答案_第2页
2/6
2025年高等职业学院技能竞赛数控车床理论知识竞赛试卷含答案_第3页
3/6
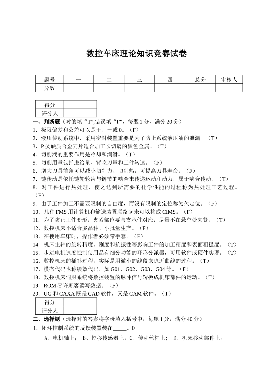
数控车床理论知识竞赛试卷题号一二三四总分审核人分数得分评分人一、判断题(对的填“T”,错误填“F”,每题 1 分,满分 20 分)1.极限偏差和公差可以是+、-或 0。(F)2.液压传动系统中,采用密封装置重要是为了防止系统液压油的泄漏。(T)3.P 类硬质合金刀片适合加工长切屑的黑色金属。(T)4.切削液的重要作用是冷却和润滑。(T)5.切削用量包括进给量、背吃刀量和工件转速。(F)6.增大刀具前角可以减小切削力、切削热,可提高刀具寿命。(F)7.链传动是依托链轮轮齿与链节的啮合来传递运动和动力,属于啮合传动。(T)8.对工件进行热处理,使之达到所需要的化学性能的过程称为热处理工艺过程。(F)9.由于工件加工不需要限制的自由度,而没有限制的定位称为欠定位。(F)10.几种 FMS 用计算机和输送装置联络起来可以构成 CIMS。(F)11.为了防止工件变形,夹紧部位要与支承件对应,尽量不在悬空处夹紧。(T)12.数控机床不适合多品种、小批量生产。(F)13.在使用车床时,操作者必须带手套。(F)14.机床主轴的旋转精度、刚度和抗振性等影响工件的加工精度和表面粗糙度。(T)15.步进电机速度控制使用品有细分功能的环形分派器,可用软件或硬件实现。(T)16.数控机床的插补过程,实际是用微小的线段来迫近曲线的过程。(T)17.模态代码也称续效代码,如 G01、G02、G03、G04 等。(F)18.数控机床伺服系统将数控装置的脉冲信号转换成机床部件的运动。(T)19.ROM 容许顾客读写数据。(F)20.UG 和 CAXA 既是 CAD 软件,又是 CAM 软件。(T)得分评分人二、选择题(选择对的答案将字母填入括号中,每题 1 分,满分 40 分)1.闭环控制系统的反馈装置装在 。DA、电机轴上; B、位移传感器上,C、传动丝杠上; D、机床移动部件上。2.钢直尺的测量精度一般能达到 。AA、0.2mm~0.5mm;B、O.5mm~0.8mm;C、O.lmm~0.2mm。3.M 代码控制机床多种 。CA、运动状态;B、刀具变换;C、辅助动作状态;D、固定循环。4.交、直流伺服电动机和一般交、直流电动机的 。BA、工作原理及构造完全相似; B、工作原理相似,但构造不一样:C、工作原理不一样,但构造相似; D、工作原理及构造完全不一样。5.装夹工件时应考虑 。CA、尽量采用专用夹具;B、尽量采用组合夹具;C、夹紧力靠近重要支承点;D、夹紧力一直不变。6.在数控机床上加工封闭轮廓时,一般沿着 进刀。BA、法向; B、切向; C、轴向; D、...

1、当您付费下载文档后,您只拥有了使用权限,并不意味着购买了版权,文档只能用于自身使用,不得用于其他商业用途(如 [转卖]进行直接盈利或[编辑后售卖]进行间接盈利)。
2、本站所有内容均由合作方或网友上传,本站不对文档的完整性、权威性及其观点立场正确性做任何保证或承诺!文档内容仅供研究参考,付费前请自行鉴别。
3、如文档内容存在违规,或者侵犯商业秘密、侵犯著作权等,请点击“违规举报”。

碎片内容

2025年高等职业学院技能竞赛数控车床理论知识竞赛试卷含答案

您可能关注的文档

确认删除?
VIP
微信客服
  • 扫码咨询
会员Q群
  • 会员专属群点击这里加入QQ群
客服邮箱
回到顶部