电脑桌面
添加小米粒文库到电脑桌面
安装后可以在桌面快捷访问

2025年贵州省印刷行业职业技能大赛制版工理论考试复习题答案

2025年贵州省印刷行业职业技能大赛制版工理论考试复习题答案_第1页
1/26
2025年贵州省印刷行业职业技能大赛制版工理论考试复习题答案_第2页
2/26
2025年贵州省印刷行业职业技能大赛制版工理论考试复习题答案_第3页
3/26
贵州省印刷行业职业技能大赛制版工理论考试复习题答案1、文字是语言的 书面记录 形式2、什么叫编码:以固定的次序排列字符,并以此作为记录、存储、互换的统一内部特征,这种字符排列次序被称为“编码”。3、ASCII 也就是 美国信息互换原则码 的缩写4、ASCII 是由 7 位编码字符构成的编码字符集,该字符集由 128 代码构成,其中 96 个是大小写字母、数字以及符号, 32 个是控制符5、中文与西文字符编码有何不一样,为何?中文编码是双字节编码西文字符是单字节编码。由于西文字符只有 26 个字母加上数码字及其他字符和控制符单字节编码足够了。而中文就是常用的均有几千上万个因此必须用双字节编码才可以有足够的代码。6、请简述常用的六类中文编码特点(1)国际编码(GB 码)国际编码全称是 GB 2312-80《信息互换用中文编码字符集册基本集》,1980 年公布,是中文信息处理的国标,在中国大陆及海外使用简体中文的地区是强制使用的惟一中文编码。GB 码共收录了6763 个简体中文、682 个符号,其中中文部分,一级字 3755 个,以拼音排序.二级字共 3008 个,以偏旁排序。该原则的制定和应用为规范、推进中文信息化进程起了很大作用。1990 年又制定了繁体字的编码原则 GB 12345-90《信息互换用中文编码字符集第一辅助集》,该原则共收录 6866 个中文,其中纯繁体的字大概有 2200余个。(2) 748 编码(BD748 码)748 编码是方正系统在长期应用过程中实行和制定的简、繁字库编码方式,简体兼容 GB 2312-80 且有所扩展,共 7156 字。繁体兼容 GB 12345-90 并扩展所有 BIG-5(大五码)中文,计 14943 字。此外,748 编码还具有丰富的符号库。748 编码仅用于方正软件和系统.其他方面较少采用。(3)大五码(BIG5 码)是目前中国台湾省、香港尤其行政区普迫使用的一种繁体中文编码原则.包括 440 个符号,一级汉宇 5401 个,二级中文 7652 个.共有 13060 个中文。(4)国际扩展码(GBK 码)GBK 码是中国制定的、等同于 UCS (Unicode CharacterSet.通用字符集)的新的中文编码扩展国标.该编码原则兼容 GB 2312-80,共有 21003 个中文、883 个符号.并提供 1894 个造字码位.简、繁体字融于一库.(5) Unicode 编码.目前 Unicode 是采用 16 位编码体系。如,6 版本的共有 20902 个中文、韩文拼音 11172 个、造字区 6400 个。Unicode 给每个字符提供了一种惟一的数字.无论是什么计算机平台,无论...

1、当您付费下载文档后,您只拥有了使用权限,并不意味着购买了版权,文档只能用于自身使用,不得用于其他商业用途(如 [转卖]进行直接盈利或[编辑后售卖]进行间接盈利)。
2、本站所有内容均由合作方或网友上传,本站不对文档的完整性、权威性及其观点立场正确性做任何保证或承诺!文档内容仅供研究参考,付费前请自行鉴别。
3、如文档内容存在违规,或者侵犯商业秘密、侵犯著作权等,请点击“违规举报”。

碎片内容

2025年贵州省印刷行业职业技能大赛制版工理论考试复习题答案

山水人家+ 关注
实名认证
内容提供者

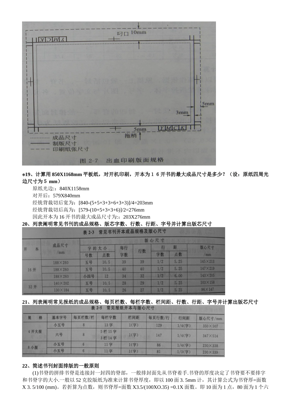
读万卷书,行万里路。

确认删除?
VIP
微信客服
  • 扫码咨询
会员Q群
  • 会员专属群点击这里加入QQ群
客服邮箱
回到顶部