电脑桌面
添加小米粒文库到电脑桌面
安装后可以在桌面快捷访问

2025年消防电气全套资料

2025年消防电气全套资料_第1页
1/39
2025年消防电气全套资料_第2页
2/39
2025年消防电气全套资料_第3页
3/39
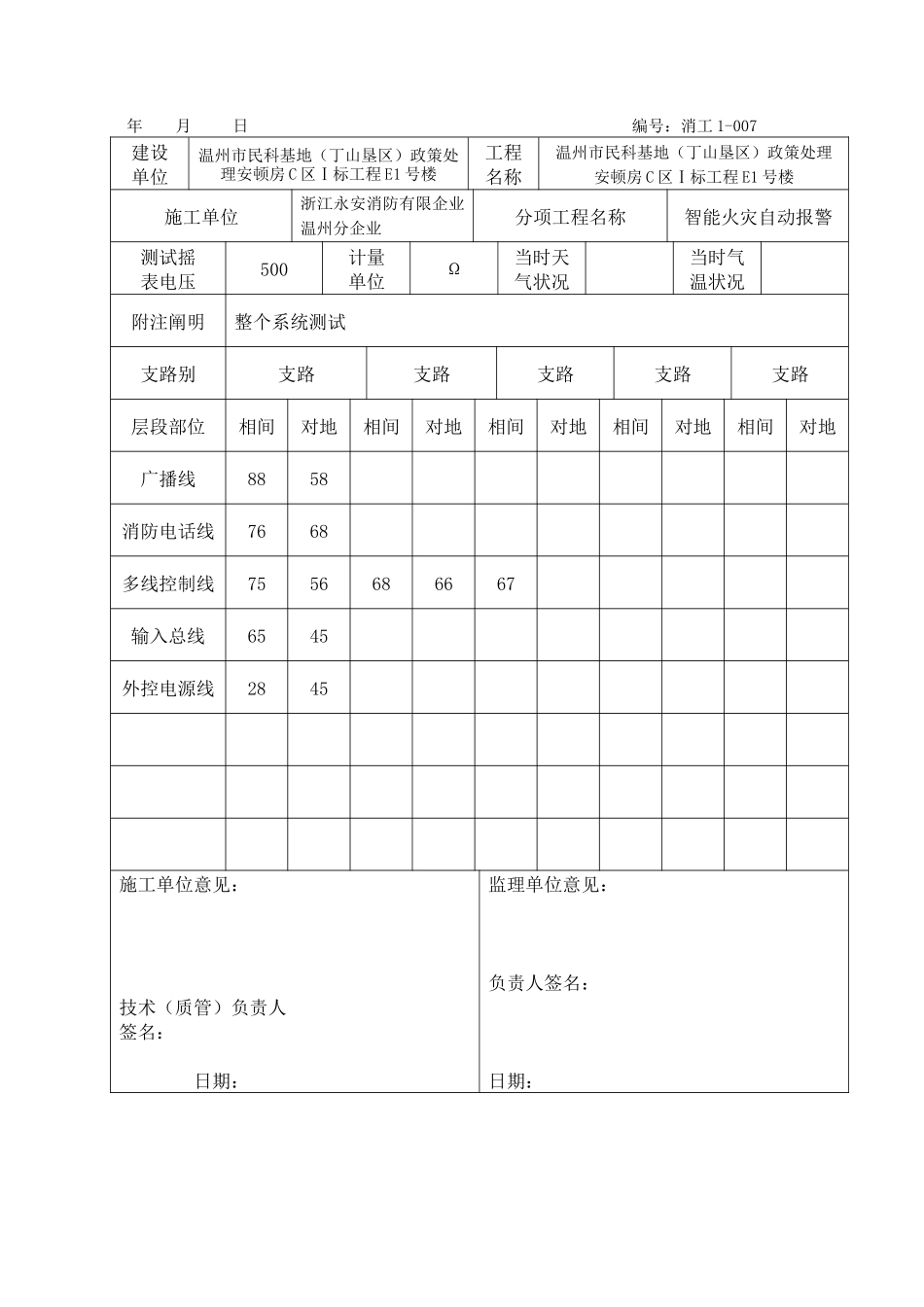
浙 工 程 档 案(封 面)工程名称:温州市民科基地(丁山垦区)政策处理安顿房 C 区Ⅰ标工程 E1 号楼 档案名称:消 防 电 气 质 量 控 制 资 料 建设单位:温 州 经 济 技 术 开 发 区 工 程 建 设 指 挥 部 监理单位:浙 江 公 望 工 程 管 理 有 限 企 业 设计单位:浙 江 嘉 华 建 筑 设 计 研 究 院 有 限 企 业施工单位:展 宇 建 设 集 团 有 限 企 业 建设时间 自 年 月 日 至 年 月 日本工程共 卷,本卷为第 册,本卷共 张保管期限 密级 建监 A5-3 绝 缘 电 阻 测 试工程报验申请表工程名称:温州市民科基地(丁山垦区)政策处理安顿房 C 区Ⅰ标工程 E1 号楼 编号:A5-3 致:浙江公望工程管理有限企业 监理企业我单位完毕了绝 缘 电 阻 测 试工程,按设计文献及有关规范进行了自检,质量合格,请予以核查和验收。附件: 1、工程质量控制资料; □ 2、安全和功能检查(检测)汇报; √3、观感质量验收记录; □4、隐蔽工程验收记录; □5、 质量验收记录; □承包单位(章) 项目经理 日 期 审查意见:□ 所报隐蔽工程的技术资料□齐全/□不齐全,且□符合/□不符合规定,经现场检测、核查□合格/□不合格,□同意/□不一样意隐蔽。□ 所报检查批的技术资料□齐全/不齐全,且□符合/□不符合规定,经现场检测、核查□合格/□不合格,□同意/□不一样意进行下一道工序。□ 检查批的技术资料齐全,且基本符合规定,因□砂浆/□混凝土试块强度试验汇报未出具,暂同意进行下道工序施工,待□沙浆/□混凝土试块试验汇报补报后,予以质量认定。□ 所报分项工程的各检查批的验收资料□完整/□不完整,且□所有/□未所有达到合格规定,经现场检测、核查□合格/□不合格。□ 所报分部(子分部)工程的技术资料□齐全/□不齐全,且□符合/□不符合规定,经现场检测、核查□合格/不合格。□ 纠正差错后再报。项目监理机构 总/专业监理工程师 日 期 本表一式三份,经监理单位审批后,建设单位、监理单位、承包单位各存一份。 绝 缘 电 阻 测 试 记 录年 月 日 编号:消工 1-007建设单位温州市民科基地(丁山垦区)政策处理安顿房 C 区Ⅰ标工程 E1 号楼工程名称温州市民科基地(丁山垦区)政策处理安顿房 C 区Ⅰ标工程 E1 号楼施工单位浙江永安消防有限企业温州分企业分项工程名称智能火灾自动报警...

1、当您付费下载文档后,您只拥有了使用权限,并不意味着购买了版权,文档只能用于自身使用,不得用于其他商业用途(如 [转卖]进行直接盈利或[编辑后售卖]进行间接盈利)。
2、本站所有内容均由合作方或网友上传,本站不对文档的完整性、权威性及其观点立场正确性做任何保证或承诺!文档内容仅供研究参考,付费前请自行鉴别。
3、如文档内容存在违规,或者侵犯商业秘密、侵犯著作权等,请点击“违规举报”。

碎片内容

2025年消防电气全套资料

您可能关注的文档

确认删除?
VIP
微信客服
  • 扫码咨询
会员Q群
  • 会员专属群点击这里加入QQ群
客服邮箱
回到顶部