电脑桌面
添加小米粒文库到电脑桌面
安装后可以在桌面快捷访问

机房跳纤整理项目计划书

机房跳纤整理项目计划书_第1页
1/6
机房跳纤整理项目计划书_第2页
2/6
机房跳纤整理项目计划书_第3页
3/6
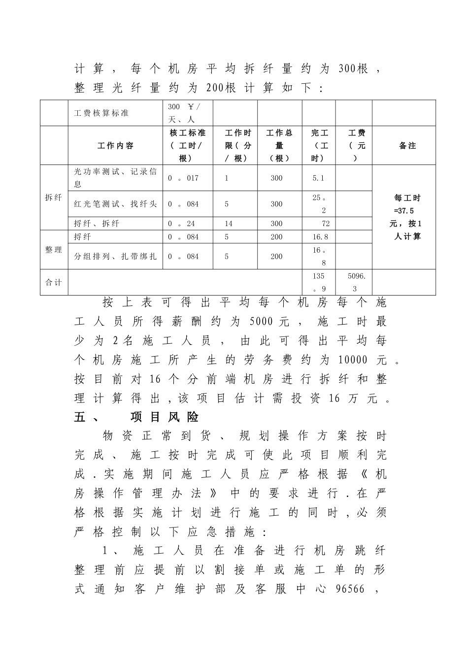
机房跳纤整理项目计划书机房跳纤整理项目组项目负责人(经理):项目编号:2024-预算部门:客户维护部时 间:2024—09-26一 、项 目 背 景近 些 年 随 着 光 缆 网 络 的 大 力 建 设 ,机 房 内 光 纤 的 芯 数 也 越 来 越 多 , 光 纤 的使 用 量 大 幅 增 长 。 目 前 新 疆 广 电 各 个 分前 端 机 房 普 遍 存 在 原 有 光 缆 在 改 变 传 输路 由 后 或 停 用 该 业 务 的 光 纤 后 本 应 废 除的 光 跳 纤 仍 在 ODF架 及 跳 纤 盘 纤 区 缠 绕 ,凌 乱 不 堪 。 对 新 业 务 的 开 通 带 来 了 很 大的 操 作 困 难 , 后 期 的 维 护 排 障 工 作 在 操作 上 更 困 难 、 更 复 杂 , 不 但 降 低 了 工 作效 率 , 而 且 延 长 了 故 障 排 查 时 间 , 且 影响 机 房 的 环 境 美 观 .二 、项 目 需 求 及 目 标拆 除 分 前 端 机 房 内 无 用 的 光 跳 纤 , 规整 原 有 正 在 使 用 的 光 跳 纤 , 使 其 方 便 开通 业 务 及 维 护 操 作 , 减 少 排 障 时 间 , 美化 机 房 环 境 .三 、项 目 方 案鉴 于 各 个 分 前 端 直 播 环 路 保 护 的 网络 现 状 、 光 纤 使 用 量 的 大 小 、 拆 除 跳 纤的 难 易 程 度 , 考 虑 到 各 个 分 前 端 信 号 安全 传 输 , 拆 除 工 作 应 优 先 考 虑 从 所 处 边缘 地 段 、 覆 盖 户 数 较 少 、 接 入 方 式 单 一 、主 干 环 路 业 务 较 少 的 小 型 二 级 站 开 始 展开 . 对 于 第 一 个 需 要 做 整 理 的 分 前 端 机房 在 施 工 时 间 上 应 安 排 较 长 , 实 施 完 成后 对 实 施 经 验 进 行 总 结 , 然 后 再 对 计 划中 的 各 个 分 前 端 机 房 分 别 进 行 施 工 整 理 。实 施 期 间 施 工 人 员 应 严 格 根 据 《 新 疆 广电 机 房 线 缆 布 放 法 律 规 范 ( 试 用 版 ) 》中 的 要 求 进 行 。本 项 目 中 需 要 对 乌 鲁 木 齐 市 区 16 个分 前 端 机 房 的 光 跳 纤 进 ...

1、当您付费下载文档后,您只拥有了使用权限,并不意味着购买了版权,文档只能用于自身使用,不得用于其他商业用途(如 [转卖]进行直接盈利或[编辑后售卖]进行间接盈利)。
2、本站所有内容均由合作方或网友上传,本站不对文档的完整性、权威性及其观点立场正确性做任何保证或承诺!文档内容仅供研究参考,付费前请自行鉴别。
3、如文档内容存在违规,或者侵犯商业秘密、侵犯著作权等,请点击“违规举报”。

碎片内容

机房跳纤整理项目计划书

确认删除?
VIP
微信客服
  • 扫码咨询
会员Q群
  • 会员专属群点击这里加入QQ群
客服邮箱
回到顶部