电脑桌面
添加小米粒文库到电脑桌面
安装后可以在桌面快捷访问

机械制造企业安全质量标准化考评检查表

机械制造企业安全质量标准化考评检查表_第1页
1/19
机械制造企业安全质量标准化考评检查表_第2页
2/19
机械制造企业安全质量标准化考评检查表_第3页
3/19
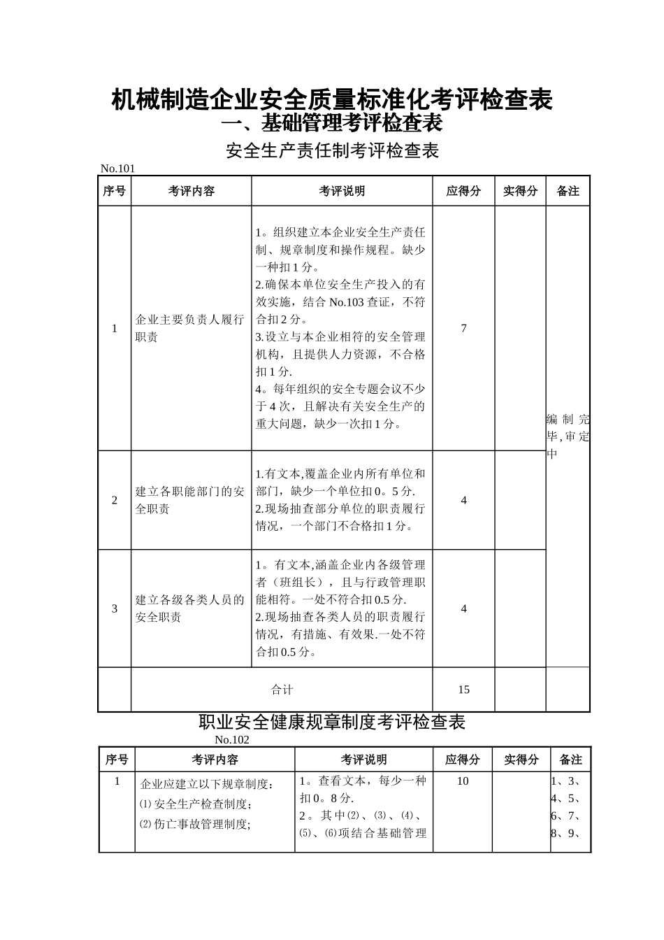
机械制造企业安全质量标准化考评检查表一、基础管理考评检查表安全生产责任制考评检查表No.101序号考评内容考评说明应得分实得分备注1企业主要负责人履行职责1。组织建立本企业安全生产责任制、规章制度和操作规程。缺少一种扣 1 分。2.确保本单位安全生产投入的有效实施,结合 No.103 查证,不符合扣 2 分。3.设立与本企业相符的安全管理机构,且提供人力资源,不合格扣 1 分.4。每年组织的安全专题会议不少于 4 次,且解决有关安全生产的重大问题,缺少一次扣 1 分。7编 制 完毕 , 审 定中2建立各职能部门的安全职责1.有文本,覆盖企业内所有单位和部门,缺少一个单位扣 0。5 分.2.现场抽查部分单位的职责履行情况,一个部门不合格扣 1 分。43建立各级各类人员的安全职责1。有文本,涵盖企业内各级管理者(班组长),且与行政管理职能相符。一处不符合扣 0.5 分.2.现场抽查各类人员的职责履行情况,有措施、有效果.一处不符合扣 0.5 分。4合计15职业安全健康规章制度考评检查表 No.102序号考评内容考评说明应得分实得分备注1企业应建立以下规章制度:⑴ 安全生产检查制度;⑵ 伤亡事故管理制度;1。查看文本,每少一种扣 0。8 分.2 。 其 中 ⑵ 、 ⑶ 、 ⑷ 、⑸、⑹项结合基础管理101、3、4、5、6、7、8、9、⑶ 职业安全健康教育制度;⑷ 建设项目安全健康管理制度;⑸ 特种设备及人员安全管理制度;⑹ 相关方安全管理制度;⑺ 防火安全管理制度;⑻ 危险作业审批制度;⑼ 电气临时线审批制度;⑽ 危险化学品管理制度;⑾ 厂内交通安全管理制度;⑿ 职业病预防管理制度;⒀ 安全奖惩制度;⒁ 安全防护设备管理制度;⒂ 防尘防毒设施管理制度;⒃ 劳动防护用品管理制度;⒄ 女 工 和 未 成 年 人 保 护 制度;⒅ 易燃易爆场所管理制度⒆ 安全生产“五同时”管理制度;⒇ 劳动合同安全监督制度。的 其 他 内 容 评 价 其 效果,一种不合格扣 0。3分。3.其中⑴、⑻、⑼、⒀、⒆、⒇查看各种记录评价其效果,一种不合格扣 0。3 分.4.剩余的⑺、⑽、⑾、⑿、⒁、⒂、⒃、⒄、⒅项结合设备设施安全考评、作业环境与职业健康考评等内容评价其效 果 , 一 种 不 合 格 扣0。3 分。10、11、12、14、15、18、19、20编制完毕审批中13 暂缺2规章制度符合国家法律法规和标准的要求。所有规章制度中出现一处不合格扣 0。5 分。5合计15规划与年度计划考评检查表 No。103...

1、当您付费下载文档后,您只拥有了使用权限,并不意味着购买了版权,文档只能用于自身使用,不得用于其他商业用途(如 [转卖]进行直接盈利或[编辑后售卖]进行间接盈利)。
2、本站所有内容均由合作方或网友上传,本站不对文档的完整性、权威性及其观点立场正确性做任何保证或承诺!文档内容仅供研究参考,付费前请自行鉴别。
3、如文档内容存在违规,或者侵犯商业秘密、侵犯著作权等,请点击“违规举报”。

碎片内容

机械制造企业安全质量标准化考评检查表

一二三四传媒+ 关注
实名认证
内容提供者

大量资料供您选择,没有合适的可以联系小二。

确认删除?
VIP
微信客服
  • 扫码咨询
会员Q群
  • 会员专属群点击这里加入QQ群
客服邮箱
回到顶部