电脑桌面
添加小米粒文库到电脑桌面
安装后可以在桌面快捷访问

2025年工业企业质量管理全套资料

2025年工业企业质量管理全套资料_第1页
1/80
2025年工业企业质量管理全套资料_第2页
2/80
2025年工业企业质量管理全套资料_第3页
3/80
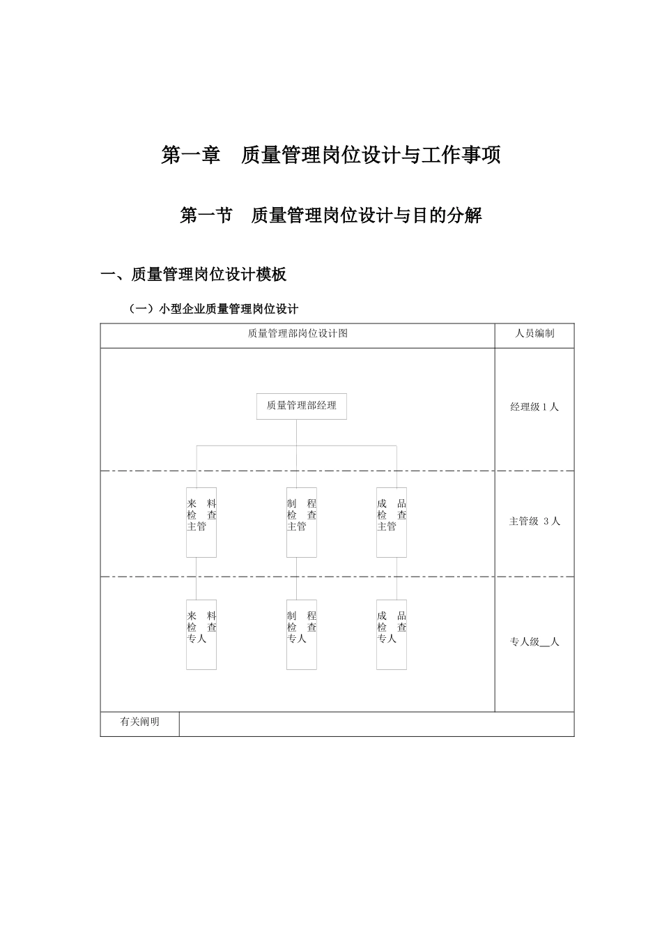
质量管理工作细化执行与模板北 京目 录第一章 质量管理岗位设计与工作事项.....................................................................................16第一节 质量管理岗位设计与目的分解.............................................................................16一、质量管理岗位设计模板.........................................................................................16二、质量管理部门目的分解.........................................................................................18第二节 质量管理部各岗位工作事项.................................................................................20一、质量管理岗位工作明细.........................................................................................20二、进料管理岗位工作明细.........................................................................................22三、制程管理岗位工作明细.........................................................................................24四、成品管理岗位工作明细.........................................................................................25五、服务质量岗位工作明细.........................................................................................26第二章 质量目的与计划细化执行与模板.................................................................................28第一节 质量目的管理流程与工作执行.............................................................................28一、质量管理目的确定流程.........................................................................................28二、质量目的确定执行工具与模板.............................................................................29第二节 质量管理计划流程与工作执行.............................................................................30第三章 采购质量管理细化执行与模板.....................................................................................31第一节 采购检查流程与工作执行........................................................................................

1、当您付费下载文档后,您只拥有了使用权限,并不意味着购买了版权,文档只能用于自身使用,不得用于其他商业用途(如 [转卖]进行直接盈利或[编辑后售卖]进行间接盈利)。
2、本站所有内容均由合作方或网友上传,本站不对文档的完整性、权威性及其观点立场正确性做任何保证或承诺!文档内容仅供研究参考,付费前请自行鉴别。
3、如文档内容存在违规,或者侵犯商业秘密、侵犯著作权等,请点击“违规举报”。

碎片内容

2025年工业企业质量管理全套资料

您可能关注的文档

读万卷书+ 关注
实名认证
内容提供者

各类经典PPT文档分享

确认删除?
VIP
微信客服
  • 扫码咨询
会员Q群
  • 会员专属群点击这里加入QQ群
客服邮箱
回到顶部