电脑桌面
添加小米粒文库到电脑桌面
安装后可以在桌面快捷访问

栏杆安装质量评定表

栏杆安装质量评定表_第1页
1/2
栏杆安装质量评定表_第2页
2/2
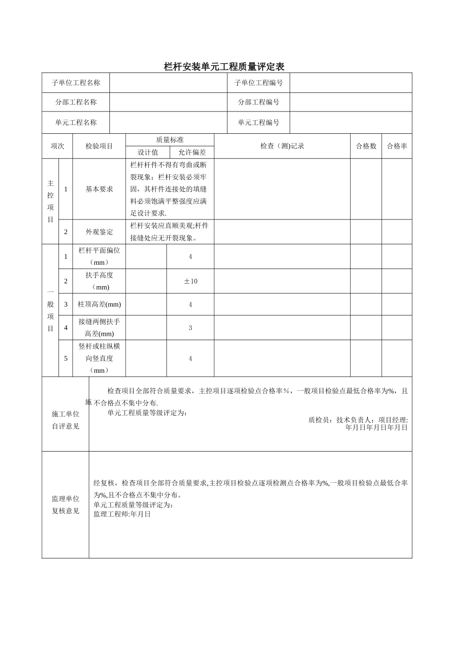
栏杆安装单元工程质量评定表子单位工程名称子单位工程编号分部工程名称分部工程编号单元工程名称单元工程编号项次检验项目质量标准检查(测)记录合格数合格率设计值允许偏差主控项目1基本要求栏杆杆件不得有弯曲或断裂现象;栏杆安装必须牢固,其杆件连接处的填缝料必须饱满平整强度应满足设计要求.2外观鉴定栏杆安装应直顺美观;杆件接缝处应无开裂现象。一般项目1栏杆平面偏位(mm)42扶手高度(mm)±103柱顶高差(mm)44接缝两侧扶手高差(mm)35竖杆或柱纵横向竖直度(mm)4施施工单位自评意见检查项目全部符合质量要求,主控项目逐项检验点合格率%,一般项目检验点最低合格率为%,且不合格点不集中分布.单元工程质量等级评定为:质检员:技术负责人:项目经理:年月日年月日年月日监理单位复核意见经复核,检查项目全部符合质量要求,主控项目检验点逐项检测点合格率为%,一般项目检验点最低合率为%,且不合格点不集中分布。单元工程质量等级评定为:监理工程师:年月日

1、当您付费下载文档后,您只拥有了使用权限,并不意味着购买了版权,文档只能用于自身使用,不得用于其他商业用途(如 [转卖]进行直接盈利或[编辑后售卖]进行间接盈利)。
2、本站所有内容均由合作方或网友上传,本站不对文档的完整性、权威性及其观点立场正确性做任何保证或承诺!文档内容仅供研究参考,付费前请自行鉴别。
3、如文档内容存在违规,或者侵犯商业秘密、侵犯著作权等,请点击“违规举报”。

碎片内容

栏杆安装质量评定表

一二三四传媒+ 关注
实名认证
内容提供者

大量资料供您选择,没有合适的可以联系小二。

确认删除?
VIP
微信客服
  • 扫码咨询
会员Q群
  • 会员专属群点击这里加入QQ群
客服邮箱
回到顶部