电脑桌面
添加小米粒文库到电脑桌面
安装后可以在桌面快捷访问

样板施工计划表VIP专享

样板施工计划表_第1页
1/3
样板施工计划表_第2页
2/3
样板施工计划表_第3页
3/3
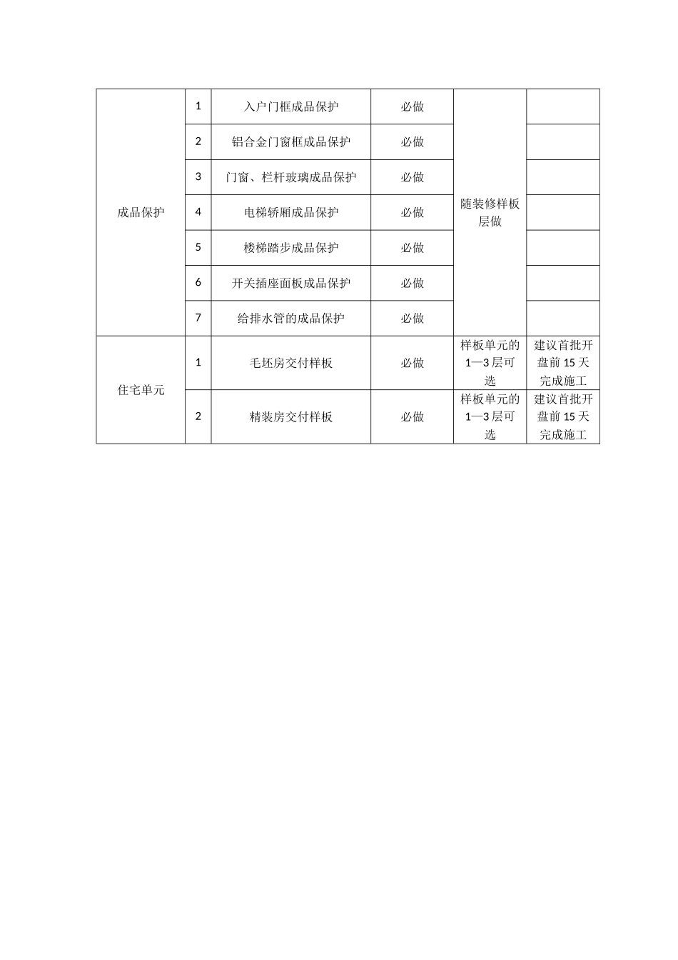
工法样板施工计划表分部分项工程序号样板名称样板展示区实施要求建议施施工场地点计划实施时间涉及设计效果的分部工程1外立面样板墙必做工法样板展示区外立面1—2 层2景观铺装样板必做主体结构工程1柱、剪力墙、梁、板、楼梯等制作、安装、固定(含钢筋的绑扎搭接/不同方法钢筋焊接/电渣压力焊/机械连接/柱及梁加密区箍筋/梁吊筋上下层钢筋腰筋/拉结筋/马镫/保护层垫块/刚性止水套管/后浇带/水电管线预埋)必做样板经检查合格后,照片资料参考附件图片留存在样板区集中展示.建议首批首层结构完成施工2柱、剪力墙、梁、板、楼梯等模板安装中支撑体系、安装和加固方法、防止胀模、漏浆的技术措施必做样板单元的1 层3混凝土导墙基层凿毛、钢筋、模板制安必做砌体工程1有代表性的部位的砌体的砌筑方法(灰缝宽度/勾缝/底砖砌筑)必做样板单元的2 层(含公共楼梯间)建议首批二层结构封顶前 15 天完成施工2有代表性的门窗洞口的处理(含预制块/窗台压顶)必做3填充墙底部、顶部的处理必做4构造柱、圈梁、过梁、抱框柱的处理必做5螺杆洞封堵样板必做6拉结筋必做7厨房厕所排气道必做8墙体临时洞口必做9水电割槽和修补、底盒固定样板必做平坡屋面工程1屋面/女儿墙基层抹灰(含出屋面构筑物/管道/结构凸出处)必做样板单元的屋面建议首批二层结构封顶后 15 天内完成施工2屋面找平层/防水、隔热/保温/保护/饰面必做3屋面排水、泛水、分隔缝等细部必做门窗和幕墙工程1门窗洞的细部处理(窗台/框的固定/塞缝、收口、防渗漏/外立面和窗户收口处里)必做样板单元的2 层建议首批二层中间结构验收前 15天完成施工2有代表性的幕墙单元安装必做装饰装修工程1墙面基底处理/喷毛/拉毛样板必做样板单元的1—3 层可选建议首批二层中间结构验收前 15天完成施工2普通房间、卫生间的内墙抹灰(基底钢丝挂网、冲筋、阳角护角/表面玻纤网)必做3厨、厕间防水(翻边/找平/上翻高度/保护层/管线布置/管井砌筑/地漏做法)必做4楼地面施工样板必做5楼板吊洞封堵必做6顶棚基层处理必做7外墙抹灰(基底处理/灰饼/抹灰层)、防水、保温/抗裂砂浆/檐口的滴水线或鹰嘴必做地下室防水1基层处理及分层防水样板必做工法样板展示区地下室建议首批地下室结构完成后 15 天完成施工2出地下室结构的管线封堵必做给排水工程1卫生间给排水支管安装必做随装修样板层做建议首批二层中间结构验收前 15天完成施工2管井立管安装必做随装修样板层做建筑电气工程1照明配电箱、开关插座的安装必做...

1、当您付费下载文档后,您只拥有了使用权限,并不意味着购买了版权,文档只能用于自身使用,不得用于其他商业用途(如 [转卖]进行直接盈利或[编辑后售卖]进行间接盈利)。
2、本站所有内容均由合作方或网友上传,本站不对文档的完整性、权威性及其观点立场正确性做任何保证或承诺!文档内容仅供研究参考,付费前请自行鉴别。
3、如文档内容存在违规,或者侵犯商业秘密、侵犯著作权等,请点击“违规举报”。

碎片内容

样板施工计划表

确认删除?
VIP
微信客服
  • 扫码咨询
会员Q群
  • 会员专属群点击这里加入QQ群
客服邮箱
回到顶部