电脑桌面
添加小米粒文库到电脑桌面
安装后可以在桌面快捷访问

框架结构钢筋绑扎工程专项施工方案

框架结构钢筋绑扎工程专项施工方案_第1页
1/11
框架结构钢筋绑扎工程专项施工方案_第2页
2/11
框架结构钢筋绑扎工程专项施工方案_第3页
3/11
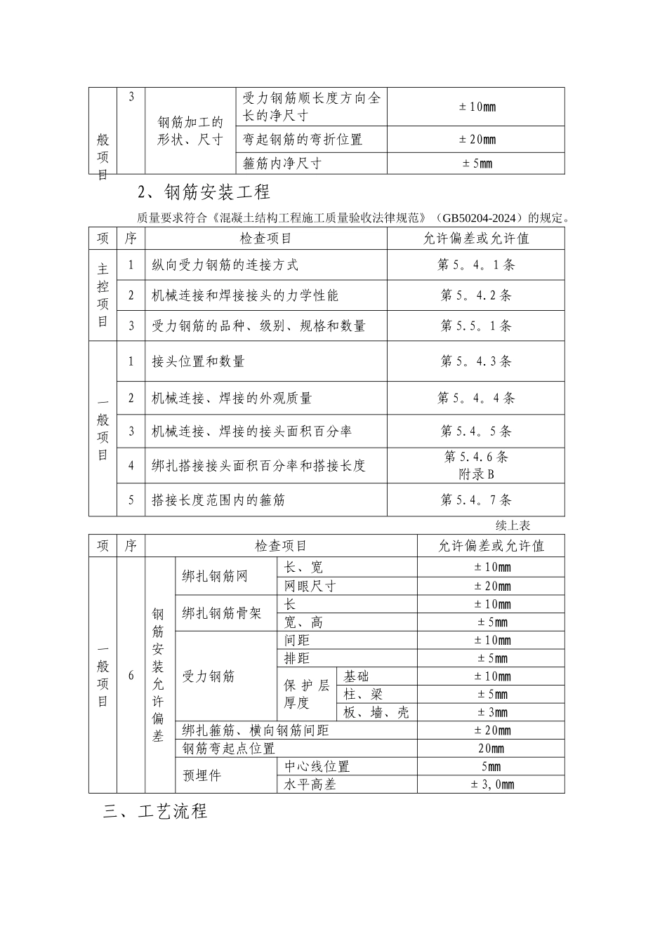
框架结构钢筋绑扎工程专项施工方案一、施工准备(一)作业条件1、钢筋朝霞后应检查是否有产品合格证、出厂检测报告和进场复验报告,并按施工平面图中指定的位置,按规格、使用部位、编号分别加垫木堆放.2、钢筋绑扎前,应检查有无锈蚀,除锈之后再运至绑扎部位.3、熟悉图纸、按设计要求检查已加工好的钢筋规格、形状、数量是否正确.4、做好抄平放线工作,弹好水平标高线,柱、墙外皮尺寸线。5、根据弹好的外皮尺寸线,检查下层预留搭接钢筋的位置、数量、长度,如不符合要求时,应进行处理.绑扎前先整理调理下层伸出的搭接筋,并将浮锈、水泥砂浆等污垢清除洁净.6、根据标高检查下层伸出搭接筋处的混凝土表面标高(柱顶、墙顶)是否符合图纸要求,混凝土施工缝处要剔凿到露石子并清理洁净。7、按要求搭好脚手架.8、根据设计图纸及工艺标准要求,向班组进行技术交底。(二)材料要求1、钢筋原材:应有供应单位或加工单位资格证书,钢筋出厂质量证明书、按规定作力学性能复试和见证取样试验。当加工过程中发生脆断等特别情况,还需作化学成分检验.钢筋应无老锈及油污.2、成型钢筋:必须符合配料单的规格、型号、尺寸、形状、数量,并应进行标识。成型钢筋必须进行覆盖,防止雨淋生锈。3、铁丝:可采纳 20~22#铁丝(火烧丝)或镀锌铁丝(铅丝)。铁丝切断长度要满足使用要求。4、垫块:用水泥砂浆制成 50见方,厚度同保护层,㎜垫块内预埋 20~22#火烧丝,或用塑料卡、拉筋、支撑筋。(三)施工机具钢筋钩子、撬棍、扳子、绑扎架、钢丝刷子、手推车、粉笔、尺子等。二、质量要求质量要求符合《混凝土结构施工质量验收法律规范》(GB50204—2024)的规定.见下表项序检查项目允许偏差或允许值主控项目1力学性能检验第 5。2.1 条2抗震用钢筋强度实测值第 5。2。2 条3化学成分等专项检验第 5。2。3 条4受力钢筋的弯钩和弯折第 5.3.1 条5箍筋弯钩形式第 5。3。2 条一1外观质量第 5.2.4 条2钢筋调直第 5.3。3 条般项目3钢筋加工的形状、尺寸受力钢筋顺长度方向全长的净尺寸±10㎜弯起钢筋的弯折位置±20㎜箍筋内净尺寸±5㎜2、钢筋安装工程质量要求符合《混凝土结构工程施工质量验收法律规范》(GB50204-2024)的规定。项序检查项目允许偏差或允许值主控项目1纵向受力钢筋的连接方式第 5。4。1 条2机械连接和焊接接头的力学性能第 5。4.2 条3受力钢筋的品种、级别、规格和数量第 5.5。1 条一般项目1接头位置和数量第 5。4.3 条2机械连接、焊...

1、当您付费下载文档后,您只拥有了使用权限,并不意味着购买了版权,文档只能用于自身使用,不得用于其他商业用途(如 [转卖]进行直接盈利或[编辑后售卖]进行间接盈利)。
2、本站所有内容均由合作方或网友上传,本站不对文档的完整性、权威性及其观点立场正确性做任何保证或承诺!文档内容仅供研究参考,付费前请自行鉴别。
3、如文档内容存在违规,或者侵犯商业秘密、侵犯著作权等,请点击“违规举报”。

碎片内容

框架结构钢筋绑扎工程专项施工方案

确认删除?
VIP
微信客服
  • 扫码咨询
会员Q群
  • 会员专属群点击这里加入QQ群
客服邮箱
回到顶部