电脑桌面
添加小米粒文库到电脑桌面
安装后可以在桌面快捷访问

桥梁施工工序质量控制要点

桥梁施工工序质量控制要点_第1页
1/9
桥梁施工工序质量控制要点_第2页
2/9
桥梁施工工序质量控制要点_第3页
3/9
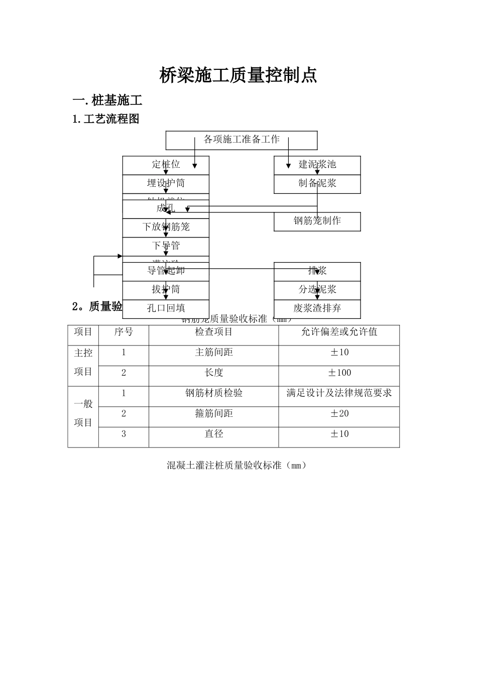
桥梁施工质量控制点一.桩基施工1.工艺流程图2。质量验收法律规范标准钢筋笼质量验收标准(mm)项目序号检查项目允许偏差或允许值主控项目1主筋间距±102长度±100一般项目1钢筋材质检验满足设计及法律规范要求2箍筋间距±203直径±10混凝土灌注桩质量验收标准(mm)各项施工准备工作定桩位埋设护筒钻机就位成孔下放钢筋笼下导管灌注砼导管起卸拔护筒排浆孔口回填分选泥浆废浆渣排弃建泥浆池钢筋笼制作制备泥浆3.工序质量控制要点及要求① 埋设护筒质量控制:埋设护筒时,护筒中心轴线对正测定的桩位中心,严格保持护筒的垂直度。护筒固定在正确位置后,护筒周边进行夯实,以保证其垂直度及防止泥浆流失及位移、掉落。护筒上口应绑扎木方对称吊紧,防止下窜。所用钢护筒大小要求至少比设计桩径大 20cm 才可进行施钻,冲击钻钢护筒至少比设计桩径大 40cm,钢护筒偏差在 10cm 范围内才可钻进。② 钻机就位质量控制:钻机就位前,须将路基垫平填实,钻机按指定位置就位,并须在技术人员指导下,调整钻杆的角度.钻机安装就位之后,应精心调平,确保施工中不发生倾斜、移位。③ 钻进成孔过程质量控制:在施工不同区段的第一根桩时,钻机要慢速运转,掌握地层对钻机的影响情况,以确定在该地层条件下的钻进参数。在钻进过程中,不可进尺太快,由于实行泥浆护壁,因此,要给一定的护壁时间.在钻进过程中,一定要保持泥浆面,不得低于护筒顶 40cm。在提钻时,须及时向孔内补浆,以保证泥浆高度。在钻进过程中,要常常检查钻斗尺寸.(可根据试钻情况决定其项目序号检查项目允许偏差或允许值主控项目1桩位1002孔深比设计孔深大 50 以上3桩体质量检验根据基桩检测技术法律规范4混凝土强度满足设计要求5承载力根据基桩检测技术法律规范一般项目1垂直度<1%2桩径不小于设计桩径3清孔后泥浆比重1.03-1.14沉渣厚度≤505混凝土塌落度180-2206钢筋笼安装深度±1007混凝土充盈系数大于 1,小于 1。38桩顶标高±50大小)。施工过程中如发现地质情况与原钻探资料不符应立即通知技术部门及时处理.泥浆池根据现场实际条件设置,此外自备两个用钢板焊制的 40m3泥浆池,泥浆性能参数如下表: 土层 性能粘性土砂土卵石泥浆比重1。051。101。15粘度(s)15-1616-1818—25含砂量<2%<2%<2%PH〉8〉8〉8配 比 : 水 : 膨 润土:碱:CMC100:6:3:0。8100:10:1.8:0.8100:15 : 1 。 8 :0。8注:施工时根据具体地层条件而定钻孔深度比设计深度超深不小于 ...

1、当您付费下载文档后,您只拥有了使用权限,并不意味着购买了版权,文档只能用于自身使用,不得用于其他商业用途(如 [转卖]进行直接盈利或[编辑后售卖]进行间接盈利)。
2、本站所有内容均由合作方或网友上传,本站不对文档的完整性、权威性及其观点立场正确性做任何保证或承诺!文档内容仅供研究参考,付费前请自行鉴别。
3、如文档内容存在违规,或者侵犯商业秘密、侵犯著作权等,请点击“违规举报”。

碎片内容

桥梁施工工序质量控制要点

您可能关注的文档

人从众+ 关注
实名认证
内容提供者

欢迎光临小店,本店以公文和教育为主,希望符合您的需求。

确认删除?
VIP
微信客服
  • 扫码咨询
会员Q群
  • 会员专属群点击这里加入QQ群
客服邮箱
回到顶部