电脑桌面
添加小米粒文库到电脑桌面
安装后可以在桌面快捷访问

桩基础工程临时用电施工专项方案

桩基础工程临时用电施工专项方案_第1页
1/14
桩基础工程临时用电施工专项方案_第2页
2/14
桩基础工程临时用电施工专项方案_第3页
3/14
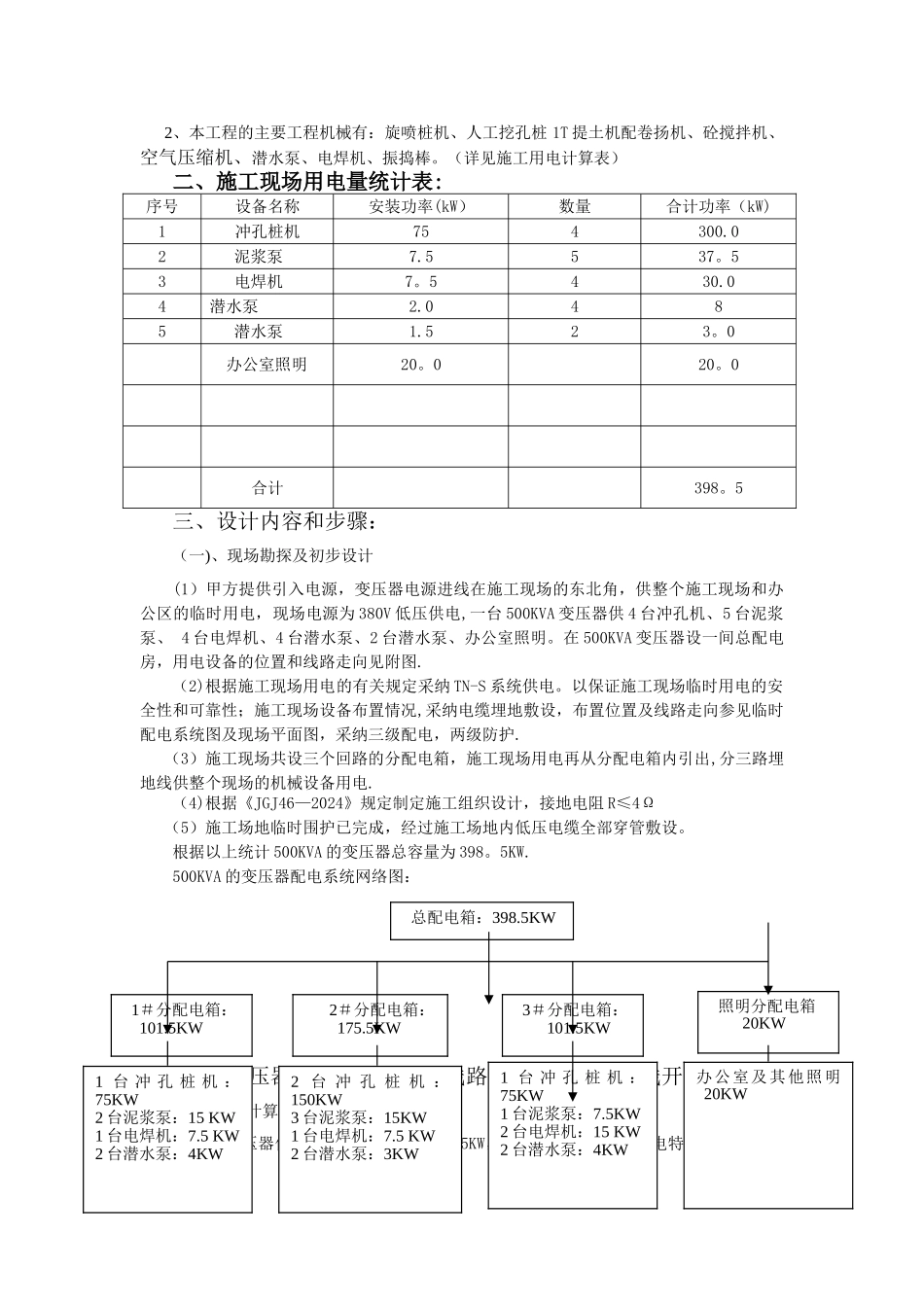
施工组织设计(专项施工方案)报审表 AQ2。12。1工程名称:星都豪庭 编号:致:深圳市东鹏工程建设监理有限公司 (监理单位)我方巳完成了桩基工程临时用电施工专项方案 工程施工组织设计的编制,并经我单位上级技术负责人批准,请予以审查.附:临时用电施工专项方案 承包单位(章): 项 目 经 理: 日 期:专业监理工程师审查意见: 专业监理工程师: 日 期:总监理工程师审核意见: 项目监理机构: 总监理工程师: 日 期:星都豪庭项目桩基础工程临时用电施工方案编制:审核:审批:深圳市宏业基基础工程有限公司年月一、工程概况:本工程位于广东省深圳市龙岗区布吉 G06311—0364 地块,东南边邻盈翠家园、西南边邻沃尔玛、东北边邻中翠路、西北边邻深惠路。拟建地下3层。本工程由深圳市东鹏工程建设监理有限公司实施工程监理,龙岗区工程质量监督检验站进行质量监督,龙岗区工程安全监督站进行安全监督。拟建建筑物重要性等级为一级,场地复杂程度为二级,地基复杂程度为二级,岩土工程勘察等级为甲级;基坑除西北侧距深惠路 50M,东北侧距中翠路 7M,西南侧距沃尔玛路8M,东南侧距盈翠家园护栏 18M 地面高差 12M,地下 3 层,建筑基坑侧壁安全等级为一级.施工用水及生活用水,业主已接接入施工施工场地。施工用电:在建筑物的东北角处业主所安装的变压器可直接接入施工现场.施工场地的三通一平均基本完成,具备开工条件。2、本工程的主要工程机械有:旋喷桩机、人工挖孔桩 1T 提土机配卷扬机、砼搅拌机、空气压缩机、潜水泵、电焊机、振捣棒。(详见施工用电计算表)二、施工现场用电量统计表:序号设备名称安装功率(kW)数量合计功率(kW)1冲孔桩机754300.02泥浆泵7.5537。53 电焊机7。5430.04潜水泵2.0485潜水泵1.523。0办公室照明20。020。0合计398。5三、设计内容和步骤:(一)、现场勘探及初步设计(1)甲方提供引入电源,变压器电源进线在施工现场的东北角,供整个施工现场和办公区的临时用电,现场电源为 380V 低压供电,一台 500KVA 变压器供 4 台冲孔机、5 台泥浆泵、 4 台电焊机、4 台潜水泵、2 台潜水泵、办公室照明。在 500KVA 变压器设一间总配电房,用电设备的位置和线路走向见附图.(2)根据施工现场用电的有关规定采纳 TN-S 系统供电。以保证施工现场临时用电的安全性和可靠性;施工现场设备布置情况,采纳电缆埋地敷设,布置位置及线路走向参见临时配电系统图及现场平面图,采纳三级配电...

1、当您付费下载文档后,您只拥有了使用权限,并不意味着购买了版权,文档只能用于自身使用,不得用于其他商业用途(如 [转卖]进行直接盈利或[编辑后售卖]进行间接盈利)。
2、本站所有内容均由合作方或网友上传,本站不对文档的完整性、权威性及其观点立场正确性做任何保证或承诺!文档内容仅供研究参考,付费前请自行鉴别。
3、如文档内容存在违规,或者侵犯商业秘密、侵犯著作权等,请点击“违规举报”。

碎片内容

桩基础工程临时用电施工专项方案

津创媒+ 关注
实名认证
内容提供者

欢迎交流文创,小店资料希望满足您的需要。

确认删除?
VIP
微信客服
  • 扫码咨询
会员Q群
  • 会员专属群点击这里加入QQ群
客服邮箱
回到顶部