电脑桌面
添加小米粒文库到电脑桌面
安装后可以在桌面快捷访问

棉被质量标准

棉被质量标准_第1页
1/1
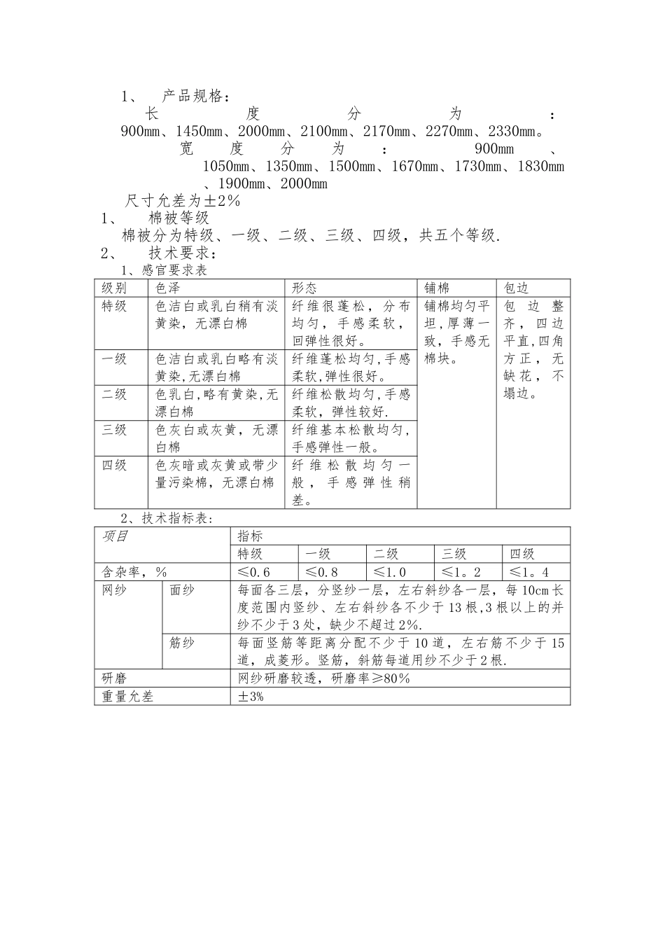
1、产品规格:长度分为:900mm、1450mm、2000mm、2100mm、2170mm、2270mm、2330mm。 宽度分为: 900mm、 1050mm、1350mm、1500mm、1670mm、1730mm、1830mm、1900mm、2000mm尺寸允差为±2%1、棉被等级棉被分为特级、一级、二级、三级、四级,共五个等级.2、技术要求:1、感官要求表级别色泽形态铺棉包边特级色洁白或乳白稍有淡黄染,无漂白棉纤维很蓬松,分布均匀,手感柔软,回弹性很好。铺棉均匀平坦,厚薄一致,手感无棉块。包边整齐 , 四 边平直,四角方 正 , 无缺 花 , 不塌边。一级色洁白或乳白略有淡黄染,无漂白棉纤维蓬松均匀,手感柔软,弹性很好。二级色乳白,略有黄染,无漂白棉纤维松散均匀,手感柔软,弹性较好.三级色灰白或灰黄,无漂白棉纤维基本松散均匀,手感弹性一般。四级色灰暗或灰黄或带少量污染棉,无漂白棉纤 维 松 散 均 匀 一般 , 手 感 弹 性 稍差。2、技术指标表:项目指标特级一级二级三级四级含杂率,%≤0.6≤0.8≤1.0≤1。2≤1。4网纱面纱每面各三层,分竖纱一层,左右斜纱各一层,每 10cm 长度范围内竖纱、左右斜纱各不少于 13 根,3 根以上的并纱不少于 3 处,缺少不超过 2%.筋纱每面竖筋等距离分配不少于 10 道,左右筋不少于 15道,成菱形。竖筋,斜筋每道用纱不少于 2 根.研磨网纱研磨较透,研磨率≥80%重量允差±3%

1、当您付费下载文档后,您只拥有了使用权限,并不意味着购买了版权,文档只能用于自身使用,不得用于其他商业用途(如 [转卖]进行直接盈利或[编辑后售卖]进行间接盈利)。
2、本站所有内容均由合作方或网友上传,本站不对文档的完整性、权威性及其观点立场正确性做任何保证或承诺!文档内容仅供研究参考,付费前请自行鉴别。
3、如文档内容存在违规,或者侵犯商业秘密、侵犯著作权等,请点击“违规举报”。

碎片内容

棉被质量标准

您可能关注的文档

确认删除?
VIP
微信客服
  • 扫码咨询
会员Q群
  • 会员专属群点击这里加入QQ群
客服邮箱
回到顶部