电脑桌面
添加小米粒文库到电脑桌面
安装后可以在桌面快捷访问

2025年可编程序控制系统设计师培训方案

2025年可编程序控制系统设计师培训方案_第1页
1/4
2025年可编程序控制系统设计师培训方案_第2页
2/4
2025年可编程序控制系统设计师培训方案_第3页
3/4
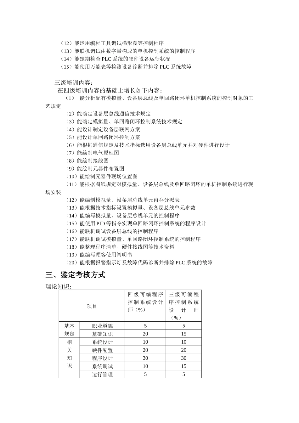
可编程序控制系统设计师培训方案一、培训目的1、使学员达到部颁“可编程序控制系统设计师等级原则”,掌握该职业所规定的文化基础、技术理论和工艺知识,掌握系统设计师所规定的操作技能,2、使学员具有发现问题、处理问题的能力。重点培养学员的职业素养、工程意识和规范行为。3、牢固树立“文明生产、安全第一”的职业意识,培养学员刻苦钻研严谨细致的工作作风。 4、提高劳动者素质,增强劳动者就业能力,以适应社会经济不停发展的规定。二、培训内容1、理论知识:(1)电路的基本概念。(2)正弦交流电的基本知识。(3)电子元件的基础知识。(4)直流稳压电源的基础知识。(5)基本逻辑器件的基础知识。(6)组合逻辑的基础知识。(7)时序逻辑的基础知识。(8)模/数、数/模转换的基础知识。(9)存储器与寄存器的基础知识。(10)数制的基础知识。 (11)机电控制中的低压电器知识。(12)常用传感器基础知识。(13)电机及控制技术的基础知识。 (14)可编程控制器的分类和特点。 (15)可编程序控制器的构造及工作原理。 (16)电气安全知识。2、专业能力:四级培训内容: (1)能分析由数字量、模拟量构成的单机控制系统的控制对象的工艺规定(2)能根据输入/出点容量、程序容量及扫描速度选用 PLC 型号(3)能根据技术指标选用开关量输入/出单元(4)能识读电气原理图(5)能识读接线图(6)能识读元器件布置图(7)能识读元器件现场位置图(8)能根据图纸规定现场安装由数字量构成的单机控制系统(9)能编制开关量输入/出单元的地址分派表(10)能使用编程工具及基本指令编写梯形图等控制程序(11)能校验现场开关量输入/输出信号的连接与否对的(12)能运用编程工具调试梯形图等控制程序(13)能联机调试由数字量构成的单机控制系统的控制程序(14)能定期检查 PLC 系统的硬件设备运行状况(15)能使用万能表等检测设备诊断并排除 PLC 系统故障三级培训内容: 在四级培训内容的基础上增长如下内容: (1) 能分析配有模拟量、设备层总线及单回路闭环单机控制系统的控制对象的工艺规定(2)能确定设备层总线通信技术规定(3)能确定模拟量、单回路闭环控制系统技术规定(4)能设计制定设备层联网方案(5)能设计单回路闭环控制方案(6)能根据通信规定及技术指标选用设备层总线单元并对硬件进行设计(7)能绘制电气原理图(8)能绘制接线图(9)能绘制元器件布置图(10)能绘制元器件现场位置图(11)能根据图纸规定对...

1、当您付费下载文档后,您只拥有了使用权限,并不意味着购买了版权,文档只能用于自身使用,不得用于其他商业用途(如 [转卖]进行直接盈利或[编辑后售卖]进行间接盈利)。
2、本站所有内容均由合作方或网友上传,本站不对文档的完整性、权威性及其观点立场正确性做任何保证或承诺!文档内容仅供研究参考,付费前请自行鉴别。
3、如文档内容存在违规,或者侵犯商业秘密、侵犯著作权等,请点击“违规举报”。

碎片内容

2025年可编程序控制系统设计师培训方案

您可能关注的文档

读万卷书+ 关注
实名认证
内容提供者

各类经典PPT文档分享

确认删除?
VIP
微信客服
  • 扫码咨询
会员Q群
  • 会员专属群点击这里加入QQ群
客服邮箱
回到顶部