电脑桌面
添加小米粒文库到电脑桌面
安装后可以在桌面快捷访问

水利工程外观质量评定表

水利工程外观质量评定表_第1页
1/6
水利工程外观质量评定表_第2页
2/6
水利工程外观质量评定表_第3页
3/6
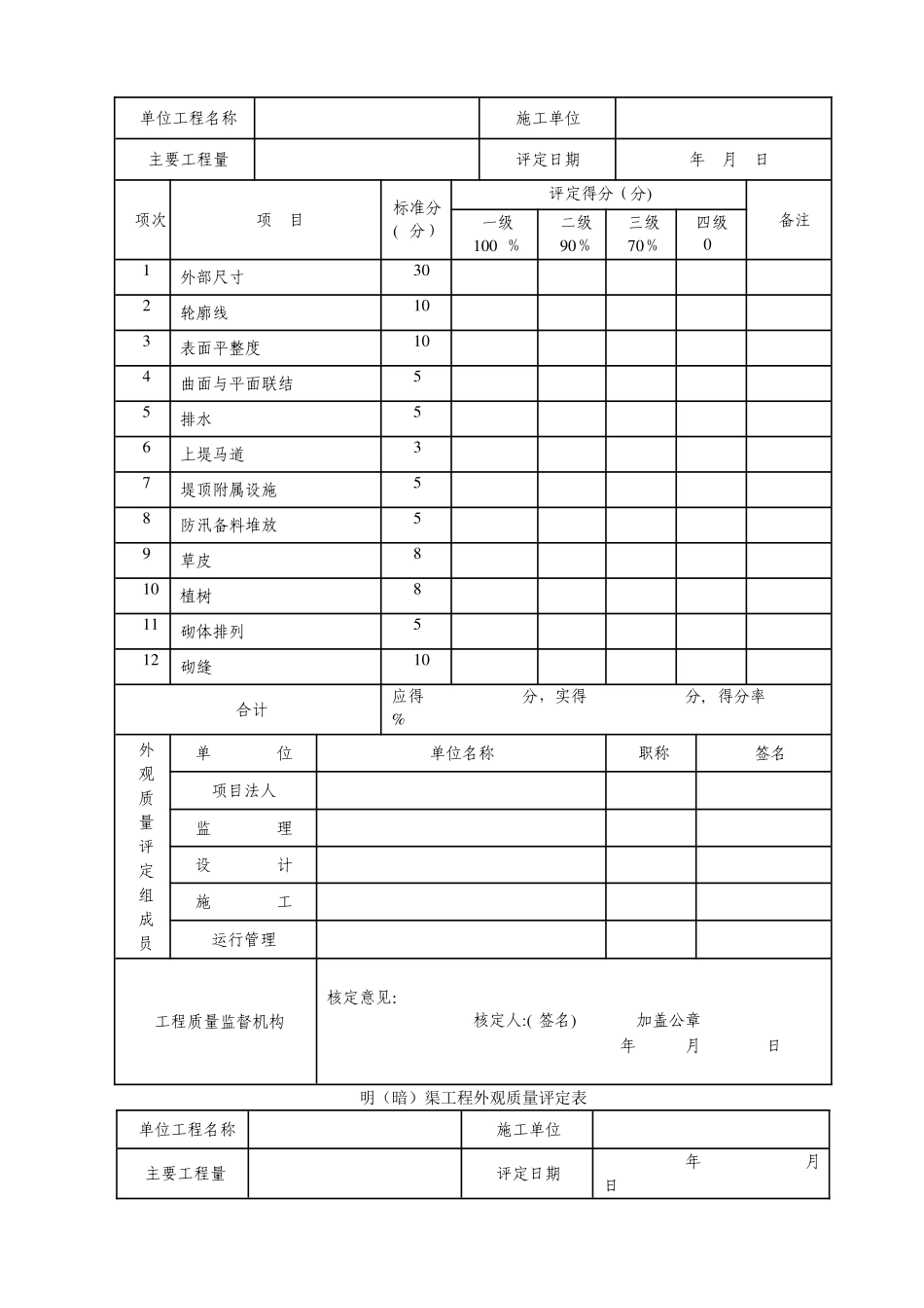
水 工 建 筑 物 外 观 质 量 评 定 表堤防工程外观质量评定表单位工程名称 施工单位 主要工程量 评定日期年 月 日项次项 目标准分(分)评定得分(分)备注一级 100%二级90%三级70%四级 01 建筑物外部尺寸12 2 轮廓线10 3 表面平整度10 4 立面垂直度10 5 大角方正5 6 曲面与平面联结9 7 扭面与平面联结9 8 马道及排水沟3(4) 9 梯步2(3) 10 栏杆2(3) 11 扶梯2 12 闸坝灯饰2 13 混凝土表面缺陷情况10 14 表面钢筋割除2(4) 15砌体勾缝宽度均匀、平整4 16竖、横缝平直4 17 浆砌卵石露头情况8 18 变形缝3(4) 19 启闭平台梁、柱、排架5 20 建筑物表面10 21 升压变电工程围墙(栏栅)、杆、架、塔、柱5 22 水工金属结构外表面6(7) 23 电站盘柜7 24 电缆线路敷设4(5) 25 电站油气、水、管路3(4) 26 厂区道路及排水沟4 27 厂区绿化8 合计应得 分,实得 分,得分率 %外观质量评定组成员单 位单位名称职称签名项目法人 监 理 设 计 施 工 运行管理 工程质量监督机构核定意见:核定人:(签名)加盖公章年 月 日注:量大时,标准分采纳括号内数值.单位工程名称 施工单位 主要工程量 评定日期年 月 日项次项 目标准分( 分)评定得分(分)备注一级100 %二级90%三级70%四级01外部尺寸30 2轮廓线10 3表面平整度10 4曲面与平面联结5 5排水5 6上堤马道3 7堤顶附属设施5 8防汛备料堆放5 9草皮8 10植树8 11砌体排列5 12砌缝10 合计应得 分,实得 分, 得分率 %外观质量评定组成员单 位单位名称职称签名项目法人 监 理 设 计 施 工 运行管理 工程质量监督机构核定意见:核定人:( 签名) 加盖公章年 月 日明(暗)渠工程外观质量评定表单位工程名称 施工单位 主要工程量 评定日期年 月 日项次项 目标准分(分)评定得分( 分)备注一级100%二级90%三级70%四级01外部尺寸10 2轮廓线10 3表面平整度10 4曲面与平面联结3 5扭面与平面联结3 6渠坡渠底衬砌10 7变形缝、结构缝6 8渠顶路面及排水沟8 9渠顶以上边坡6 10戗台及排水沟5 11沿渠小建筑物5 12梯步3 13弃渣堆放5 14绿化10 15原状岩土面完整性3 合计应得 分,实得 分, 得分率 %外观质量评定组成员单 位单位名称职称签名项目法人监 理设 计施 工运行管理工程质量监督机构核定意见:核定人:(签名) 加盖公章年 月 日引水( 渠道)建筑物工程外...

1、当您付费下载文档后,您只拥有了使用权限,并不意味着购买了版权,文档只能用于自身使用,不得用于其他商业用途(如 [转卖]进行直接盈利或[编辑后售卖]进行间接盈利)。
2、本站所有内容均由合作方或网友上传,本站不对文档的完整性、权威性及其观点立场正确性做任何保证或承诺!文档内容仅供研究参考,付费前请自行鉴别。
3、如文档内容存在违规,或者侵犯商业秘密、侵犯著作权等,请点击“违规举报”。

碎片内容

水利工程外观质量评定表

人从众+ 关注
实名认证
内容提供者

欢迎光临小店,本店以公文和教育为主,希望符合您的需求。

相关文档

确认删除?
VIP
微信客服
  • 扫码咨询
会员Q群
  • 会员专属群点击这里加入QQ群
客服邮箱
回到顶部