电脑桌面
添加小米粒文库到电脑桌面
安装后可以在桌面快捷访问

水利工程强制性条文执行计划表5

水利工程强制性条文执行计划表5_第1页
1/3
水利工程强制性条文执行计划表5_第2页
2/3
水利工程强制性条文执行计划表5_第3页
3/3
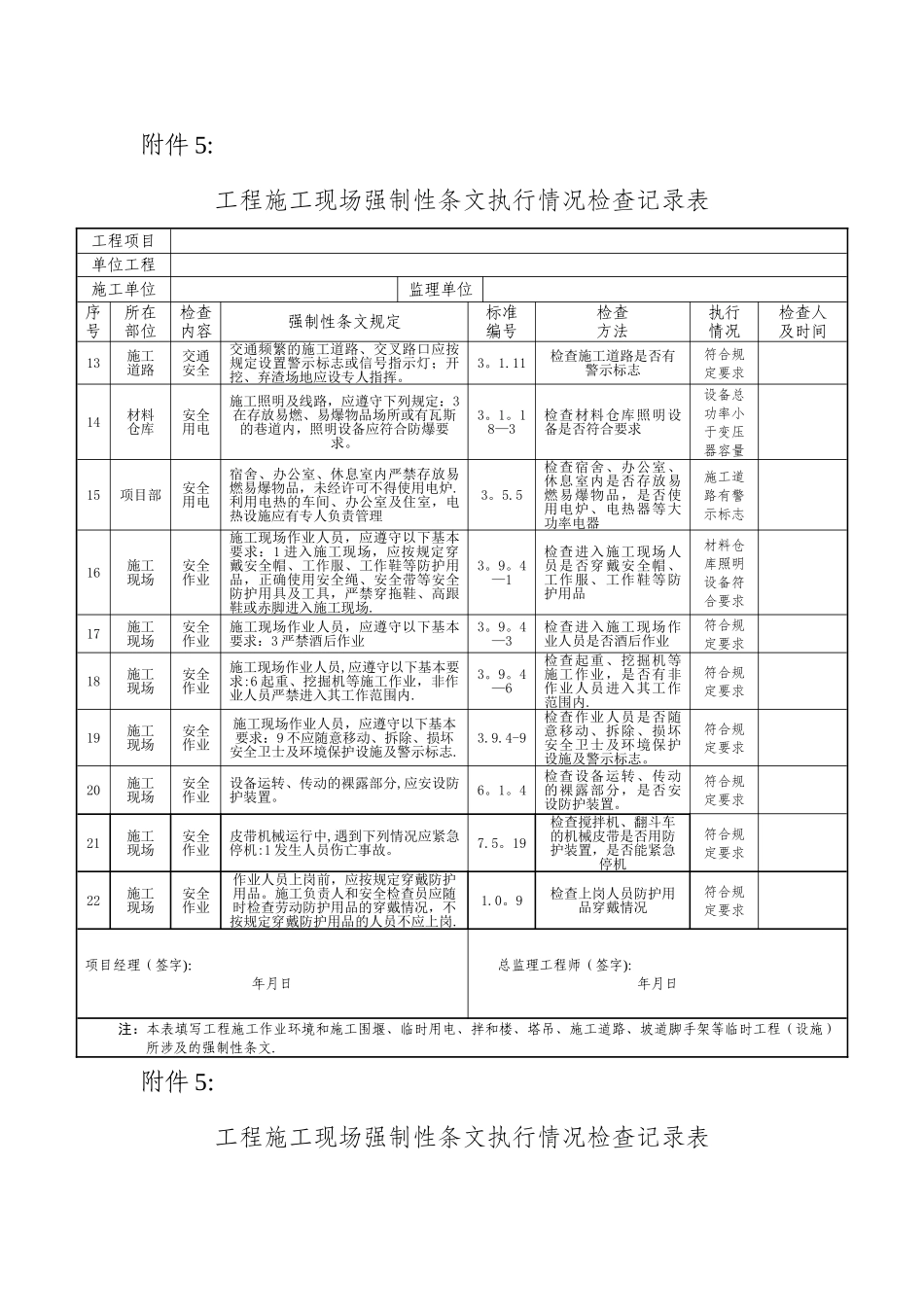
附件 5:工程施工现场强制性条文执行情况检查记录表工程项目单位工程施工单位监理单位序号所在部位检查内容强制性条文规定标准编号检查方法执行情况检查人及时间1排泥场围堰基底处理严禁在堤身两侧设计规定的保护范围内取土2。3。3检查两侧设计规定的保护范围内是否取土符合规定要求2排泥场围堰基底处理堤身表层不合格土、杂物等必须清除,堤基范围内的坑、槽、沟等,应按堤身填筑要求进行回填处理。5。2.2检查堰底是否有杂物、不合格土,堰基范围内坑、槽、沟处理情况符合规定要求3排泥场围堰填筑作业地面起伏不平常,应按水平分层由低处开始逐层填筑,不得顺坡铺填;6.1。1检查地面是否有起伏不平,如有要从低处开始逐层填筑。符合规定要求4排泥场围堰填筑作业作业面应分层统一铺土、统一碾压,并配备人员或平土机具参加整平作业,严禁出现界沟。6。1。1检查施工面是否统一铺土、统一碾压。符合规定要求5排泥场围堰填筑作业应按设计要求将土料铺至规定部位,严禁将砂(砾)料或其他透水料与粘性土料混杂,上堤土料中的杂质应予清除6。1.2检查是否按设计铺土,是否有砂(砾)等杂物混杂,如有要清理.符合规定要求6排泥场围堰填筑作业分段填筑,各段应设立标志,以防漏压、欠压和过压。上下层的分段接缝位置应错开.6。1。3检查是否分段填筑、碾压.符合规定要求7排泥场泄水口砼浇筑为确保混凝土的质量,工程所用混凝土的配合比必须通过试验确定。4.2。2检查是否有配合比报告单符合规定要求8排泥场泄水口砼浇筑拌制混凝土时,必须严格遵守实验室签发的混凝土配料单进行配料,严禁擅自更改。4。3.1检查拌合现场是否根据配合比报告单进行拌合符合规定要求9排泥场泄水口砼浇筑浇筑混凝土时,严禁在仓内加水。如发现混凝土和易性较差时,必须实行加强振捣等措施,以保证混凝土质量。4。5.9检 查 砼 入 仓 后 是 否 加水,如和易性较差要进行加强振捣符合规定要求10排泥场泄水口砼浇筑不合格的混凝土严禁入仓;已入仓的不合格的混凝土必须清除。4。5。10砼入仓前检查一次,入仓后再检查一次符合规定要求11排泥场泄水口砼浇筑混凝土浇筑期间,如表面泌水较多,应及时讨论减少泌水的措施。仓内的泌水必须及时排除。严禁在模板上开孔赶水,带走灰浆.4.5。13检查砼表面泌水,如有泌水要及时排除符合规定要求12排泥场泄水口挡土墙砖和砂浆的强度等级必须符合设计要求5.2。1检查相关材料检测报告符合规定要求项目经理(签字):年月日总监理工程师(签字):年月日...

1、当您付费下载文档后,您只拥有了使用权限,并不意味着购买了版权,文档只能用于自身使用,不得用于其他商业用途(如 [转卖]进行直接盈利或[编辑后售卖]进行间接盈利)。
2、本站所有内容均由合作方或网友上传,本站不对文档的完整性、权威性及其观点立场正确性做任何保证或承诺!文档内容仅供研究参考,付费前请自行鉴别。
3、如文档内容存在违规,或者侵犯商业秘密、侵犯著作权等,请点击“违规举报”。

碎片内容

水利工程强制性条文执行计划表5

确认删除?
VIP
微信客服
  • 扫码咨询
会员Q群
  • 会员专属群点击这里加入QQ群
客服邮箱
回到顶部