电脑桌面
添加小米粒文库到电脑桌面
安装后可以在桌面快捷访问

水利水电工程质量抽检表

水利水电工程质量抽检表_第1页
1/23
水利水电工程质量抽检表_第2页
2/23
水利水电工程质量抽检表_第3页
3/23
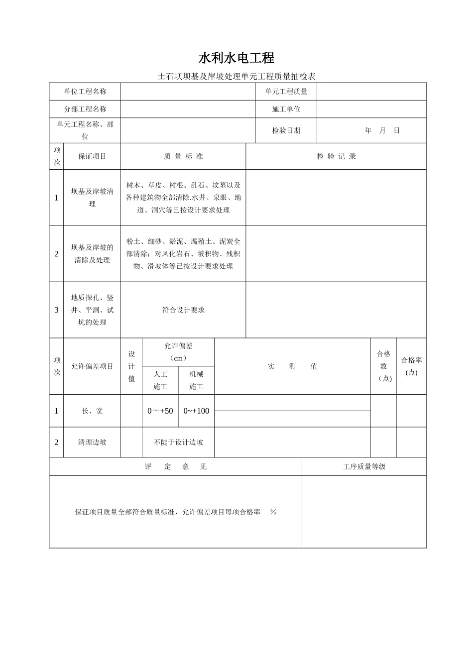
水利水电工程土石坝坝基及岸坡处理单元工程质量抽检表单位工程名称单元工程质量分部工程名称施工单位单元工程名称、部位检验日期 年 月 日项次保证项目质 量 标 准检 验 记 录1坝基及岸坡清理树木、草皮、树根、乱石、坟墓以及各种建筑物全部清除.水井、泉眼、地道、洞穴等已按设计要求处理2坝基及岸坡的清除及处理粉土、细砂、淤泥、腐殖土、泥炭全部清除;对风化岩石、坡积物、残积物、滑坡体等已按设计要求处理3地质探孔、竖井、平洞、试坑的处理符合设计要求项次允许偏差项目设计值允许偏差(cm)实 测 值合格数(点)合格率(点)人工施工机械施工1长、宽0~+500~+1002清理边坡不陡于设计边坡评 定 意 见工序质量等级保证项目质量全部符合质量标准,允许偏差项目每项合格率 %施工单位 年 月 日监理单位 年 月 日护坡垫层单元工程质量抽检表单位工程名称单元工程质量分部工程名称检验日期 年 月 日单元工程名称、部位评定日期 年 月 日项次项 目 名 称质 量 评 定检 验 结 果评 定检查项目1基面按 SL260—98《堤防工程施工法律规范》验收合格2垫层材料符合设计要求3垫层施工方法和程序符合 SL260—98《堤防工程施工法律规范》要求检查项目1垫层厚度偏小值不大于设计厚度的 15%(设计垫层厚度 cm)总测点数合格点数合格率施工单位自评意见质量等级监理单位复核意见核定质量等级检查项目达到质量标准,检测项目合格率 %施工单位名称监理单位名称测量员初检负责人终检负责人核定人 年 月 日水泥砂浆砌石体浆砌石体层面处理工序质量抽检表单位工程名称施工单位分部工程名称检验日期 年 月 日单元工程量评定日期 年 月 日单元工程名称、部位项次保证项质量标准检验记录1前一层砌体表面符合设计与《规定》要求,无松动石块项次基本项目质量标准检验记录质量等级合格优良合格优良1前一层砌体表面浮渣基本清除洁净无积水和积渣浮渣全部清除洁净,无积水各积渣2局部光滑的砂浆表面凿毛面≥80%凿毛面≥95%施工单位自评意见质量等级监理单位复核意见核定等级测量员初检负责人终检负责人监理单位监理工程师干砌石护坡单元工程质量抽检表单位工程名称单元工程分部工程名称检验日期 年 月 日单元工程名称、部位评定日期 年 月 日项次项目名称质 量 评 定检 验 结 果评定检查项目1面石用料质地坚硬无风化,单块质量大于等于 25kg,最小边长大于等于20cm2腹石砌筑排紧填严,无淤泥杂质3面石砌筑...

1、当您付费下载文档后,您只拥有了使用权限,并不意味着购买了版权,文档只能用于自身使用,不得用于其他商业用途(如 [转卖]进行直接盈利或[编辑后售卖]进行间接盈利)。
2、本站所有内容均由合作方或网友上传,本站不对文档的完整性、权威性及其观点立场正确性做任何保证或承诺!文档内容仅供研究参考,付费前请自行鉴别。
3、如文档内容存在违规,或者侵犯商业秘密、侵犯著作权等,请点击“违规举报”。

碎片内容

水利水电工程质量抽检表

您可能关注的文档

确认删除?
VIP
微信客服
  • 扫码咨询
会员Q群
  • 会员专属群点击这里加入QQ群
客服邮箱
回到顶部