电脑桌面
添加小米粒文库到电脑桌面
安装后可以在桌面快捷访问

水土保持报告表

水土保持报告表_第1页
1/20
水土保持报告表_第2页
2/20
水土保持报告表_第3页
3/20
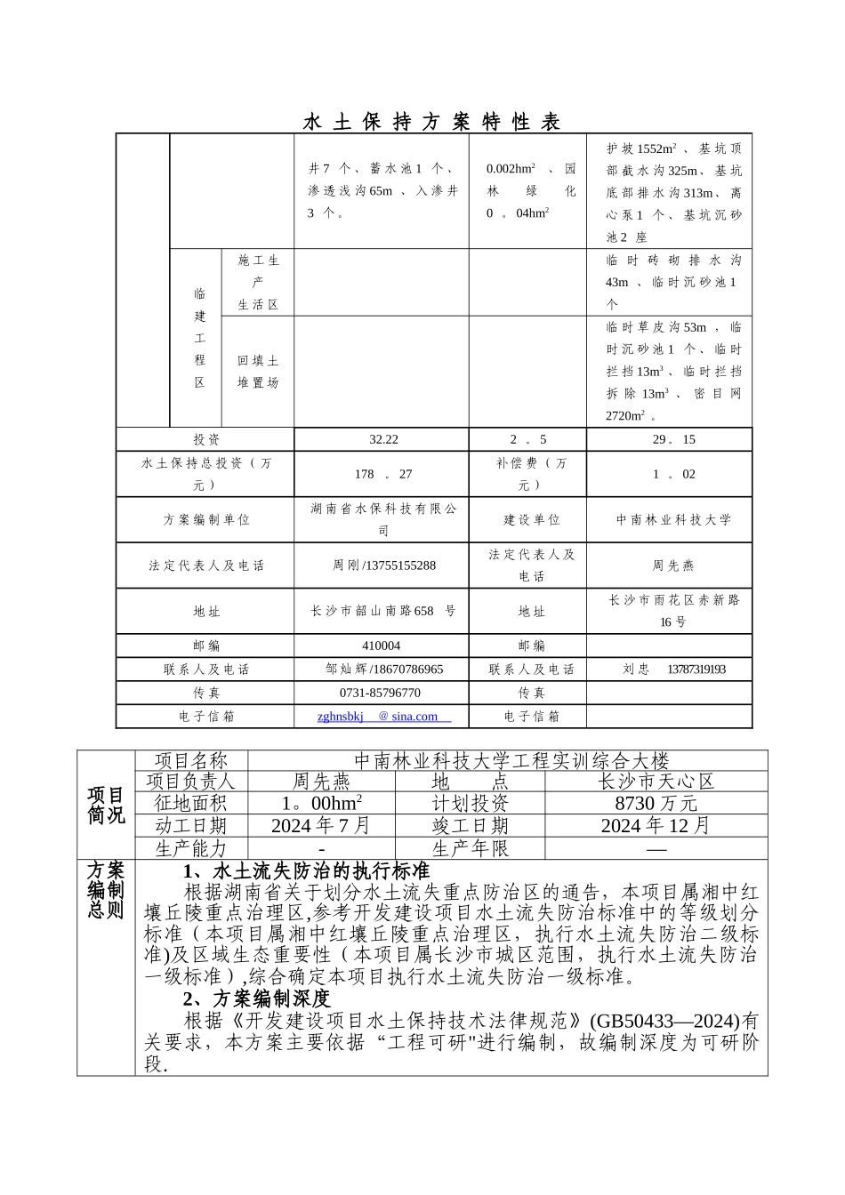
说 明1、 随表附送生产建设项目地理位置图、平面布置图各一份;2、 本表一式叁份,经水行政主管部门审查批准后,一份留水行政主管部门作为监督检查依据,一份送项目审批部门作为审批项目依据,一份留本单位(或个人)作为实施依据;3、 在生产建设项目施工过程中,必须严格按“水土保持方案报告表”中的内容实施各项水土保持措施,并接受水行政主管部门监督检查;4、凡此表表达不清的事项,可用附件表述。水 土 保 持 方 案 特 性 表项 目 名 称中 南 林 业 科 技 大 学 工 程 实 训 综 合 大 楼所 属 流 域 管 理 机构长 江 委涉 及 省 区湖 南 省涉 及 地 市 或 个 数长 沙市涉 及 县 区 或 个 数天 心 区项 目 规 模本 项 目 总 用 地 0 。 68hm2, 净 用 地 面 积 0 。 68hm2, 总 建 筑 面 积28590.60m2, 校 园 建 筑 密 度 18.99%, 校 园 容 积 率 0 。 99,校 园 绿 地 率 46.00% .总 投 资 (万 元 )8730 万 元土 建 投 资 ( 万 元 )5675 万 元动 工 时 间2024 年 7 月完 工 时 间2024 年 12月设 计 水 平 年2024 年项 目组 成分 区面 积( hm2 )挖 方 量( 万 m3)填 方 量( 万m3)弃 方(万m3)借 方( 万 m3)本项目 主 体 工 程 区0 。 684.060 。 963.120 。 02临建工程区施 工 生 产 生 活 区( 0 。 02)0.0010 。 0010 。 00回 填 土 堆 置 场(0.20)0 。 0010 。 0010 。 00小 计( 0 。 22)0.0020.0020 。 00合 计1.004.080.983.120 。 02防 治 区 类 型湘 中 红 壤 丘 陵 重 点 治 理 区地 貌 类 型丘 陵 区土 壤 类 型红 壤气 候 类 型亚 热 带 季 风 湿 润气 候 区植 被 类 型亚 热 带 常 绿落 叶 阔 叶 林原 地 貌 土 壤 侵 蚀 模 数[ t/ ( km2·a) ]355防 治 责 任 范 围 (hm2 )1.00土 壤 容 许 流 失 量 [ t/(km2·a ) ]500项 目 建 设 区 ( hm2)0.68扰 动 地 表 面 积 ( hm2 )0 。 68直 接 影 响 区 ( hm2 )0 。 32损 坏 水 保 设 施 面 积 ( hm2 )0 。 12土 壤 流 失 预 测 总 量 ( t)124.5新 增 土 壤 流 失 量 (t)115.4水 损 失 预 测 总 量 (万m3)...

1、当您付费下载文档后,您只拥有了使用权限,并不意味着购买了版权,文档只能用于自身使用,不得用于其他商业用途(如 [转卖]进行直接盈利或[编辑后售卖]进行间接盈利)。
2、本站所有内容均由合作方或网友上传,本站不对文档的完整性、权威性及其观点立场正确性做任何保证或承诺!文档内容仅供研究参考,付费前请自行鉴别。
3、如文档内容存在违规,或者侵犯商业秘密、侵犯著作权等,请点击“违规举报”。

碎片内容

水土保持报告表

确认删除?
VIP
微信客服
  • 扫码咨询
会员Q群
  • 会员专属群点击这里加入QQ群
客服邮箱
回到顶部