电脑桌面
添加小米粒文库到电脑桌面
安装后可以在桌面快捷访问

污水处理图纸会审记录

污水处理图纸会审记录_第1页
1/6
污水处理图纸会审记录_第2页
2/6
污水处理图纸会审记录_第3页
3/6
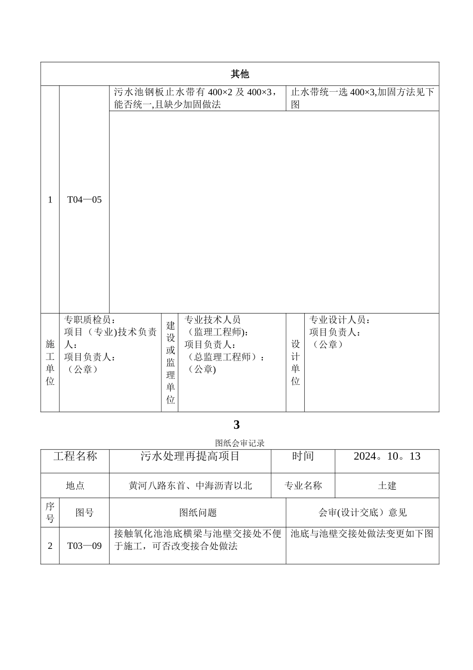
图纸会审记录工程名称污水处理再提高项目时间2024。10.13地点黄河八路东首、中海沥青以北专业名称土建序号图号图纸问题会审(设计交底)意见二沉池1T02—03 T02-05剖面图 A-A 基础底部尺寸 7800 与 D—D基础底部尺寸 8300 矛盾取基础底部尺寸 83002T02—03A-A(1500)埋管支护墙底部尺寸与详图E(1600)矛盾取值 1500,且详图 E 底部尺寸依次为 550、400、550。3T02—02池底 DN1200 埋管与曝气池基础底板撞车埋管 DN1200 顺时针旋转 30 度,且2 根 DN40 镀锌管与该埋管并排4T02-06预埋件 M1 中心定位不明确预埋件 M1 中心定位取溢流堰 140部位中心线5T02-06DN800 出水管缺中心标高该管套管底部贴其下方基础上表面6T02-06二沉池中心筒顶面预留方孔缺定位尺寸该尺寸待设备(或设备图)到位后在定7T02-07二沉池池壁配筋图中池壁与底板的钢筋加叶是否按图施工该加叶池壁部分不变,池底部分通至底板底部终沉池1T01-03终沉池池底埋管(进水管 DN800)与接触氧化池底板少量撞车接触氧化池底板上撞车部分可设1.2×0.5×0.5m 预留孔,具体根据现场实际情况定2T01—02终沉池平面图中浮渣池、污泥池定位可否调整污泥池中心定位角度 45 度调整为35 度,浮渣池中心定位角度 8 度调整为 18 度施工单位专职质检员:项目(专业)技术负责人:项目负责人:(公章)建设或监理单位专业技术人员(监理工程师):项目负责人:(总监理工程师):(公章)设计单位专业设计人员:项目负责人:(公章)1图纸会审记录工程名称污水处理再提高项目时间2024。10。13地点黄河八路东首、中海沥青以北专业名称土建序号图号图纸问题会审(设计交底)意见3T01—06终沉池中心筒顶面预留方孔缺定位尺寸该尺寸待设备(或设备图)到位后在定4T01-04中心筒埋件图中 2 处 M5 埋件标高冲突埋件 M5,均部 8 块,标高取 0.400埋件 M5,均部 12 块,标高取 2。0005T01-06终沉池中心筒剖面图中埋件(M5)缺少中心定位标高埋件 M5 中心标高取 0.4006T01-07终沉池池壁配筋图中池壁与底板的钢筋加叶是否按图施工该加叶池壁部分不变,池底部分通至底板底部7T01-05底板钢筋布置图中底板中心钢筋过密原 1#钢筋改为间距 260,材料做法不变。新增 7#三级钢 14@260、长度 14000、两端弯钩均 200接触氧化池1T03-09A—A 剖面中横梁单根 12.7m,因现场情况限制可否整根现浇该横梁整根现浇施工2T03—02接触氧化池西侧北部预埋管 DN600 缺少定位尺寸取两...

1、当您付费下载文档后,您只拥有了使用权限,并不意味着购买了版权,文档只能用于自身使用,不得用于其他商业用途(如 [转卖]进行直接盈利或[编辑后售卖]进行间接盈利)。
2、本站所有内容均由合作方或网友上传,本站不对文档的完整性、权威性及其观点立场正确性做任何保证或承诺!文档内容仅供研究参考,付费前请自行鉴别。
3、如文档内容存在违规,或者侵犯商业秘密、侵犯著作权等,请点击“违规举报”。

碎片内容

污水处理图纸会审记录

确认删除?
VIP
微信客服
  • 扫码咨询
会员Q群
  • 会员专属群点击这里加入QQ群
客服邮箱
回到顶部