电脑桌面
添加小米粒文库到电脑桌面
安装后可以在桌面快捷访问

污水处理工程环境影响报告表VIP专享

污水处理工程环境影响报告表_第1页
1/36
污水处理工程环境影响报告表_第2页
2/36
污水处理工程环境影响报告表_第3页
3/36
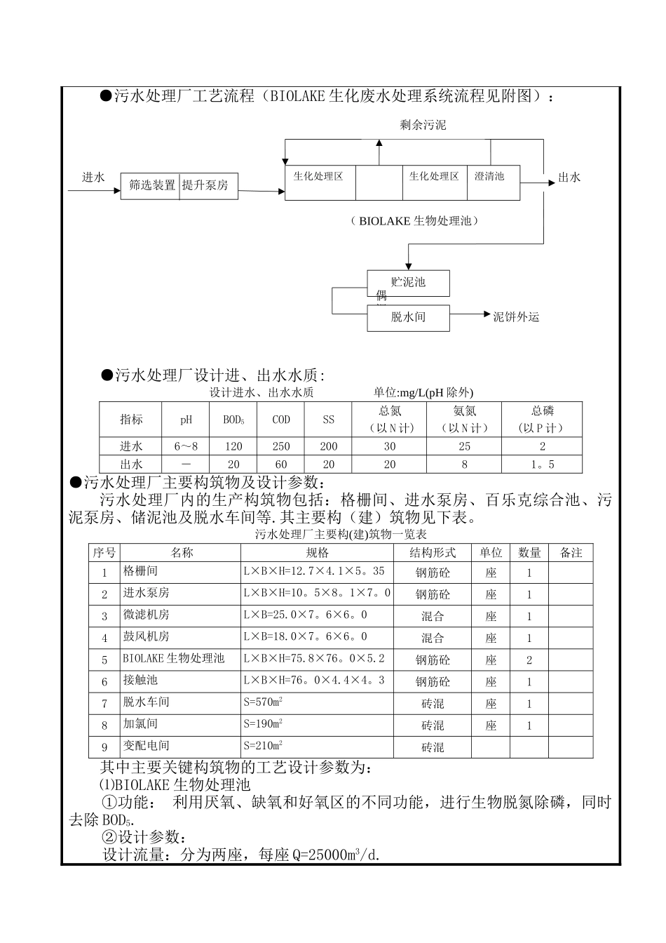
建设项目基本情况项目名称丹江口市左岸污水处理工程建设单位丹江口市中和水质净化有限公司法人代表王月娟联系人魏庆九通讯地址丹江口市中和水质净化有限责任公司联系电话0719-5232777传真邮政编码442700建设地点汉江左岸丹江大桥下游 200 米处立项审批部门 湖北省进展计划委员会批准文号鄂计投资[2024]1020号建设性质新建行业类别及代码K755 市政工程管理业占地面积(平方米)47064绿化面积(平方米)15050总投资(万元)10274。87其中:环保投资(万元)10274.87环保投资占总投资比例100%评价经费(万元)8.5预期投产日期2024 年 10 月工程内容及规模:一、 项目由来及必要性丹江口市是汉江中上游重要的水利枢纽和国家南水北调中线工程所在地,是融武当山风景区和丹江口库区景观于一体、具有一定工业基础的山水旅游城市.交通运输十分便利.丹江口市旅游资源十分丰富,名山秀水交相辉映,自然景观和人文景观闻名遐迩.境内的武当山是中国的道教圣地,世界文化遗产,武当山风景区是国家级风景名胜区.南水北调中线工程源头——丹江口水库是亚洲最大的人工湖,库区沿岸植被覆盖良好,四季常绿,风光秀丽。中线工程完工后将形成 1050km2的浩瀚水面和 290 亿 m3的巨大库容,水库水质良好。一名山,一秀水,百里武当,千年文化,青山绿水,古今交融,造就了武当山——丹江口旅游区的壮丽景观和独特魅力。即将开工的南水北调中线工程也必将会给处于调水源头的武当山—-丹江口旅游区带来重大的进展机遇。2024 年底,丹江口市政府为了响应十六大提出的全面建设小康社会的奋斗目标和抢抓南水北调中线工程机遇,正式提出把生态立市确定为本市的进展战略,大兴山水旅游。为此,丹江口市政府加强了全市的生态环境建设和环境综合整治力度。丹江口市是以水能、冶金、化工、建材为主的工业型旅游城市,是汉江上游重要的港口和水电城市,并将重点进展旅游业、金融保险业、商贸、交通运输等行业,加速第三产业的进展.丹江口市城区被汉江分割为左岸和右岸两部分。左岸为老城区,城区范围包括陈家港新港片、均州丹赵片、大坝片、羊山片、桃园片、茅腊坪片六大片区,现状人口 12.27 万人,城市建设用地约 11km2;右岸为规划新城区,城区范围包括马湾片、安乐河谷地片和三官殿片三大片区,现状人口 1 万人。 随着城市的进展,城区建立了大批企业,同时,城区人口急剧增加。由于市政基础设施欠缺,大量的工业废水、生活污水未经处理就近排入汉江和沙沟河.目前丹江口城区...

1、当您付费下载文档后,您只拥有了使用权限,并不意味着购买了版权,文档只能用于自身使用,不得用于其他商业用途(如 [转卖]进行直接盈利或[编辑后售卖]进行间接盈利)。
2、本站所有内容均由合作方或网友上传,本站不对文档的完整性、权威性及其观点立场正确性做任何保证或承诺!文档内容仅供研究参考,付费前请自行鉴别。
3、如文档内容存在违规,或者侵犯商业秘密、侵犯著作权等,请点击“违规举报”。

碎片内容

污水处理工程环境影响报告表

津创媒+ 关注
实名认证
内容提供者

欢迎交流文创,小店资料希望满足您的需要。

确认删除?
VIP
微信客服
  • 扫码咨询
会员Q群
  • 会员专属群点击这里加入QQ群
客服邮箱
回到顶部