电脑桌面
添加小米粒文库到电脑桌面
安装后可以在桌面快捷访问

污水处理工程评估报告

污水处理工程评估报告_第1页
1/7
污水处理工程评估报告_第2页
2/7
污水处理工程评估报告_第3页
3/7
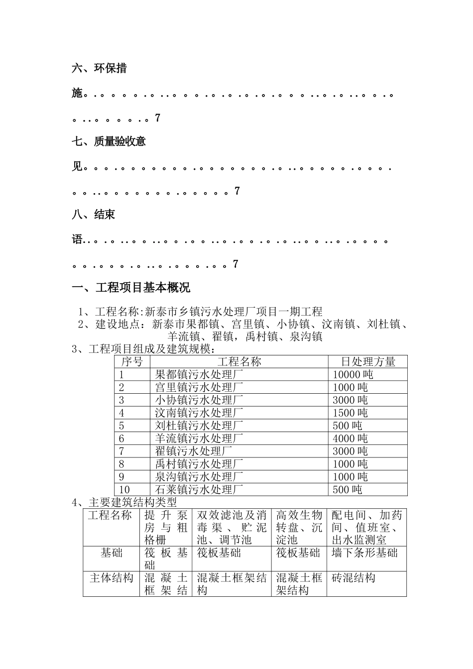
新泰市乡镇污水处理厂项目一期工程监理评估报告编制人:审核人: 山东新世纪工程项目管理咨询有限公司 年 月 日 目 录一、工程项目基本概况。。。。..。。.。.。.。.。.。..。。。。。。。。。。。。。..。。1二、监理组织机构和设施投入。。。。。.。..。....。。。。.。。。.。。.。.。.。2三、监理工作依据。。.。。.。。。。。。。.。.。。。.。..。....。.。。。。。.。。。。。2四、监理工作范围。。.。.。。。。。..。。...。.。.。。。.。。。。。..。..。。。。.。3五、监理工作内容。。。.。....。.。。。。..。。。.。。。。。.。。。。。。。。.。..。.3六、环保措施。.。。。。.。..。。。.。.。.。.。.。。。..。.。..。。.。。..。。。。.。7七、质量验收意见。。。.。。。。。。。.。。。。。。。.。..。。。。。.。。。.。。..。。。。。。。.。。。。。7八、结束语..。.。..。。..。。.。。..。.。。.。.。..。。..。.。。。。。。.。。。.。..。.。。。.。。7一、工程项目基本概况1、工程名称:新泰市乡镇污水处理厂项目一期工程2、建设地点:新泰市果都镇、宫里镇、小协镇、汶南镇、刘杜镇、羊流镇、翟镇,禹村镇、泉沟镇3、工程项目组成及建筑规模:序号工程名称日处理方量1果都镇污水处理厂10000 吨2宫里镇污水处理厂1000 吨3小协镇污水处理厂3000 吨4汶南镇污水处理厂1500 吨5刘杜镇污水处理厂500 吨6羊流镇污水处理厂4000 吨7翟镇污水处理厂3000 吨8禹村镇污水处理厂1000 吨9泉沟镇污水处理厂1000 吨10石莱镇污水处理厂500 吨4、主要建筑结构类型工程名称提 升 泵房 与 粗格栅双效滤池及消毒 渠 、 贮 泥池、调节池高效生物转盘、沉淀池配电间、加药间、值班室、出水监测室基础筏 板 基础筏板基础筏板基础墙下条形基础主体结构混 凝 土框 架 结混凝土框架结构混凝土框架结构砖混结构构装饰装修内墙涂料给水排水电气4、建设单位:新泰桑德水务有限公司5、监理单位:山东新世纪工程项目管理咨询有限公司6、设计单位:北京桑德环境工程有限公司7、施工单位:北京桑德环境工程有限公司8、质量目标:合格二、监理组织机构和设施投入根据工程的具体情况,本公司组织项目监理机构进驻施工现场,为做好该项目监理工作实现预期控制目标,由一名总监,一名专业监理工程师及一名监理员组成的项目监理机构对该工程进行施工全过程监理。为了便于更好地完成监理工作,特自备经纬仪、水准仪等其他检测工具及后...

1、当您付费下载文档后,您只拥有了使用权限,并不意味着购买了版权,文档只能用于自身使用,不得用于其他商业用途(如 [转卖]进行直接盈利或[编辑后售卖]进行间接盈利)。
2、本站所有内容均由合作方或网友上传,本站不对文档的完整性、权威性及其观点立场正确性做任何保证或承诺!文档内容仅供研究参考,付费前请自行鉴别。
3、如文档内容存在违规,或者侵犯商业秘密、侵犯著作权等,请点击“违规举报”。

碎片内容

污水处理工程评估报告

您可能关注的文档

确认删除?
VIP
微信客服
  • 扫码咨询
会员Q群
  • 会员专属群点击这里加入QQ群
客服邮箱
回到顶部