电脑桌面
添加小米粒文库到电脑桌面
安装后可以在桌面快捷访问

汽车吊入场验收表

汽车吊入场验收表_第1页
1/2
汽车吊入场验收表_第2页
2/2
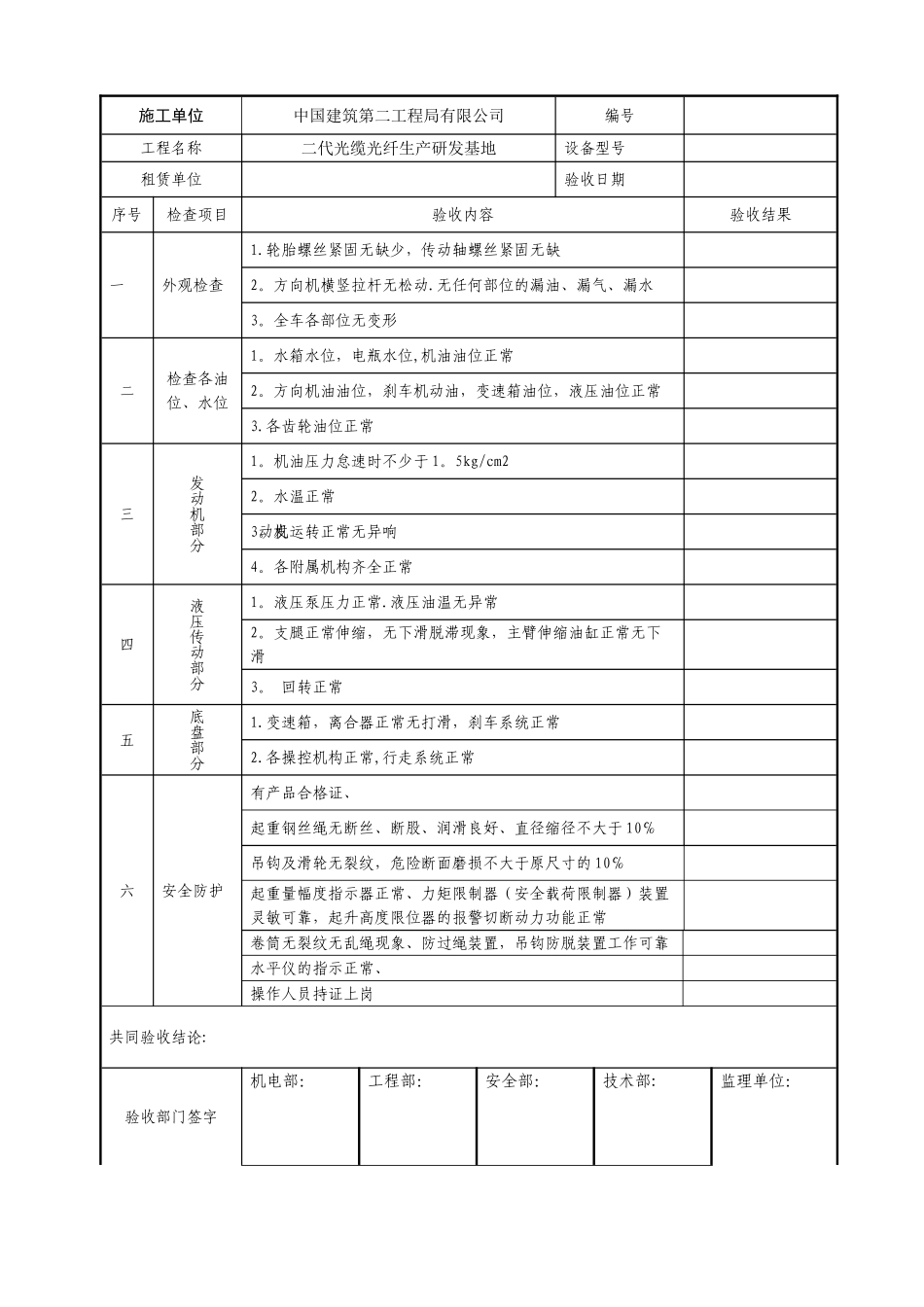
施工单位中国建筑第二工程局有限公司编号工程名称二代光缆光纤生产研发基地设备型号 租赁单位验收日期序号检查项目验收内容验收结果一外观检查1.轮胎螺丝紧固无缺少,传动轴螺丝紧固无缺2。方向机横竖拉杆无松动.无任何部位的漏油、漏气、漏水3。全车各部位无变形二检查各油位、水位1。水箱水位,电瓶水位,机油油位正常2。方向机油油位,刹车机动油,变速箱油位,液压油位正常3.各齿轮油位正常三发动机部分1。机油压力怠速时不少于 1。5kg/cm22。水温正常3。发动机运转正常无异响4。各附属机构齐全正常四液压传动部分1。液压泵压力正常.液压油温无异常2。支腿正常伸缩,无下滑脱滞现象,主臂伸缩油缸正常无下滑3。 回转正常五底盘部分1.变速箱,离合器正常无打滑,刹车系统正常2.各操控机构正常,行走系统正常六安全防护有产品合格证、起重钢丝绳无断丝、断股、润滑良好、直径缩径不大于 10℅吊钩及滑轮无裂纹,危险断面磨损不大于原尺寸的 10℅起重量幅度指示器正常、力矩限制器(安全载荷限制器)装置灵敏可靠,起升高度限位器的报警切断动力功能正常卷筒无裂纹无乱绳现象、防过绳装置,吊钩防脱装置工作可靠水平仪的指示正常、操作人员持证上岗共同验收结论:验收部门签字机电部:工程部:安全部:技术部:监理单位:生产经理:安全总监:总工:

1、当您付费下载文档后,您只拥有了使用权限,并不意味着购买了版权,文档只能用于自身使用,不得用于其他商业用途(如 [转卖]进行直接盈利或[编辑后售卖]进行间接盈利)。
2、本站所有内容均由合作方或网友上传,本站不对文档的完整性、权威性及其观点立场正确性做任何保证或承诺!文档内容仅供研究参考,付费前请自行鉴别。
3、如文档内容存在违规,或者侵犯商业秘密、侵犯著作权等,请点击“违规举报”。

碎片内容

汽车吊入场验收表

确认删除?
VIP
微信客服
  • 扫码咨询
会员Q群
  • 会员专属群点击这里加入QQ群
客服邮箱
回到顶部