电脑桌面
添加小米粒文库到电脑桌面
安装后可以在桌面快捷访问

沥青油毡卷材屋面防水层分项工程质量管理

沥青油毡卷材屋面防水层分项工程质量管理_第1页
1/4
沥青油毡卷材屋面防水层分项工程质量管理_第2页
2/4
沥青油毡卷材屋面防水层分项工程质量管理_第3页
3/4
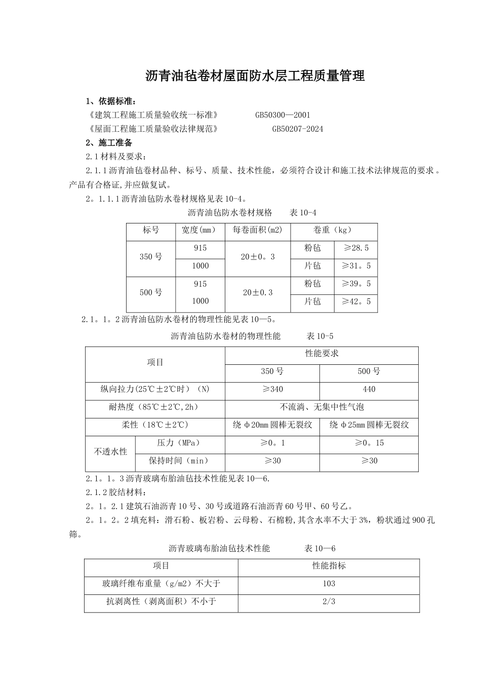
沥青油毡卷材屋面防水层工程质量管理1、依据标准:《建筑工程施工质量验收统一标准》 GB50300—2001《屋面工程施工质量验收法律规范》 GB50207-20242、施工准备2.1 材料及要求:2.1.1 沥青油毡卷材品种、标号、质量、技术性能,必须符合设计和施工技术法律规范的要求 。产品有合格证,并应做复试。2。1.1.1 沥青油毡防水卷材规格见表 10-4。沥青油毡防水卷材规格表 10-4标号宽度(mm)每卷面积(m2)卷重(kg)350 号91520±0。3粉毡≥28.51000片毡≥31。5500 号915100020±0.3粉毡≥39。5片毡≥42。52.1。1。2 沥青油毡防水卷材的物理性能见表 10—5。沥青油毡防水卷材的物理性能表 10-5项目性能要求350 号500 号纵向拉力(25℃±2℃时)(N)≥340440耐热度(85℃±2℃,2h)不流淌、无集中性气泡柔性(18℃±2℃)绕 ф20mm 圆棒无裂纹绕 ф25mm 圆棒无裂纹不透水性压力(MPa)≥0。1≥0。15保持时间(min)≥30≥302.1。1。3 沥青玻璃布胎油毡技术性能见表 10—6.2.1.2 胶结材料:2。1。2.1 建筑石油沥青 10 号、30 号或道路石油沥青 60 号甲、60 号乙。2。1。2。2 填充料:滑石粉、板岩粉、云母粉、石棉粉,其含水率不大于 3%,粉状通过 900 孔筛。沥青玻璃布胎油毡技术性能表 10—6项目性能指标玻璃纤维布重量(g/m2)不大于103抗剥离性(剥离面积)不小于2/3不透水性压力(MPa)不小于≥0.2保持时间(min)不少于30吸水性(%)不大于0。1耐热度在 85℃±2℃温度下受热 2h,涂盖层无滑动拉力(N)在 18℃±2℃时纵向不小于200柔度在 0℃时绕 ф20mm 圆棒无裂纹2。1.3 其他材料:豆石要求粒径 3~5mm,汽油、煤油、麻丝、苯类、玻璃布等。2.1.4 冷作业施工 LQ-冷玛帝脂,技术性能见表 10-7LQ-冷玛帝脂技术性能表 10—7项目性能指标耐热度85℃、2h、1﹕1 坡度地流淌滑动柔度-5℃、2h、绕 ф20mm 棒无裂纹粘结力揭开面不大于 1/3注:冷玛帝脂与玻璃布胎沥青油毡卷材配套使用,便于冷作业施工。2。2 主要机具:2.2.1 沥青专用锅、燃料(煤)、保温车.2。2。2 油桶、油壶、笊篱(漏勺)、铁锹、刮板、棕刷、温度计(350~400℃)。2.2.3 消防器材用具、灭火器等。2.3 作业条件:2.3。1 屋面施工前,应掌握施工图的要求,造反防水工程专业队,编制防水工程施工方案。2。3.2 屋面施工应按施工工序进行检验,基层表面必须平整、坚实、干燥、清洁,且不得有起砂、开裂和空鼓等缺陷。2。3.3 屋面防水层的基层...

1、当您付费下载文档后,您只拥有了使用权限,并不意味着购买了版权,文档只能用于自身使用,不得用于其他商业用途(如 [转卖]进行直接盈利或[编辑后售卖]进行间接盈利)。
2、本站所有内容均由合作方或网友上传,本站不对文档的完整性、权威性及其观点立场正确性做任何保证或承诺!文档内容仅供研究参考,付费前请自行鉴别。
3、如文档内容存在违规,或者侵犯商业秘密、侵犯著作权等,请点击“违规举报”。

碎片内容

沥青油毡卷材屋面防水层分项工程质量管理

确认删除?
VIP
微信客服
  • 扫码咨询
会员Q群
  • 会员专属群点击这里加入QQ群
客服邮箱
回到顶部