电脑桌面
添加小米粒文库到电脑桌面
安装后可以在桌面快捷访问

浆砌石质量评定表

浆砌石质量评定表_第1页
1/11
浆砌石质量评定表_第2页
2/11
浆砌石质量评定表_第3页
3/11
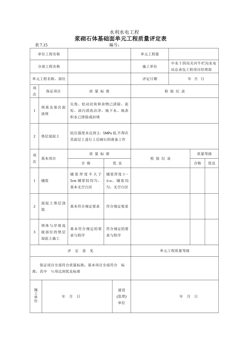
水利水电工程浆砌石体基础面单元工程质量评定表表 7.15 编号:单位工程名称单元工程量分部工程名称施工单位中水十四局关河牛栏沟水电站总承包工程项目经理部 单元工程名称、部位评定日期 年 月 日项次保证项目质 量 标 准检 验 纪 录1坝基及基岩面清理尖角、松动岩块和杂物已清除,泥垢、油污清洗洁净,地下水、地表积水已排除或封堵2垫层混泥土抗压强度未达到 2。5MPa 前,不得在其面层上进行上层砌石的准备工作项次基本项目质 量 标 准检 验 纪 录质量等级合 格优 良合格优良1铺浆铺 浆 厚 度 不 大 于5cm 铺浆较均匀,基本无空白区铺浆厚度 3~4cm,铺浆均匀,无空白区2混泥土垫层浇筑基本符合规定要求符合规定要求3坝体与岸坡连接部位的垫层混泥土施工基本符合规定的要求与程序符合规定的要求与程序评 定 意 见单元工程质量等级保证项目全部符合质量标准;基本项目全部符合 标准,其中 %项达到优良标准施工单位 年 月 日建设(监理)单位年 月 日水利水电工程水泥砂浆砌石体单元工程质量评定表表 7。16 编号:单位工程名称单元工程量分部工程名称施工单位中水十四局关河牛栏沟水电站总承包工程项目经理部 单元工程名称、部位评定日期 年 月 日项次工 序 名 称工 序 质 量 等 级1浆砌石体层面处理2△砌 筑评 定 意 见单元工程质量等级两个工序质量达到合格标准,其中砌筑工序质量施工单位年 月 日建设(监理)单位年 月 日水利水电工程水泥砂浆砌石体浆砌石体层面处理工序质量评定表表 7.16—1 编号:单位工程名称单元工程量分部工程名称施工单位中水十四局关河牛栏沟水电站总承包工程项目经理部 单元工程名称、部位检验日期 年 月 日项次保证项目质 量 标 准检 验 纪 录1前一层砌体表面符合设计与《规定》要求,无松动石块项次基本项目质 量 标 准检 验 纪 录质量等级合 格优 良合格优良1前一层砌体表面浮渣基本清除洁净,无积水和积渣浮渣全部清除洁净,无积水和积渣2局部光滑的砂浆表面凿毛面大于等于 80%凿毛面大于等于 90%评 定 意 见工序质量等级保证项目符合设计规定质量标准,基本项目全部符合质量标准,其中 项优良施工单位 年 月 日建设(监理)单位年 月 日水利水电工程水泥砂浆砌石体砌筑工序质量评定表表 7.16-2 编号:单位工程名称单元工程量分部工程名称施工单位中水十四局关河牛栏沟水电站总承包工程项目经理部 单元工程名称、部位...

1、当您付费下载文档后,您只拥有了使用权限,并不意味着购买了版权,文档只能用于自身使用,不得用于其他商业用途(如 [转卖]进行直接盈利或[编辑后售卖]进行间接盈利)。
2、本站所有内容均由合作方或网友上传,本站不对文档的完整性、权威性及其观点立场正确性做任何保证或承诺!文档内容仅供研究参考,付费前请自行鉴别。
3、如文档内容存在违规,或者侵犯商业秘密、侵犯著作权等,请点击“违规举报”。

碎片内容

浆砌石质量评定表

您可能关注的文档

确认删除?
VIP
微信客服
  • 扫码咨询
会员Q群
  • 会员专属群点击这里加入QQ群
客服邮箱
回到顶部