电脑桌面
添加小米粒文库到电脑桌面
安装后可以在桌面快捷访问

测量学计算题-建筑工程测量

测量学计算题-建筑工程测量_第1页
1/9
测量学计算题-建筑工程测量_第2页
2/9
测量学计算题-建筑工程测量_第3页
3/9
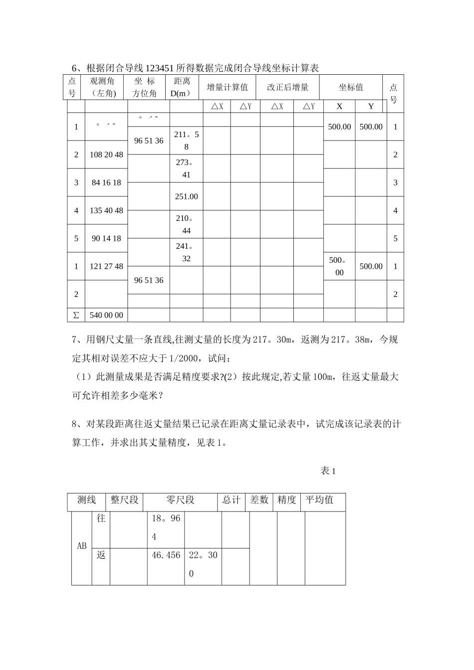
1、绘图说明水准测量的基本原理,写出高差法与视线高法计算未知点的高程,其中 A 为已知点、B 为待测点。2、经纬仪观测角度,在地面 O 点安置经纬仪,利用测回法观测角度 β,画图说明一个测回之观测步骤。3、计算:已知地面两点 A、B,其坐标为 XA=386.28m,YA=278。36m,XB=527.31m,YB=431。68m,HA=138.25m,HB=139.75m,请完成如下几项内容。 1)求 A、B 两点连线的坐标方位角 αAB(解析法)2)根据 AB 两点高程及其坐标,求 AB 段平均坡度4、根据所测数据完成四等水准测量表格(双面尺法)测站号后尺下丝前尺下丝方向及尺号水准尺读数K+黑-红(mm)平均高差(m)备注上丝上丝黑面红面后视距前视距视距差(d) (m)∑d(m)BM1|TP12.0101。523后 11.7066。494/1。4000.900前 21.2105。896/K1=4787后一前K2=4687/////TP1|BM21。4790。982后 21。1715。859/0。8640。373前 10。6785.465/后—前/////5、按表计算:水平角观测记录计算(测回法) 测站(测回)目标竖盘位置水平度盘读数半测回角 值测回角值各测回平均角值° ′ ″°′ ″° ′ ″°′ ″0(1)A左0 00 06B58 47 18A右180 00 24B238 47 300(2)A左90 01 36B148 48 42A右270 01 48B328 48 486、根据闭合导线 123451 所得数据完成闭合导线坐标计算表点号观测角(左角)坐 标方位角距离D(m)增量计算值改正后增量坐标值点号△X△Y△X△YXY1°ˊ˜°ˊ˜500.00500.00196 51 36211。582108 20 482273。41384 16 183251.004135 40 484210。44590 14 185241。321121 27 48500。00500.00196 51 3622∑540 00 007、用钢尺丈量一条直线,往测丈量的长度为 217。30m,返测为 217。38m,今规定其相对误差不应大于 1/2000,试问:(1)此测量成果是否满足精度要求?(2)按此规定,若丈量 100m,往返丈量最大可允许相差多少毫米?8、对某段距离往返丈量结果已记录在距离丈量记录表中,试完成该记录表的计算工作,并求出其丈量精度,见表 1。 表 1测线整尺段零尺段总计差数精度平均值AB往18。964返46.45622。3009、在对 S3型微倾水准议进行 角检校时,先将水准仪安置在 A 和 B 两立尺点中间,使气泡严格居中,分别读得两尺读数为=1.573m,b1=1.415m,然后将仪器搬到 A 尺附近,使气泡居中,读得=1.834m,b2=1.696m,问(1)正确高差是多少?(2)水准管轴是否平行视准轴?(3)若不平行,应如何校正?10、如图 1 所示,在水准...

1、当您付费下载文档后,您只拥有了使用权限,并不意味着购买了版权,文档只能用于自身使用,不得用于其他商业用途(如 [转卖]进行直接盈利或[编辑后售卖]进行间接盈利)。
2、本站所有内容均由合作方或网友上传,本站不对文档的完整性、权威性及其观点立场正确性做任何保证或承诺!文档内容仅供研究参考,付费前请自行鉴别。
3、如文档内容存在违规,或者侵犯商业秘密、侵犯著作权等,请点击“违规举报”。

碎片内容

测量学计算题-建筑工程测量

确认删除?
VIP
微信客服
  • 扫码咨询
会员Q群
  • 会员专属群点击这里加入QQ群
客服邮箱
回到顶部