电脑桌面
添加小米粒文库到电脑桌面
安装后可以在桌面快捷访问

消防工程设备表

消防工程设备表_第1页
1/3
消防工程设备表_第2页
2/3
消防工程设备表_第3页
3/3
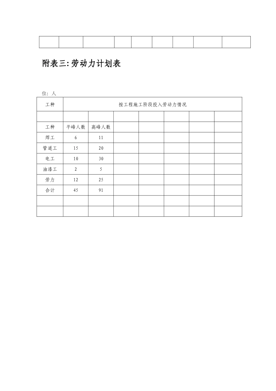
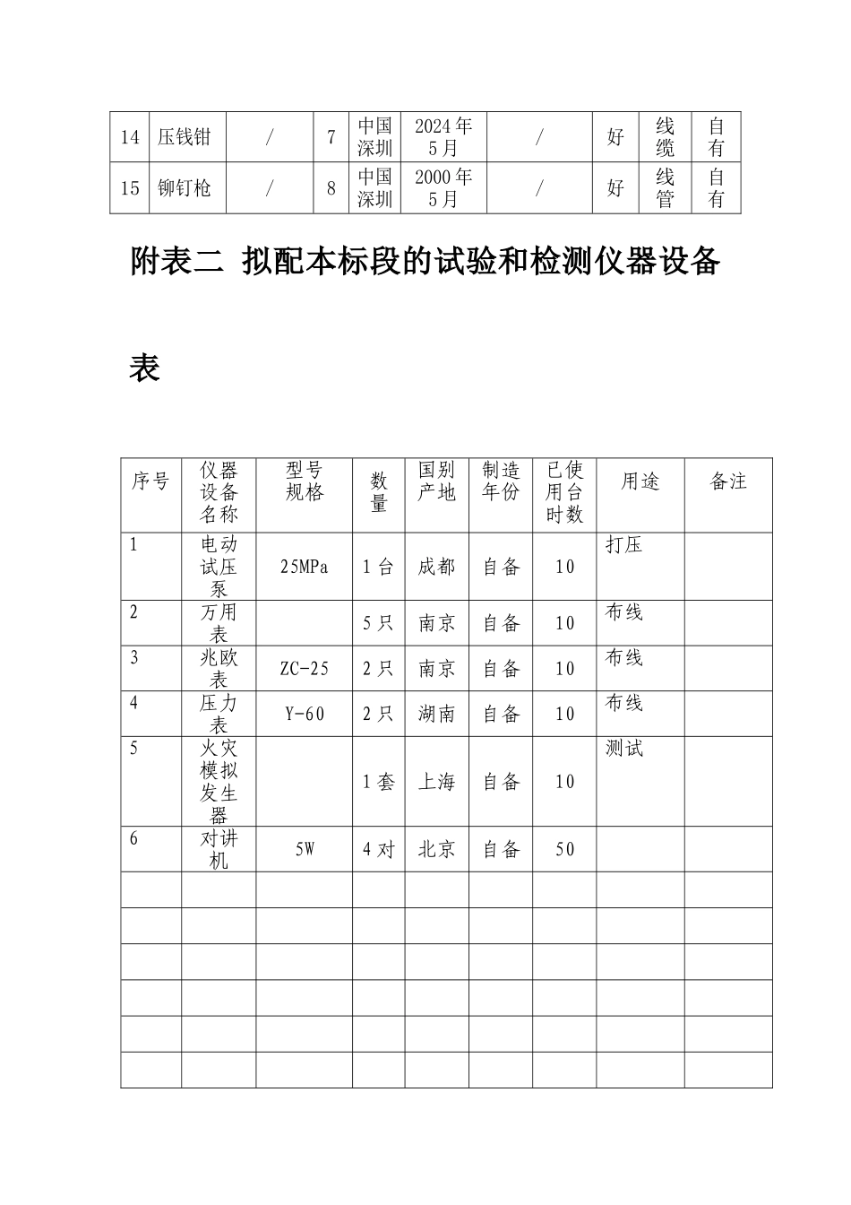
附表一 拟投入本标段的主要施工设备表序号机械或设备名称型号规格数量国别产地制造年份额定功率(KW)生产能力用于施工部位备注1数 字 式照度计TES13305中国上海1999 年5 月0.1-2000LX±3%好设备自有2数 子 风速计AVM-016中国台湾1999 年5 月0-45M/S±3%好设备自有3对讲机1K—20810日本健伍2001 年4 月/好通讯自有4数 字 万用表BJ99256中国深圳1999 年3 月/好设备自有5数 字 声级计PAS6633C2中国杭州1999 年元月40-120dB好设备自有6数 字 兆欧表VC60A5中国珠海1998 年7 月1—2000MΩ±4%好设备自有7钳 形 电流表H2665中国天津2024 年5 月/好设备自有8冲 击 电锤VRV-164中国深圳2000 年3 月1.05好线管自有9手电钻JS31004中国深圳2000 年3 月0。75好线管自有10手 切 割机Φ1004中国深圳2024 年5 月11。25好线管自有11金 属 开孔机ZIC-1106中国深圳2000 年5 月3。6好线管自有12弯管器WQJ—G606中国深圳2000 年5 月3。3好线管自有13穿线器/10中国深圳2024 年5 月/好线缆自有14压钱钳/7中国深圳2024 年5 月/好线缆自有15铆钉枪/8中国深圳2000 年5 月/好线管自有附表二 拟配本标段的试验和检测仪器设备表序号仪器设备名称型号规格数量国别产地制造年份已使用台时数用途备注1电动试压泵25MPa1 台成都自备10打压2万用表5 只南京自备10布线3兆欧表ZC-252 只南京自备10布线4压力表Y-602 只湖南自备10布线5火灾模拟发生器1 套上海自备10测试6对讲机5W4 对北京自备50附表三:劳动力计划表位:人工种按工程施工阶段投入劳动力情况工种平峰人数高峰人数焊工611管道工1520电工1030油漆工25劳力1225合计4591

1、当您付费下载文档后,您只拥有了使用权限,并不意味着购买了版权,文档只能用于自身使用,不得用于其他商业用途(如 [转卖]进行直接盈利或[编辑后售卖]进行间接盈利)。
2、本站所有内容均由合作方或网友上传,本站不对文档的完整性、权威性及其观点立场正确性做任何保证或承诺!文档内容仅供研究参考,付费前请自行鉴别。
3、如文档内容存在违规,或者侵犯商业秘密、侵犯著作权等,请点击“违规举报”。

碎片内容

消防工程设备表

您可能关注的文档

确认删除?
VIP
微信客服
  • 扫码咨询
会员Q群
  • 会员专属群点击这里加入QQ群
客服邮箱
回到顶部