电脑桌面
添加小米粒文库到电脑桌面
安装后可以在桌面快捷访问

消防建筑平面防火间距表格

消防建筑平面防火间距表格_第1页
1/18
消防建筑平面防火间距表格_第2页
2/18
消防建筑平面防火间距表格_第3页
3/18
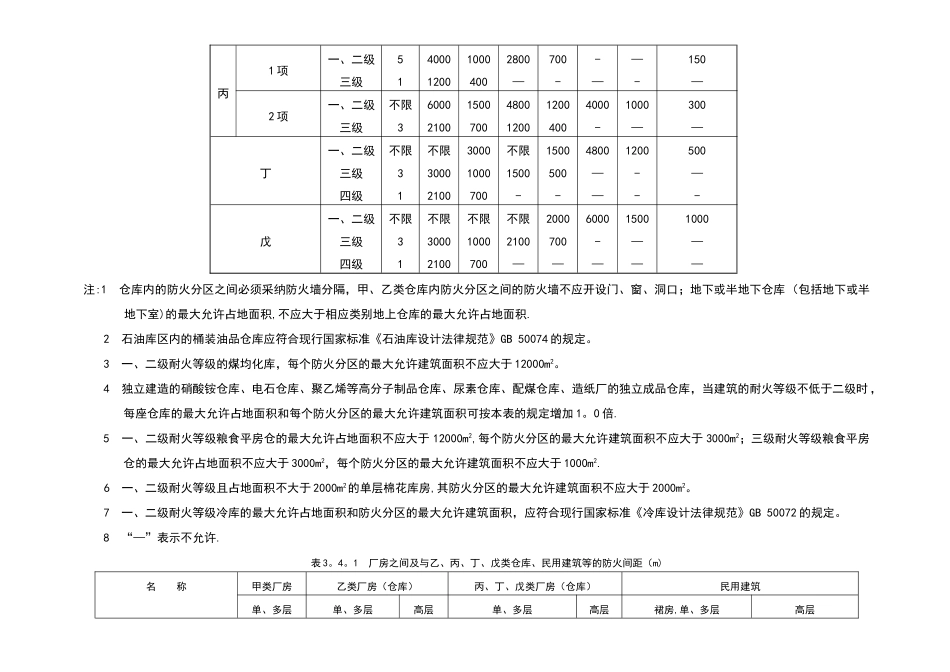
表 3.3.1 厂房的层数和每个防火分区的最大允许建筑面积生产的火灾危险性类别厂房的耐火等级最多允许层数每个防火分区的最大允许建筑面积(m2)单层厂房多层厂房高层厂房地下或半地下厂房(包括地下或半地下室)甲一级二级宜采纳单层4000300030002000————乙一级二级不限6500040004000300020001500—-丙一级二级三级不限不限2不限8000300060004000200030002000—500500—丁一、二级三级四级不限31不限40001000不限2000—4000-—1000-—戊一、二级三级四级不限31不限50001500不限3000—6000——1000——注:1 防火分区之间应采纳防火墙分隔.除甲类厂房外的一、二级耐火等级厂房,当其防火分区的建筑面积大于本表规定,且设置防火墙确有困难时,可采纳防火卷帘或防火分隔水幕分隔。采纳防火卷帘时,应符合本法律规范第 6.5.3 条的规定;采纳防火分隔水幕时,应符合现行国家标准《自动喷水灭火系统设计法律规范》GB 50084 的规定。2 除麻纺厂房外,一级耐火等级的多层纺织厂房和二级耐火等级的单、多层纺织厂房,其每个防火分区的最大允许建筑面积可按本表的规定增加 0。5倍,但厂房内的原棉开包、清花车间与厂房内其他部位之间均应采纳耐火极限不低于 2.50h 的防火隔墙分隔,需要开设门、窗、洞口时,应设置甲级防火门、窗。3 一、二级耐火等级的单、多层造纸生产联合厂房,其每个防火分区的最大允许建筑面积可按本表的规定增加 1。5 倍。一、二级耐火等级的湿式造纸联合厂房,当纸机烘缸罩内设置自动灭火系统,完成工段设置有效灭火设施保护时,其每个防火分区的最大允许建筑面积可按工艺要求确定.4 一、二级耐火等级的谷物筒仓工作塔,当每层工作人数不超过 2 人时,其层数不限。5 一、二级耐火等级卷烟生产联合厂房内的原料、备料及成组配方、制丝、储丝和卷接包、辅料周转、成品暂存、二氧化碳膨胀烟丝等生产用房应划分独立的防火分隔单元,当工艺条件许可时,应采纳防火墙进行分隔。其中制丝、储丝和卷接包车间可划分为一个防火分区 ,且每个防火分区的最大允许建筑面积可按工艺要求确定,但制丝、储丝及卷接包车间之间应采纳耐火极限不低于 2。00h 的防火隔墙和 1.00h 的楼板进行分隔。厂房内各水平和竖向防火分隔之间的开口应实行防止火灾蔓延的措施。6 厂房内的操作平台、检修平台,当使用人数少于 10 人时,平台的面积可不计入所在防火分区的建筑面积内。7 “-”表示不允许。3。3.2 除本法律规范另有规定外,仓库的层...

1、当您付费下载文档后,您只拥有了使用权限,并不意味着购买了版权,文档只能用于自身使用,不得用于其他商业用途(如 [转卖]进行直接盈利或[编辑后售卖]进行间接盈利)。
2、本站所有内容均由合作方或网友上传,本站不对文档的完整性、权威性及其观点立场正确性做任何保证或承诺!文档内容仅供研究参考,付费前请自行鉴别。
3、如文档内容存在违规,或者侵犯商业秘密、侵犯著作权等,请点击“违规举报”。

碎片内容

消防建筑平面防火间距表格

您可能关注的文档

不二商店+ 关注
实名认证
内容提供者

我是你的不二选择

确认删除?
VIP
微信客服
  • 扫码咨询
会员Q群
  • 会员专属群点击这里加入QQ群
客服邮箱
回到顶部