电脑桌面
添加小米粒文库到电脑桌面
安装后可以在桌面快捷访问

涵洞施工测量作业指导书

涵洞施工测量作业指导书_第1页
1/12
涵洞施工测量作业指导书_第2页
2/12
涵洞施工测量作业指导书_第3页
3/12
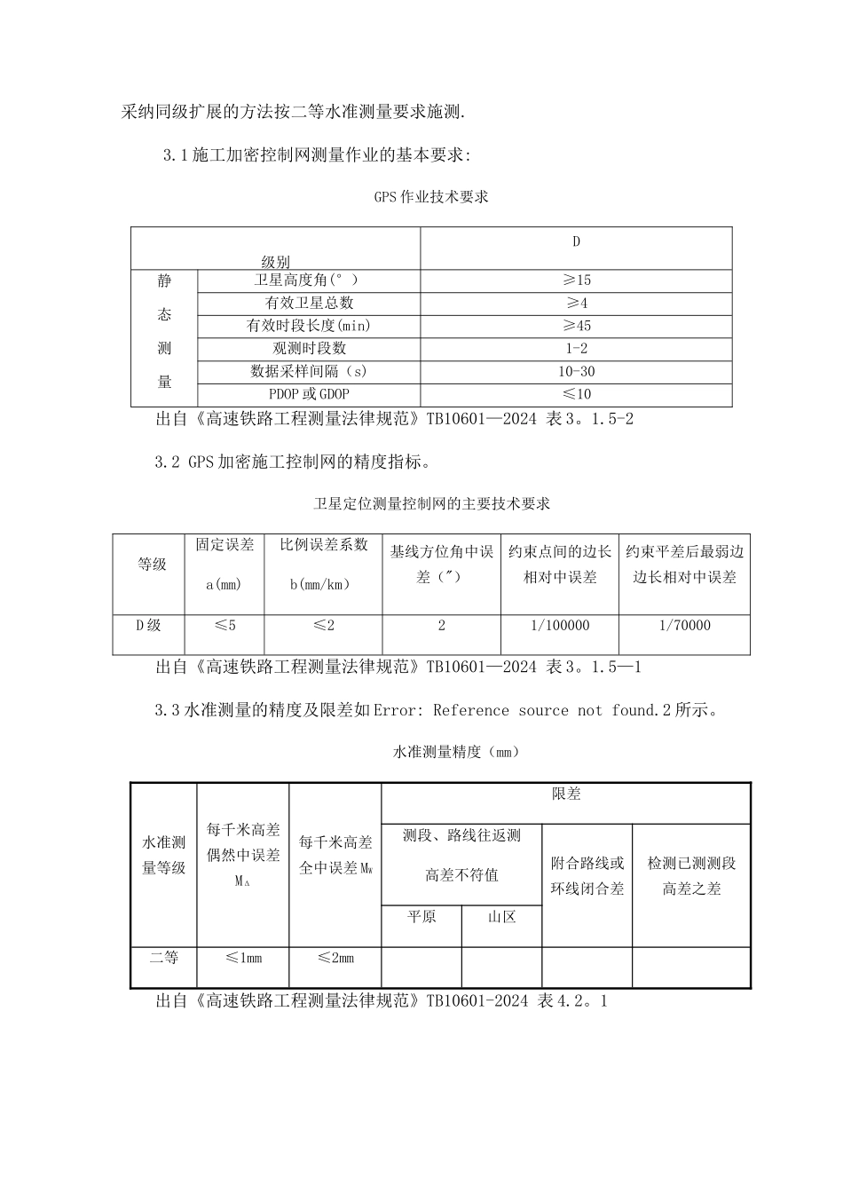
涵洞施工测量作业指导书 1.适用范围本作业指导书适用于新建武汉至十堰铁路涵洞施工测量。 2 。作业准备2.1 资料准备图纸审核、资料收集、放样资料计算审核和报验。2。2 现场核对施工前对涵洞中心里程、平面位置、斜交角度、道路及河沟里程、涵长、各点高程、及有关尺寸进行放线核对,如有疑问及时与设计单位联系,确认无误后方可施工。2。3 仪器设备配备标称精度不低于 2"、2mm+2ppm 的全站仪。标称精度不低于平面 10mm+lppm,高程 20mm+lppm 的 GPSRTK 测量系统。不低于 S3 光学水准仪。2.4 测量人员配备每个作业工区设测量放样小组 1 个,小组成员 4 人,其中测量工程师 1 名,测量工 3 名。2。5 测量人员培训测量人员上岗前均经过培训,主要测量人员应持有汉十高速铁路建设测量工程师业务培训结业证书,持证上岗。2。6 仪器设备检定和日常检校所有仪器设备均有法定计量检定证书,并在检定有效期内。测量仪器在使用前或使用过程中均要进行日常检校。3.技术要求 涵洞施工前,应先对全线的控制网进行加密,施工控制网加密测量可根据施工要求采纳同级扩展或向下一级进展的方法.加密高程控制测量应启闭于线路水准几点,采纳同级扩展的方法按二等水准测量要求施测. 3.1 施工加密控制网测量作业的基本要求:GPS 作业技术要求级别D静态测量卫星高度角(°)≥15有效卫星总数≥4有效时段长度(min)≥45观测时段数1-2数据采样间隔(s)10-30PDOP 或 GDOP≤10出自《高速铁路工程测量法律规范》TB10601—2024 表 3。1.5-23.2 GPS 加密施工控制网的精度指标。卫星定位测量控制网的主要技术要求等级固定误差a(mm)比例误差系数b(mm/km)基线方位角中误差(")约束点间的边长相对中误差约束平差后最弱边边长相对中误差D 级≤5≤221/1000001/70000出自《高速铁路工程测量法律规范》TB10601—2024 表 3。1.5—13.3 水准测量的精度及限差如 Error: Reference source not found.2 所示。水准测量精度(mm)水准测量等级每千米高差偶然中误差MΔ每千米高差全中误差 MW限差测段、路线往返测高差不符值附合路线或环线闭合差检测已测测段高差之差平原山区二等≤1mm≤2mm出自《高速铁路工程测量法律规范》TB10601-2024 表 4.2。1测量准备地基处理施工放样不合格不合格不合格合格合格合格 4. 涵洞施工放样程序与工艺流程4。1 测量程序测量准备→地基处理施工放样→基础施工放样→涵身施工放样→涵洞竣工测量。4.2 测量工艺...

1、当您付费下载文档后,您只拥有了使用权限,并不意味着购买了版权,文档只能用于自身使用,不得用于其他商业用途(如 [转卖]进行直接盈利或[编辑后售卖]进行间接盈利)。
2、本站所有内容均由合作方或网友上传,本站不对文档的完整性、权威性及其观点立场正确性做任何保证或承诺!文档内容仅供研究参考,付费前请自行鉴别。
3、如文档内容存在违规,或者侵犯商业秘密、侵犯著作权等,请点击“违规举报”。

碎片内容

涵洞施工测量作业指导书

确认删除?
VIP
微信客服
  • 扫码咨询
会员Q群
  • 会员专属群点击这里加入QQ群
客服邮箱
回到顶部