电脑桌面
添加小米粒文库到电脑桌面
安装后可以在桌面快捷访问

深基坑专家论证方案(工程科)

深基坑专家论证方案(工程科)_第1页
1/25
深基坑专家论证方案(工程科)_第2页
2/25
深基坑专家论证方案(工程科)_第3页
3/25
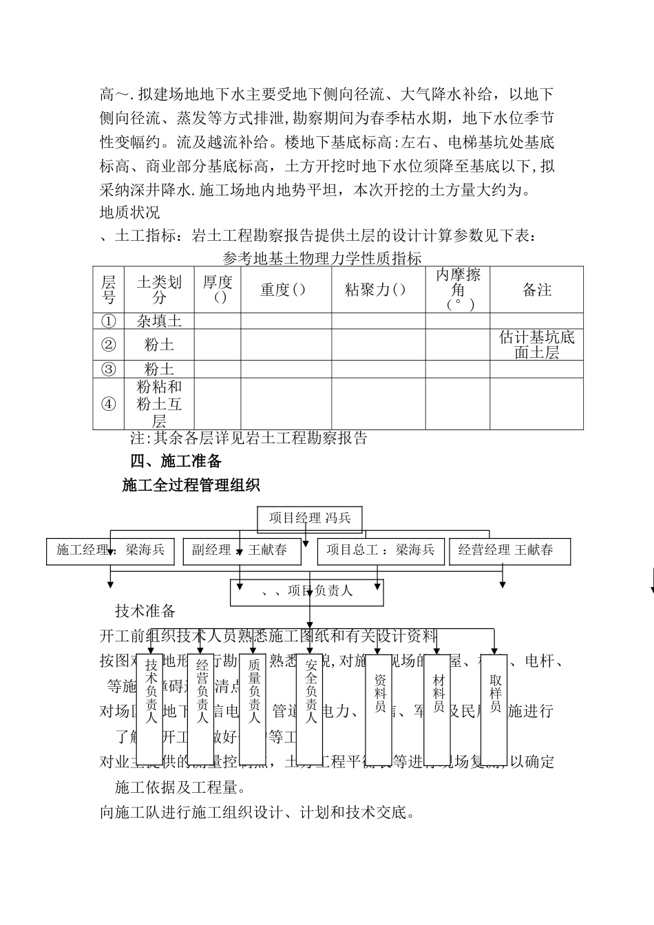
目 录、编制说明、编制依据、工程概况、施工准备、施工方法及技术措施、雨季施工措施、质量进度控制措施、工程安全措施、环境因素运行控制措施、现场文明施工措施、施工人员及机械需要量计划表、施工进度计划表、技术资料填写要求一、编制说明本技术指导文件为金色长风工程项目骏景苑住宅小区楼、楼、楼主楼及其所附属的商业用房、与主楼相临的部分地下车库的基坑帷幕、深井降水、土方开挖为一体施工组织技术指导文件,是依据公司多年的施工管理经验及进度计划安排、现场施工条件、工程质量要求、施工平面布置图(详见附图),结合设计图纸及本工程相关资料编制的,具有可操作性,满足工程施工需要. 二、编制依据、《建筑基坑支护技术法律规范》()、《锚杆喷射混凝土支护技术法律规范》()、《建筑地基处理技术法律规范》()、《建筑基坑监测技术法律规范》()、《太原市南上庄城中村改造工程“骏景苑”项目岩土工程勘察报告》(山西华晋岩土工程勘察有限公司 )、相关设计资料(太原建筑设计讨论院)、《建筑基坑工程技术法律规范》()、《建筑地基基础工程施工质量验收法律规范》()、《地基与基础工程施工工艺标准》( )、《骏景苑、、楼施工组织设计》、《骏景苑基坑支护设计技术指导文件》(山西华晋岩土勘察有限公司)、《建筑机械使用安全技术规程》(-)、《建筑工程施工安全管理标准》()、《既有建筑地基基础加固技术法律规范》()、《软土地基深层搅拌加固法技术规程》()、《建筑桩基技术法律规范》()三、工程概况拟建骏景苑位于太原市长风街以北,和平南路以东,千峰路以西.骏景苑由栋层住宅楼及层商铺裙房和一层地下车库组成。设计车库尺寸约~×。本次施工的为、、楼的楼座部分以及其附属的商业部分。拟建车库西侧轮廓线距锅炉厂宿舍区锅炉房、平房约,距层住宅楼约,拟建车库轮廓线东侧距南上庄小区层住宅楼约,有多趟市政管道通过,管道埋深约。拟建车库轮廓线南侧距地块线约,距围墙约,围墙外为农贸市场道路(详见附图)。基坑为不规则多边形,基坑开挖长,宽,深约,本次支护段长约。本工程楼及裙楼±为,自然地坪经方格网测定距±距离为左右,楼座部分土方开挖深度约,商业及车库开挖深度约左右。拟建场地地下水位孔隙潜水型,地下水静止水位埋深,水位标高~.拟建场地地下水主要受地下侧向径流、大气降水补给,以地下侧向径流、蒸发等方式排泄,勘察期间为春季枯水期,地下水位季节性变幅约。流及越流补给。楼地下基底标...

1、当您付费下载文档后,您只拥有了使用权限,并不意味着购买了版权,文档只能用于自身使用,不得用于其他商业用途(如 [转卖]进行直接盈利或[编辑后售卖]进行间接盈利)。
2、本站所有内容均由合作方或网友上传,本站不对文档的完整性、权威性及其观点立场正确性做任何保证或承诺!文档内容仅供研究参考,付费前请自行鉴别。
3、如文档内容存在违规,或者侵犯商业秘密、侵犯著作权等,请点击“违规举报”。

碎片内容

深基坑专家论证方案(工程科)

确认删除?
VIP
微信客服
  • 扫码咨询
会员Q群
  • 会员专属群点击这里加入QQ群
客服邮箱
回到顶部