电脑桌面
添加小米粒文库到电脑桌面
安装后可以在桌面快捷访问

混凝土取芯检测方案1

混凝土取芯检测方案1_第1页
1/4
混凝土取芯检测方案1_第2页
2/4
混凝土取芯检测方案1_第3页
3/4
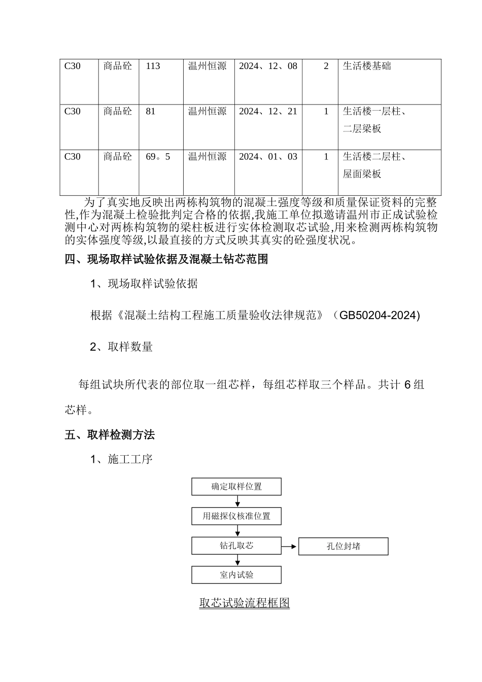
混凝土取芯检测方案一、编制依据1、《钻芯法检测混凝土强度技术规程》 CECS03:20242、《混凝土钻孔取芯机技术要求》 GB11818-893、《混凝土结构工程施工质量验收法律规范》 GB50204-2024二、工程概况温州市西向生态填埋场一期工程一标段由济南城建集团有限公司/苍南县鸿基爆破工程有限公司联合体承建,其中管理区和生产区房建部分由苍南县鸿基爆破工程有限公司施工,设计单位为上海市政工程设计讨论总院(集团有限公司,监理单位为天津华北工程监理有限公司,建设单位为温州市环境进展有限公司。现土建施工部分为管理区综合楼和生活楼,其中综合楼三层,层高分别为 4。8 米、3.6 米、3。6 米,总建筑面积为 1139。05㎡;生活楼两层,层高分别为 4.8 米、3.25 米,总建筑面积为 546。18㎡.结构体系均为钢筋混凝土框架结构,本工程场地类别为Ⅱ类 ,其抗震设等级为四级抗震,工程混凝土结构的安全等级为二级,梁柱板混凝土强度等级为 C30,建筑物类别为丙类。三、检测目的目前综合楼和生活楼构筑物已结顶。在浇筑综合楼和生活楼 C30 梁柱板施工过程中,施工现场根据法律规范要求留置试块,由于试块养护过程中管理不善导致试块丢失,现施工现场质量保证资料缺失,汇总如下:强度等级名 称 数量(立方)生产厂家制作日期留置试块组数代表部位C30商品砼 92温州恒源2024、11、261综合楼一层柱、二层楼板C30商品砼 82温州恒源2024、12、081综合楼二层柱、三层梁板C30商品砼 109温州恒源2024、12、302综合楼三层柱、屋面梁板C30商品砼 113温州恒源2024、12、082生活楼基础C30商品砼 81温州恒源2024、12、211生活楼一层柱、二层梁板C30商品砼 69。5温州恒源2024、01、031生活楼二层柱、屋面梁板为了真实地反映出两栋构筑物的混凝土强度等级和质量保证资料的完整性,作为混凝土检验批判定合格的依据,我施工单位拟邀请温州市正成试验检测中心对两栋构筑物的梁柱板进行实体检测取芯试验,用来检测两栋构筑物的实体强度等级,以最直接的方式反映其真实的砼强度状况。四、现场取样试验依据及混凝土钻芯范围1、现场取样试验依据根据《混凝土结构工程施工质量验收法律规范》(GB50204-2024)2、取样数量 每组试块所代表的部位取一组芯样,每组芯样取三个样品。共计 6 组芯样。五、取样检测方法1、施工工序取芯试验流程框图确定取样位置用磁探仪核准位置钻孔取芯室内试验孔位封堵2、确定取样位置和设计取得联系,并邀请设计到现场指导.根据力学受力分...

1、当您付费下载文档后,您只拥有了使用权限,并不意味着购买了版权,文档只能用于自身使用,不得用于其他商业用途(如 [转卖]进行直接盈利或[编辑后售卖]进行间接盈利)。
2、本站所有内容均由合作方或网友上传,本站不对文档的完整性、权威性及其观点立场正确性做任何保证或承诺!文档内容仅供研究参考,付费前请自行鉴别。
3、如文档内容存在违规,或者侵犯商业秘密、侵犯著作权等,请点击“违规举报”。

碎片内容

混凝土取芯检测方案1

您可能关注的文档

确认删除?
VIP
微信客服
  • 扫码咨询
会员Q群
  • 会员专属群点击这里加入QQ群
客服邮箱
回到顶部