电脑桌面
添加小米粒文库到电脑桌面
安装后可以在桌面快捷访问

清淤换填施工方案

清淤换填施工方案_第1页
1/7
清淤换填施工方案_第2页
2/7
清淤换填施工方案_第3页
3/7
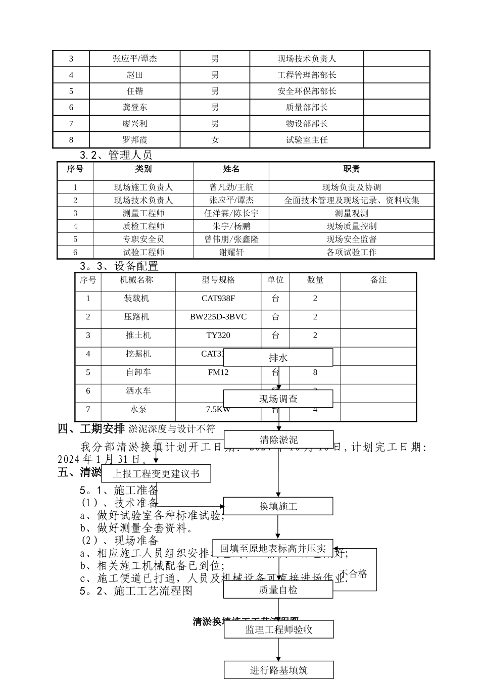
目录一、编制依据.........................................................................................................................1二、工程概况及工程数量 ..................................................................................................... 1 三、资源配置 ......................................................................................................................... 1 3 。 1 、主要负责人 ......................................................................................................... 1 3.2 、管理人员 ............................................................................................................... 2 3.3 、设备配置 ............................................................................................................... 2 四、工期安排 ......................................................................................................................... 2 五、清淤换填施工方案 ......................................................................................................... 2 5.1 、施工准备 ............................................................................................................... 2 5 。 2 、施工工艺流程图 ................................................................................................. 2 5 。 3 、清淤换填施工断面图 ......................................................................................... 3 5.4 、排水 ....................................................................................................................... 3 5.5 、清淤深度的确定 ................................................................................................... 3 5 。 6 、施工要求 ............................................................................................................. 3 5 。 7 、资料收集 .............................................................................................................

1、当您付费下载文档后,您只拥有了使用权限,并不意味着购买了版权,文档只能用于自身使用,不得用于其他商业用途(如 [转卖]进行直接盈利或[编辑后售卖]进行间接盈利)。
2、本站所有内容均由合作方或网友上传,本站不对文档的完整性、权威性及其观点立场正确性做任何保证或承诺!文档内容仅供研究参考,付费前请自行鉴别。
3、如文档内容存在违规,或者侵犯商业秘密、侵犯著作权等,请点击“违规举报”。

碎片内容

清淤换填施工方案

范哲铺+ 关注
实名认证
内容提供者

想你所想,急你所急,你需要的都在店铺里可以找到。

确认删除?
VIP
微信客服
  • 扫码咨询
会员Q群
  • 会员专属群点击这里加入QQ群
客服邮箱
回到顶部