电脑桌面
添加小米粒文库到电脑桌面
安装后可以在桌面快捷访问

灌注桩成孔质量检测报告VIP专享

灌注桩成孔质量检测报告_第1页
1/11
灌注桩成孔质量检测报告_第2页
2/11
灌注桩成孔质量检测报告_第3页
3/11
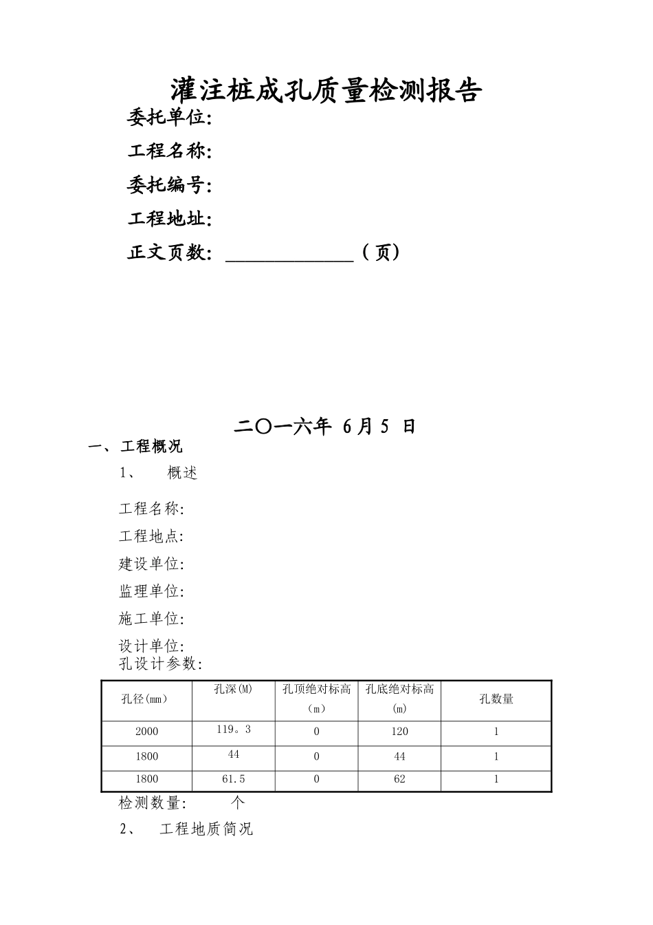
灌注桩成孔质量检测报告委托单位: 工程名称:委托编号:工程地址:正文页数: (页) 二〇一六年 6 月 5 日 一、工程概况1、 概述工程名称: 工程地点: 建设单位: 监理单位: 施工单位:设计单位: 孔设计参数:孔径(mm)孔深(M)孔顶绝对标高(m)孔底绝对标高(m)孔数量2000119。3012011800440441180061.50621检测数量: 个2、工程地质简况根据 公司提供的《X 岩土工程勘察报告》[工程编号: ]摘录资料如下表:层号土层名称(m)层底深度(m)比贯入阻力ps平均值(MPa)fs (KPa)fp(Kpa)②3—1灰黄~灰色粘质粉土6.01。38159。020②3-2灰色砂质粉土25.04.2344②3-3灰色粘质粉土26。02。0540⑤1灰色粉质粘土32.01.3036500⑤3灰色粉质粘土44。01。4640600⑤4灰绿色粘土44。02.4450800⑥暗绿色粘土34.02.8055900⑦草黄色粉砂45.010.32802500⑧1—1灰色粉质粘土47。01.8245700⑧1—2灰色粉砂49.06。59651600⑧1—3灰色粉质粘土56.02.0950850⑧2灰色粉质粘土夹砂质粉土69.03。32551100⑨1灰色粉砂80。027。7810035003、成孔日期及检测日期序号槽号成槽日期检测日期18 132024-06-052024-06—052yf11062024—06-052024—06-053z12052024-06-052024—06-05序号槽号成槽日期检测日期二、检测目的、原理、仪器设备1、检测目的检测灌注混凝土桩在成孔后,灌注混凝土前,孔径、孔垂直度、孔深、孔底沉渣厚度等指标,是否符合相关法律规范要求,给予评定和指导施工改进,保证成孔质量。2、检测标准根据中华人民共和国行业标准《建筑地基基础工程施工质量验收法律规范》(GB 50202)。3、仪器设备生产厂家型号编号有效期武汉中岩科技有限公司RSM—HGT(B)超声波成孔质量检测仪20240000002024。6.1—2024.1。14、检测原理 超声波成孔质量检测原理,利用超声波反射技术,将超声波探头以一定的速率放入充满泥浆的孔中,当发射电路产生的电脉冲加到发射换能器上时,换能器垂直孔壁发射出超声波脉冲,超声波在泥浆中传播到孔壁后部分被反射,反射回来的超声波被接收换能器接收,并经过放大、滤波等信号处理后,得到孔径、孔深和垂直度等成孔参数。检测时探头悬浮于泥浆中,与孔壁不发生接触,属非接触式检测方法. 超声检测系统框图如下:沉渣厚度检测原理,放入钻孔内的井下传感器的底部安装有一个机械探针;该机械探针在电脑的控制下可自由垂直前进或退回。利用了沉渣层和原土层在硬度上存在较大差异的特性。由于钻孔底部沉渣属松散介质,机械探针可自由...

1、当您付费下载文档后,您只拥有了使用权限,并不意味着购买了版权,文档只能用于自身使用,不得用于其他商业用途(如 [转卖]进行直接盈利或[编辑后售卖]进行间接盈利)。
2、本站所有内容均由合作方或网友上传,本站不对文档的完整性、权威性及其观点立场正确性做任何保证或承诺!文档内容仅供研究参考,付费前请自行鉴别。
3、如文档内容存在违规,或者侵犯商业秘密、侵犯著作权等,请点击“违规举报”。

碎片内容

灌注桩成孔质量检测报告

范哲铺+ 关注
实名认证
内容提供者

想你所想,急你所急,你需要的都在店铺里可以找到。

确认删除?
VIP
微信客服
  • 扫码咨询
会员Q群
  • 会员专属群点击这里加入QQ群
客服邮箱
回到顶部