电脑桌面
添加小米粒文库到电脑桌面
安装后可以在桌面快捷访问

热力管网工作总结

热力管网工作总结_第1页
1/6
热力管网工作总结_第2页
2/6
热力管网工作总结_第3页
3/6
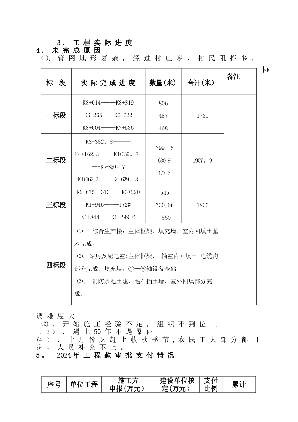
2024 年 度 监 理 工 作 总 结受 晋 城 市 热 力 公 司 委 托 , 晋 城 热 电 厂 一 期(2×300mw ) 集 中 供 热 热 网 工 程 监 理 一 标 段 由 山 西 宇 通 建 设 工 程 项 目 管 理 有 限 公 司 承 担 施 工 阶 段 的 监理 工 作 。 该 工 程 由 中 国 市 政 工 程 华 北 设 计 讨 论 总院 设 计 , 施 工 分 四 个 标 段 , 施 工 Ⅰ 标 段 由 天 津 振 津 工 程 集 团 有 限 公 司 施 工 ; 施 工 Ⅱ 标 段 由 河 北 省 安 装 工 程 公 司 施 工 ; 施 工 Ⅲ 标 段 由 中 石 化 工 建 设 有 限 公 司 施 工 ; 施 工 Ⅳ 标 段 由 山 西 省 第 三 建 筑 工 程 公 司 施 工 . 目 前 已 进 入 冬 季 , 接 近 年 终 , 该 单 位 工 程 已根 据 热 网 工 程 指 挥 部 要 求 全 部 告 一 段 落 。 现 将 本工 程 本 年 度 施 工 阶 段 的 监 理 工 作 总 结 如 下 : 一 、 工 程 概 况本 工 程 工 作 范 围 为 : 热 电 厂 — — 泽 州 南 路 段 、规 划 南 环 路 — — 东 南 出 入 口 段 以 及 中 继 泵 站 等 。其 中 : 管 网 敷 设 共 约 12600 米 , 管 径 分 别 为 DN1200﹑DN600 、 DN300 、 DN200;新 建 换 热 站 13 座 。 投 资 额 约14200 万 元 . 其 中 : 施 工 一 标 段 需 经 过 范 疙 堆 、 上 辛安 、 下 辛 安 、 李 家 堰 、 北 桑 平 、 西 南 蜀 六 个 自 然村 , 施 工 二 标 段 需 经 过 西 南 蜀 、 山 门 、 苇 匠 ; 施工 三 标 段 需 经 过 苇 匠 、 陈 岭 、 河 东 村 、 泽 州 南 路 ;施 工 四 标 段 为 中 继 泵 站 (1147 ㎡ ) 、 综 合 生 产 楼( 914㎡ ) 、 门 房 及 消 防 水 池 等 室 外 工 程 . 详 细 见 附表 :二 、 工 程 进 度 控 制 方 面 情 况 1。 工 程 进 度 措 施 ⑴. 工 程 从 2024 年 7 月 18 日 开 始 , 施 工 过 程 中建 设 单 位 领 导 和 项 目 监 理 部 协 调 安 排 , 各 参 建...

1、当您付费下载文档后,您只拥有了使用权限,并不意味着购买了版权,文档只能用于自身使用,不得用于其他商业用途(如 [转卖]进行直接盈利或[编辑后售卖]进行间接盈利)。
2、本站所有内容均由合作方或网友上传,本站不对文档的完整性、权威性及其观点立场正确性做任何保证或承诺!文档内容仅供研究参考,付费前请自行鉴别。
3、如文档内容存在违规,或者侵犯商业秘密、侵犯著作权等,请点击“违规举报”。

碎片内容

热力管网工作总结

确认删除?
VIP
微信客服
  • 扫码咨询
会员Q群
  • 会员专属群点击这里加入QQ群
客服邮箱
回到顶部