电脑桌面
添加小米粒文库到电脑桌面
安装后可以在桌面快捷访问

热电厂安全积分考核管理办法

热电厂安全积分考核管理办法_第1页
1/11
热电厂安全积分考核管理办法_第2页
2/11
热电厂安全积分考核管理办法_第3页
3/11
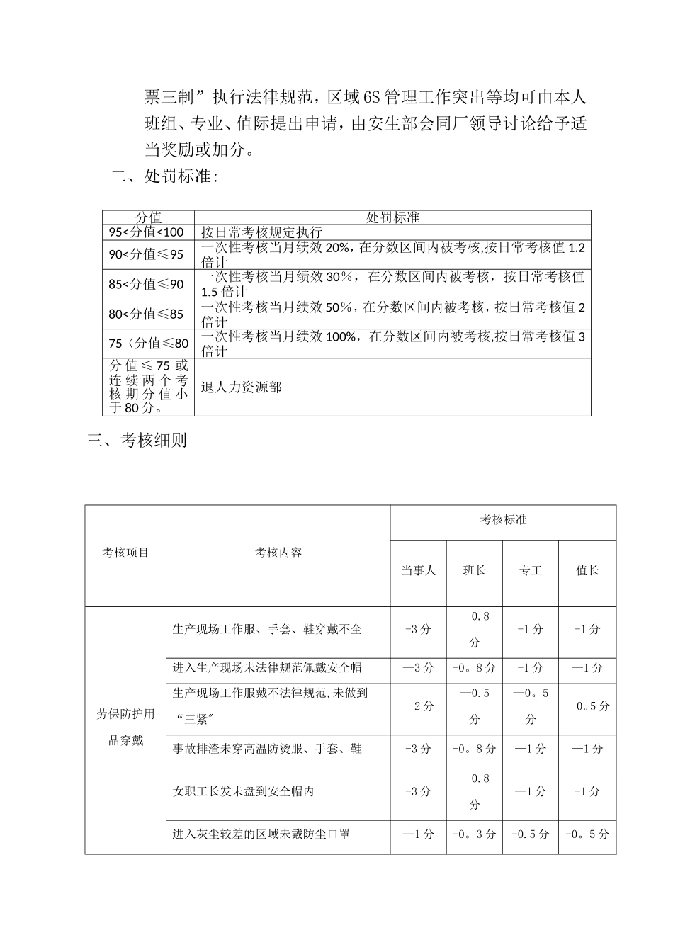
热电厂安全管理积分考核办法及标准为强化热电厂安全管理,提高员工安全意识,增强防范各类事故的自觉性,实现从“要我安全”到“我要安全”、“我会安全”的转变,达到预防各类人身损害事故和财产损失的目的,参照公司《“三违”积分管理办法》,特制定本考核办法,本办法解释权归热电厂安生部。一、实施规定:1、热电厂所有员工每人安全基础分均为 100 分,每人建档。以季度为考核期,在一季度之内,按三违次数、严重程度,按扣分标准给予不同程度扣分,考核情况每周公布一次。扣分随时累加,达到分值对应的处罚,给予相应处罚。一季度考核期满后,分值重归 100分,进行新的考核期。2、管生产必须管安全,班员被扣分,同时连带工作负责人、班长、专工、值长;专工、值长以上人员被扣分,连带部长或相关分管领导(连带考核参照本标准执行),真正体现“一岗双责”。班组长要管理好本班组所有事物,特别是班组人员的安全(工作负责人是本工作第一责任人,全面负责本工作作业人员安全);专工、值长以上管理人员要管好本专业(部门)所有事务,对本专业技术,人员安全、职业健康,设备的安全、稳定、经济、环保运行负全责.3、本规定只对分值进行统计、考核,不影响另实行的经济处罚。发生较大事故,移交公司考核的,热电厂在经济上不再重复考核,但将分数值按考核细则规定调到对应分值区。4、激励机制:(1)厂部提倡和鼓舞部门、专业、班组内部加强管理考核,对其内部主动管理考核的,厂部原则上不再考核扣分,并视情况给相关管理人员适当奖励或加分。(由厂安生部会同厂领导讨论决定)(2)员工有突出表现,如工作仔细负责,表现突出,巡检、点检仔细及时发现重大缺陷、隐患;积极主动检举三违现象人员,“两票三制”执行法律规范,区域 6S 管理工作突出等均可由本人班组、专业、值际提出申请,由安生部会同厂领导讨论给予适当奖励或加分。二、处罚标准:三、考核细则考核项目考核内容考核标准当事人班长专工值长劳保防护用品穿戴生产现场工作服、手套、鞋穿戴不全-3 分—0.8分-1 分-1 分进入生产现场未法律规范佩戴安全帽—3 分-0。8 分-1 分—1 分生产现场工作服戴不法律规范,未做到“三紧"—2 分—0.5分—0。5分—0。5 分事故排渣未穿高温防烫服、手套、鞋-3 分-0。8 分—1 分—1 分女职工长发未盘到安全帽内-3 分—0.8分—1 分-1 分进入灰尘较差的区域未戴防尘口罩—1 分-0。3 分-0.5 分-0。5 分分值处罚标准95<分值<100按日常考核规定...

1、当您付费下载文档后,您只拥有了使用权限,并不意味着购买了版权,文档只能用于自身使用,不得用于其他商业用途(如 [转卖]进行直接盈利或[编辑后售卖]进行间接盈利)。
2、本站所有内容均由合作方或网友上传,本站不对文档的完整性、权威性及其观点立场正确性做任何保证或承诺!文档内容仅供研究参考,付费前请自行鉴别。
3、如文档内容存在违规,或者侵犯商业秘密、侵犯著作权等,请点击“违规举报”。

碎片内容

热电厂安全积分考核管理办法

确认删除?
VIP
微信客服
  • 扫码咨询
会员Q群
  • 会员专属群点击这里加入QQ群
客服邮箱
回到顶部