电脑桌面
添加小米粒文库到电脑桌面
安装后可以在桌面快捷访问

特种作业人员操作证IC卡申请登记表

特种作业人员操作证IC卡申请登记表_第1页
1/3
特种作业人员操作证IC卡申请登记表_第2页
2/3
特种作业人员操作证IC卡申请登记表_第3页
3/3
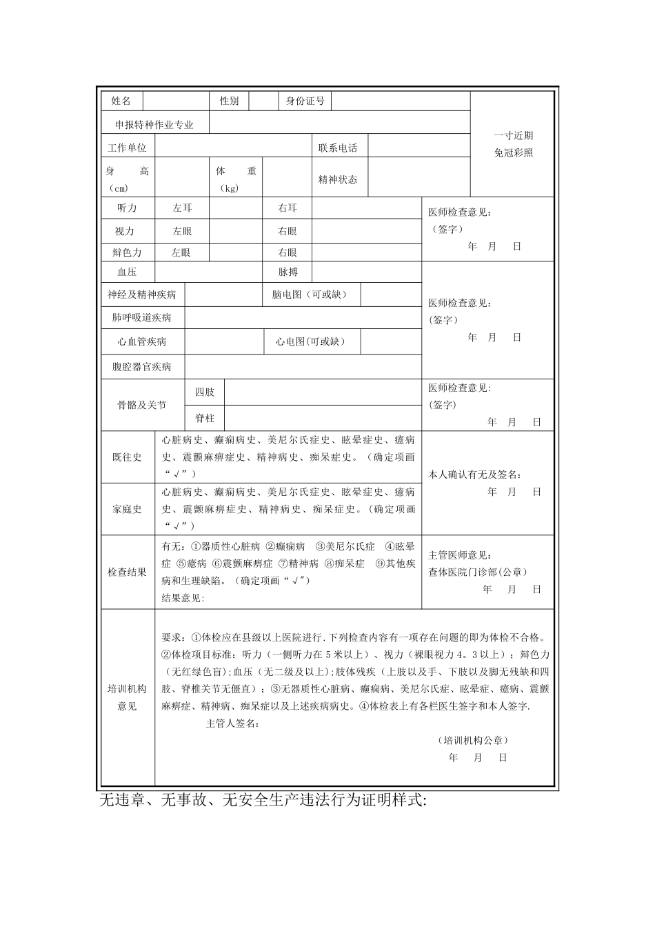
特种作业操作人员健康查体表 《特种作业人员操作证(IC 卡)》申请登记表单位盖章: 姓 名性 别男□ 女□相片文化程度身份证号联系电话健康状况单位名称 单位地址作业类别作业项目申请类型 初领[ ] 复审[ ] 复审换证[ ]培训单位本次培训时间初次领证时间上次复审时间从事本作业工作简历 本人签名: 年 月 日报名时间年 月 日经办人备注:姓名性别身份证号一寸近期免冠彩照申报特种作业专业工作单位联系电话身高(cm)体重(kg)精神状态 听力左耳右耳医师检查意见:(签字) 年 月 日视力左眼右眼辩色力左眼右眼血压脉搏医师检查意见:(签字) 年 月 日神经及精神疾病脑电图(可或缺)肺呼吸道疾病心血管疾病心电图(可或缺)腹腔器官疾病骨骼及关节四肢医师检查意见:(签字)年 月 日脊柱既往史心脏病史、癫痫病史、美尼尔氏症史、眩晕症史、癔病史、震颤麻痹症史、精神病史、痴呆症史。(确定项画“√”)本人确认有无及签名:年 月 日家庭史心脏病史、癫痫病史、美尼尔氏症史、眩晕症史、癔病史、震颤麻痹症史、精神病史、痴呆症史。 (确定项画“√”)检查结果有无:①器质性心脏病 ②癫痫病 ③美尼尔氏症 ④眩晕症 ⑤癔病 ⑥震颤麻痹症 ⑦精神病 ⑧痴呆症 ⑨其他疾病和生理缺陷。(确定项画“√")结果意见:主管医师意见:查体医院门诊部(公章)年 月 日培训机构意见要求:①体检应在县级以上医院进行.下列检查内容有一项存在问题的即为体检不合格。②体检项目标准:听力(一侧听力在 5 米以上)、视力(裸眼视力 4。3 以上);辩色力(无红绿色盲);血压(无二级及以上);肢体残疾(上肢以及手、下肢以及脚无残缺和四肢、脊椎关节无僵直);③无器质性心脏病、癫痫病、美尼尔氏症、眩晕症、癔病、震颤麻痹症、精神病、痴呆症以及上述疾病病史。④体检表上有各栏医生签字和本人签字. 主管人签名: (培训机构公章) 年 月 日 无违章、无事故、无安全生产违法行为证明样式:证明我公司(或我单位)×××同志,从事焊接与热切割作业(或电工作业、制冷作业、登高作业)期间,能够严格遵守安全操作规程,未出现违章现象,未发生安全事故,未有安全生产违法行为发生。特此证明。单位名称(盖章)

1、当您付费下载文档后,您只拥有了使用权限,并不意味着购买了版权,文档只能用于自身使用,不得用于其他商业用途(如 [转卖]进行直接盈利或[编辑后售卖]进行间接盈利)。
2、本站所有内容均由合作方或网友上传,本站不对文档的完整性、权威性及其观点立场正确性做任何保证或承诺!文档内容仅供研究参考,付费前请自行鉴别。
3、如文档内容存在违规,或者侵犯商业秘密、侵犯著作权等,请点击“违规举报”。

碎片内容

特种作业人员操作证IC卡申请登记表

阳光书坊+ 关注
实名认证
内容提供者

阳光书坊,传播未来

确认删除?
VIP
微信客服
  • 扫码咨询
会员Q群
  • 会员专属群点击这里加入QQ群
客服邮箱
回到顶部