电脑桌面
添加小米粒文库到电脑桌面
安装后可以在桌面快捷访问

特种设备作业证代号

特种设备作业证代号_第1页
1/2
特种设备作业证代号_第2页
2/2
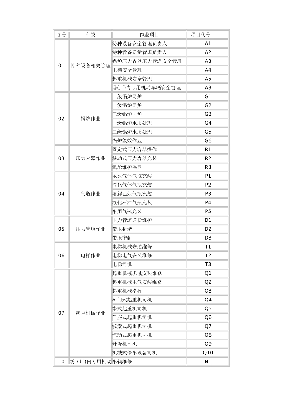
序号种类作业项目项目代号 01特种设备相关管理特种设备安全管理负责人A1特种设备质量管理负责人A2锅炉压力容器压力管道安全管理A3电梯安全管理A4起重机械安全管理A5场(厂)内专用机动车辆安全管理A802锅炉作业一级锅炉司炉G1二级锅炉司炉G2三级锅炉司炉G3一级锅炉水质处理G4二级锅炉水质处理G5锅炉能效作业G603压力容器作业固定式压力容器操作R1移动式压力容器充装R2氧舱维护保养R304气瓶作业永久气体气瓶充装P1液化气体气瓶充装P2溶解乙炔气瓶充装P3液化石油气瓶充装P4车用气瓶充装P505压力管道作业压力管道巡检维护D1带压封堵D2带压密封D306电梯作业电梯机械安装维修T1电梯电气安装维修T2电梯司机T307起重机械作业起重机械机械安装维修Q1起重机械电气安装维修Q2起重机械指挥Q3桥门式起重机司机Q4塔式起重机司机Q5门座式起重机司机Q6缆索式起重机司机Q7流动式起重机司机Q8升降机司机Q9机械式停车设备司机Q1010场(厂)内专用机动车辆维修N1序号种类作业项目项目代号 车辆作业叉车司机N2搬运车牵引车推顶车司机N3内燃观光车司机N4蓄电池观光车司机N5

1、当您付费下载文档后,您只拥有了使用权限,并不意味着购买了版权,文档只能用于自身使用,不得用于其他商业用途(如 [转卖]进行直接盈利或[编辑后售卖]进行间接盈利)。
2、本站所有内容均由合作方或网友上传,本站不对文档的完整性、权威性及其观点立场正确性做任何保证或承诺!文档内容仅供研究参考,付费前请自行鉴别。
3、如文档内容存在违规,或者侵犯商业秘密、侵犯著作权等,请点击“违规举报”。

碎片内容

特种设备作业证代号

不二商店+ 关注
实名认证
内容提供者

我是你的不二选择

确认删除?
VIP
微信客服
  • 扫码咨询
会员Q群
  • 会员专属群点击这里加入QQ群
客服邮箱
回到顶部