电脑桌面
添加小米粒文库到电脑桌面
安装后可以在桌面快捷访问

特种设备资格条件VIP专享

特种设备资格条件_第1页
1/8
特种设备资格条件_第2页
2/8
特种设备资格条件_第3页
3/8
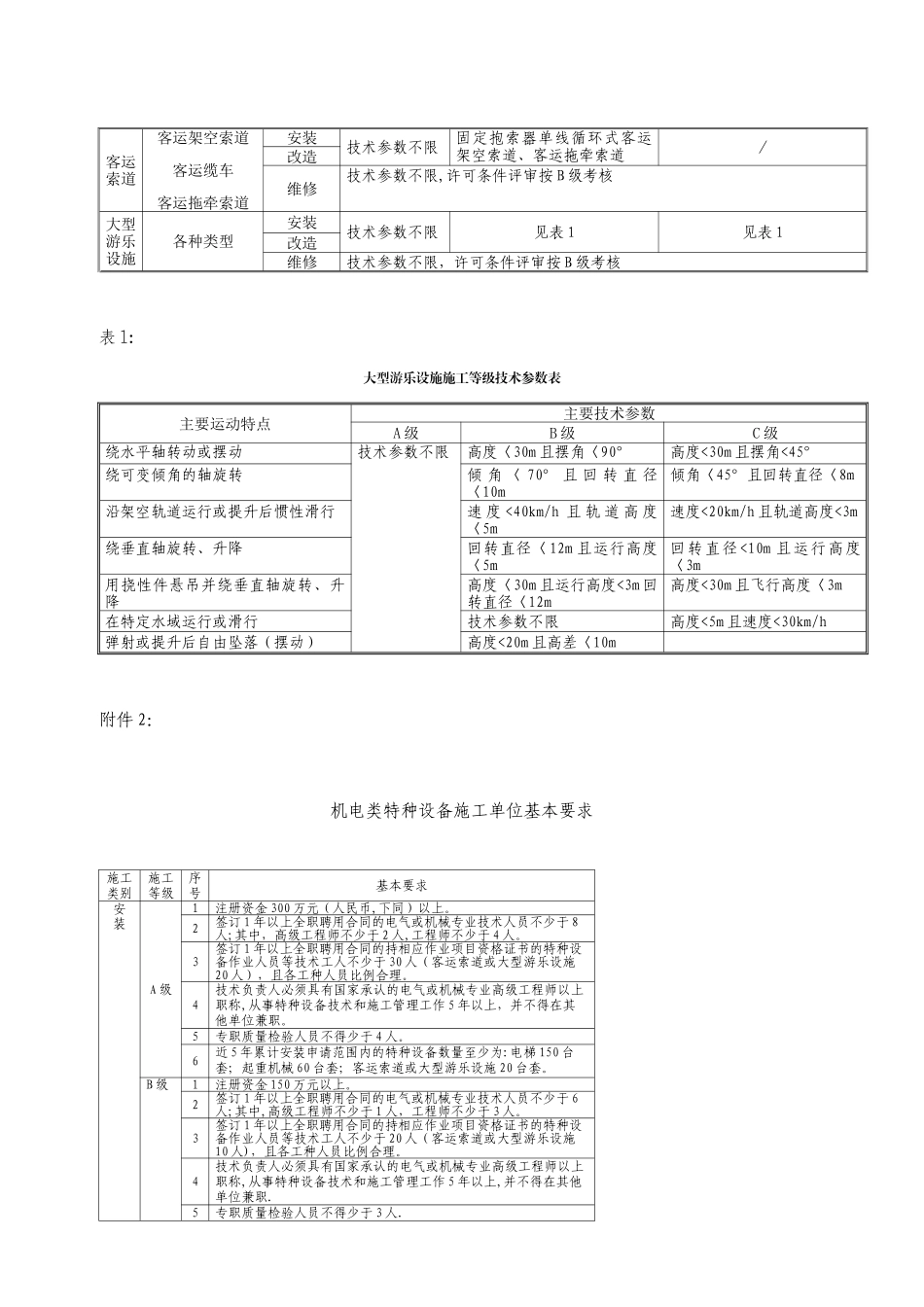
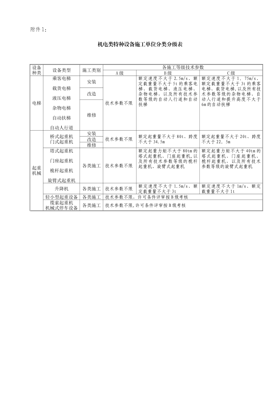
附件 1: 机电类特种设备施工单位分类分级表 设备种类 设备类型 施工类别 各施工等级技术参数 A 级 B 级 C 级 电梯 乘客电梯 载货电梯 液压电梯 杂物电梯 自动扶梯 自动人行道 安装 技术参数不限 额定速度不大于 2.5m/s、额定载重量不大于 5t 的乘客电梯、载货电梯、液压电梯、杂物电梯,以及所有技术参数等级的自动人行道和自动扶梯 额定速度不大于 1。75m/s、额定载重量不大于 3t 的乘客电梯、载货电梯,以及所有技术参数等级的杂物电梯、自动人行道和提升高度不大于6m 的自动扶梯 改造 维修 起重机械 桥式起重机 门式起重机 安装 技术参数不限 额定起重量不大于 80t、跨度不大于 34.5m 额定起重量不大于 20t、跨度不大于 22。5m 改造 维修 塔式起重机 门座起重机 桅杆起重机 旋臂式起重机 各类施工 技术参数不限 额定起重力矩不大于 80tm 的塔式起重机、门座起重机,以及所有技术参数等级的桅杆起重机、旋臂式起重机 额定起重力矩不大于 40tm 的塔式起重机、门座起重机、桅杆起重机,以及所有技术参数等级的旋臂式起重机 升降机 各类施工 技术参数不限 额定速度不大于 1.5m/s、额定载重量不大于 3t 额定速度不大于 1m/s、额定载重量不大于 1t 轻小型起重设备 各类施工 技术参数不限,许可条件评审按 B 级考核 缆索起重机 机械式停车设备 各类施工 技术参数不限,许可条件评审按 B 级考核 客运索道 客运架空索道 客运缆车 客运拖牵索道 安装 技术参数不限 固定抱索器单线循环式客运架空索道、客运拖牵索道 / 改造 维修 技术参数不限,许可条件评审按 B 级考核 大型游乐设施 各种类型 安装 技术参数不限 见表 1 见表 1 改造 维修 技术参数不限,许可条件评审按 B 级考核 表 1: 大型游乐设施施工等级技术参数表 主要运动特点 主要技术参数 A 级 B 级 C 级 绕水平轴转动或摆动 技术参数不限 高度〈30m 且摆角〈90° 高度<30m 且摆角<45° 绕可变倾角的轴旋转 倾 角 〈 70° 且 回 转 直 径〈10m 倾角〈45°且回转直径〈8m 沿架空轨道运行或提升后惯性滑行 速 度 <40km/h 且 轨 道 高 度〈5m 速度<20km/h 且轨道高度<3m 绕垂直轴旋转、升降 回转直径〈12m 且运行高度〈5m 回转直径<10m 且运行高度〈3m 用挠性件悬吊并绕垂直轴旋转、升降 高度〈30m 且运行高度<3m 回转直径〈12m 高度<30m ...

1、当您付费下载文档后,您只拥有了使用权限,并不意味着购买了版权,文档只能用于自身使用,不得用于其他商业用途(如 [转卖]进行直接盈利或[编辑后售卖]进行间接盈利)。
2、本站所有内容均由合作方或网友上传,本站不对文档的完整性、权威性及其观点立场正确性做任何保证或承诺!文档内容仅供研究参考,付费前请自行鉴别。
3、如文档内容存在违规,或者侵犯商业秘密、侵犯著作权等,请点击“违规举报”。

碎片内容

特种设备资格条件

确认删除?
VIP
微信客服
  • 扫码咨询
会员Q群
  • 会员专属群点击这里加入QQ群
客服邮箱
回到顶部